IIW2 ISO7963: Нержавеющая сталь ультразвуковой нержавеющей стали стали углерода блока тарировки 2010 V2 двухшпиндельная
Блок теста IIW2 (блок теста V-2) стандартный блок теста одобренный международным институтом заварки. V-2 (DIN54122) сравненное с блоком теста IIW, блоком теста V-2 имеет преимущества легковеса, легкие для того чтобы снести, и особенно соответствующее для пользы поля
Материал: углерод стальное 1018, нержавеющая сталь 304/316, двухшпиндельная нержавеющая сталь 2205, алюминий 7075
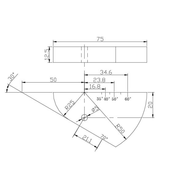
Диаметр отверстия: 1.5/3/5mm
Толщина: 12.5/20/25 mm
Марк: OEM можно сделать


Группа HUATEC предлагает всем видам ультразвуковой блок тарировки