Гидравлический мотор Lynn 6000 Geroler чарса мотора орбиты BMK6 гидравлический/низкоскоростной высокий вращающий момент
Детали продукта:
Серия BMK6 прочный гидравлический мотор с главной бортовой емкостью нагрузки, высоким уплотнением вала давления и ровной низкоскоростной деятельностью. Идеал для средних appliions обязанности как движение вперед корабля, сверла, приводы с цепной передачей, вороты и заграждение вращают. Прерывистые давления идут до 4000 psi. Максимальная динамическая бортовая возможность нагрузки 3600 lb. на ключе. Этот изрезанный низкоскоростной высокий мотор вращающего момента (LSHT) орбитальный отличает крепкой конструкцией с непрерывной подачей масла через сплайны для более длинной жизни, главной бортовой емкости нагрузки, и ровной дополнительной низкоскоростной деятельности. Высокое уплотнение вала давления стандартно. Свой новаторский дизайн исключает потребность для стока. Dependability основан на высококачественных дизайне и изготовлять.
Appliion:
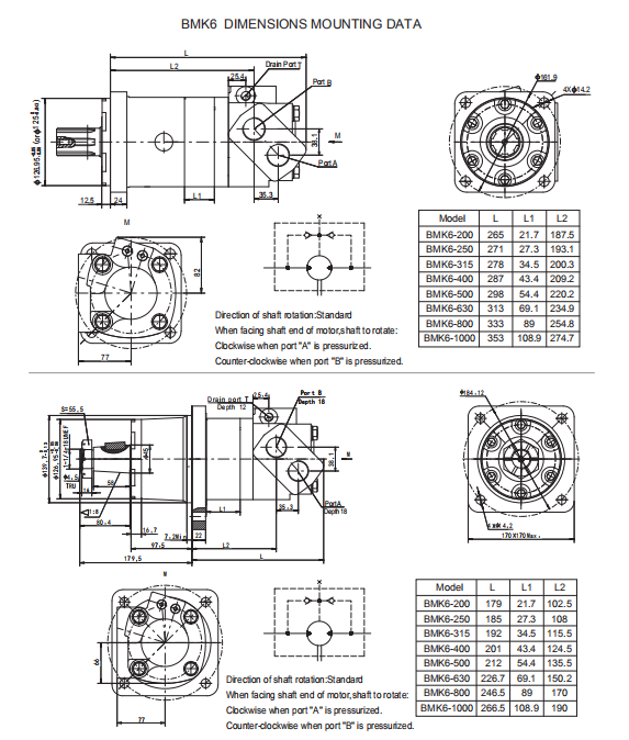
Specifiions



Конкурентное преимущество
| Высокая эффективность |
| Высокий начиная вращающий момент |
| Крепкий и компактный дизайн |
| Высокая радиальная и осевая величина наибольшей допускаемой нагрузки на опору |
| Для appliions и в гидравлических системах открытых и короткозамкнутого витка |
| Соответствующий для большого разнообразия жидкостей гидротехник |
| Плавный ход над всем рядом скорости |
| Постоянн работая вращающий момент над широким рядом скорости |
| Длинная жизнь под весьма эксплуатационными режимами |
| Давление высокого дохода без пользы дренажной магистрали (высокое уплотнение вала давления) |
В настоящее время, большинств популярные бренды в гидротехник Danfoss, чарс Lynn, M+S, HANJIU, каждое со своими собственными заслугами, однако причина, по которой больше и больше клиенты выбирают HANJIU потому что оно имеет очевидные преимущества над другими брендами по отоношению к тарифу доставки, обслуживания, качества и выгоды.

