Экскаватор DX225LC DX225LCA DX230LC DX220LC путешествуя конечная передача моторов K1037757 для doosan
| Применитесь для | экскаватор |
| Имя части | путешествовать моторы |
| Бренд | Doosan |
| Модель | DX225LC DX225LCA DX230LC DX220LC |
| Номер детали | K1037757 |
| Материал | Легированная сталь |
| Вес | 310 kg |
| Текстура | Сталь |







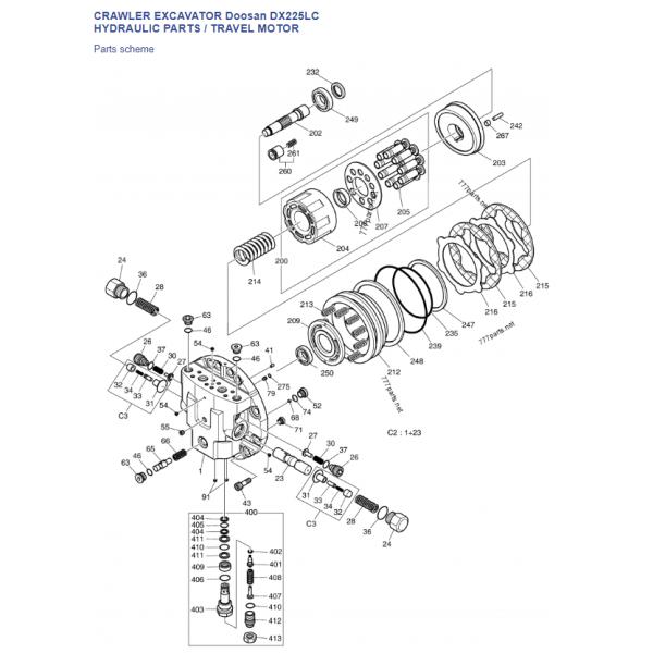
| # | Номер детали | Имя части | Комментарий | Qty. | Запрос цены |
|---|---|---|---|---|---|
| * | K9008310 | НАБОР УПЛОТНЕНИЯ, МОТОР ПЕРЕМЕЩЕНИЯ | 1 НАБОР | ||
| 413 | *NA00628 | ГАЙКА, ЗАМОК | 1 | ||
| C | K9007410 | ИШАК „Y КОНТРОЛЬНОЙ ЧАСТИ | 1 | ||
| C-1 | K9007408 | ЗАДНИЙ ИШАК „Y ФЛАНЦА | 1 | ||
| C-2 | K9007409 | ЗАДНИЙ НАБОР ФЛАНЦА | 22 kg | 1 | |
| 1 | *NA00915 | ЗАДНИЙ ФЛАНЕЦ | HE4D01712A | 1 | |
| 23 | K9007399 | ГЛАВНЫЙ SPOOL | 1 | ||
| 24 | 1.181-00059 | ЗАТКНИТЕ, ДЛЯ ОСНОВЫ | 2 | ||
| C-3 | K9007414 | ИШАК „Y ЗАТВОРА | 2 | ||
| 26 | 1.181-00067 | ШТЕПСЕЛЬНАЯ ВИЛКА, ПРОВЕРКА | 2 | ||
| 27 | 1.420-00013 | КЛАПАН, ПРОВЕРКА | 2 | ||
| 28 | 1.131-00058 | ПОСКАЧИТЕ, ДЛЯ ОСНОВЫ | 2 | ||
| 30 | 1.129-00006 | ВЕСНА, ПРОВЕРКА | 2 | ||
| 31 | K9004995 | ЗАТВОР A | 1 | ||
| 32 | K9007381 | ЗАТВОР B | 1 | ||
| 33 | K9007416 | SPOOL | 1 | ||
| 34 | K9007380 | ВЕСНА | 1 | ||
| 36 | S8000321 | КОЛЦЕОБРАЗНОЕ УПЛОТНЕНИЕ | 2 | ||
| 37 | S8002731 | КОЛЦЕОБРАЗНОЕ УПЛОТНЕНИЕ | 2 | ||
| 41 | S5700891 | PIN, ПАРАЛЛЕЛЬ | 1 | ||
| 43 | S2221471 | БОЛТ, ГНЕЗДО НАГОВОРА | 12 | ||
| 46 | S8000181 | КОЛЦЕОБРАЗНОЕ УПЛОТНЕНИЕ | 1BP18 | 2 | |
| 52 | 2181-1890D2 | ШТЕПСЕЛЬНАЯ ВИЛКА, SP | PF1/4 | 2 | |
| 54 | 2181-1116D10 | ШТЕПСЕЛЬНАЯ ВИЛКА, PT | 5 | ||
| 55 | 2181-1116D2 | ЗАТКНИТЕ, ПЕРЕПРОВЕРЬТЕ | 2 | ||
| 63 | 2181-1890D4 | ЗАТКНИТЕ, ПЕРЕПРОВЕРЬТЕ | PF1/2 | 2 | |
| 65 | 1.424-00041 | SPOOL (2 СКОРОСТИ) | 1 | ||
| 66 | 1.131-00001 | ВЕСНА | 1 | ||
| 68 | S6250182 | ШАРИК, СТАЛЬ | 2 | ||
| 71 | 1.415-00005 | ОТВЕРСТИЕ | 1 | ||
| 74 | S8000111 | КОЛЦЕОБРАЗНОЕ УПЛОТНЕНИЕ | 1BP11 | 2 | |
| 79 | 1.471-00001 | ФИЛЬТР | 1 | ||
| 91 | 2181-1116D1 | ЗАТКНИТЕ, ПЕРЕПРОВЕРЬТЕ | 97123-01111 | 2 | |
| - | K9007405 | МОТОР, ПЕРЕМЕЩЕНИЕ | 1 | ||
| 200 | K9007407 | БЛОК CYL & НАБОР ПОРШЕНЯ | 1 НАБОР | ||
| 205 | K9007406 | ИШАК „Y ПОРШЕНЯ | 1 НАБОР | ||
| 204 | K9007397 | БЛОК, ЦИЛИНДР | 1 | ||
| 207 | K9004447 | ПЛИТА, СТОПОРНОЕ УСТРОЙСТВО | 1 | ||
| 208 | K9004448 | ШАРИК, ТЯГА | 1 | ||
| 202 | K9007415 | ВАЛ, ПРИВОД | 2 kg | 1 | |
| 203 | K9007382 | ПОКРОЙТЕ, SWASH | 1 | ||
| 209 | K9007398 | ПЛИТА, ВРЕМЯ | 1 kg | 1 | |
| 212 | K9004453 | ПОРШЕНЬ, СТОЯНКА | 1 | ||
| 213 | 1.131-00049 | ВЕСНА | 12 | ||
| 214 | K9004449 | ВЕСНА | 1 | ||
| 215 | 412-00013 | ПЛИТА, ТРЕНИЕ | 2 | ||
| 216 | 352-00014 | ПЛИТА РАЗДЕЛИТЕЛЯ (S/M) | 2 | ||
| 232 | K9007401 | УПЛОТНЕНИЕ, МАСЛО | 1 | ||
| 235 | S8001801 | КОЛЦЕОБРАЗНОЕ УПЛОТНЕНИЕ | 1 | ||
| 239 | S8002101 | КОЛЦЕОБРАЗНОЕ УПЛОТНЕНИЕ | 1 | ||
| 242 | 1.123-00053 | PIN, ПАРАЛЛЕЛЬ | 4 | ||
| 247 | S8061800 | ЗВЕНИТЕ, РЕЗЕРВНАЯ КОПИЯ | 1 | ||
| 248 | S8062100 | ЗВЕНИТЕ, РЕЗЕРВНАЯ КОПИЯ | 1 | ||
| 249 | K9007400 | НОСИТЬ, ШАРИК | 1 | ||
| 250 | 1.109-00026 | НОСИТЬ, ШАРИК | 1 | ||
| 260 | 1.409-00180 | ASSY ПОРШЕНЯ (2 СКОРОСТИ) | 1 kg | 1 | |
| 261 | 1.131-00042 | ВЕСНА | 1 | ||
| 267 | 1.540-00006 | ОСЬ | 2 | ||
| 275 | S8000081 | КОЛЦЕОБРАЗНОЕ УПЛОТНЕНИЕ | 2 | ||
| 400 | K9007413 | ИШАК „Y КЛАПАНА СБРОСА | 2 | ||
| 401 | *NA00890 | ПЛУНЖЕР | HE4D02504B | 1 | |
| 402 | 1.180-00527 | УПЛОТНЕНИЕ, ПОРШЕНЬ | 1 | ||
| 403 | *NA00079 | ТЕЛО | HE4D01468C | 1 | |
| 404 | S8060161 | ЗВЕНИТЕ, РЕЗЕРВНАЯ КОПИЯ | 5 kg | 2 | |
| 405 | S8000161 | КОЛЦЕОБРАЗНОЕ УПЛОТНЕНИЕ | 1BP16 | 3 | |
| 406 | S8010291 | КОЛЦЕОБРАЗНОЕ УПЛОТНЕНИЕ | 1 | ||
| 407 | *NA00926 | СТОПОРНОЕ УСТРОЙСТВО, ВЕСНА | 1 | ||
| 408 | *NA01182 | ВЕСНА | SIS | 1 | |
| 409 | *NA00796 | ПОРШЕНЬ | SIS | 1 | |
| 410 | S8000221 | КОЛЦЕОБРАЗНОЕ УПЛОТНЕНИЕ | 2 | ||
| 411 | S8060221 | ЗВЕНИТЕ, РЕЗЕРВНАЯ КОПИЯ | 3 | ||
| 412 | *NA00865 | ЗАТКНИТЕ, ОТРЕГУЛИРУЙТЕ | 1 |
Горячие продукты
Обзор клиента


Фабрика Superority



Обзор клиента


