Твердый низкоскоростной мотор 1386-2307 N.M, моментный двигатель радиального поршеня медленный высокий
Особенности:
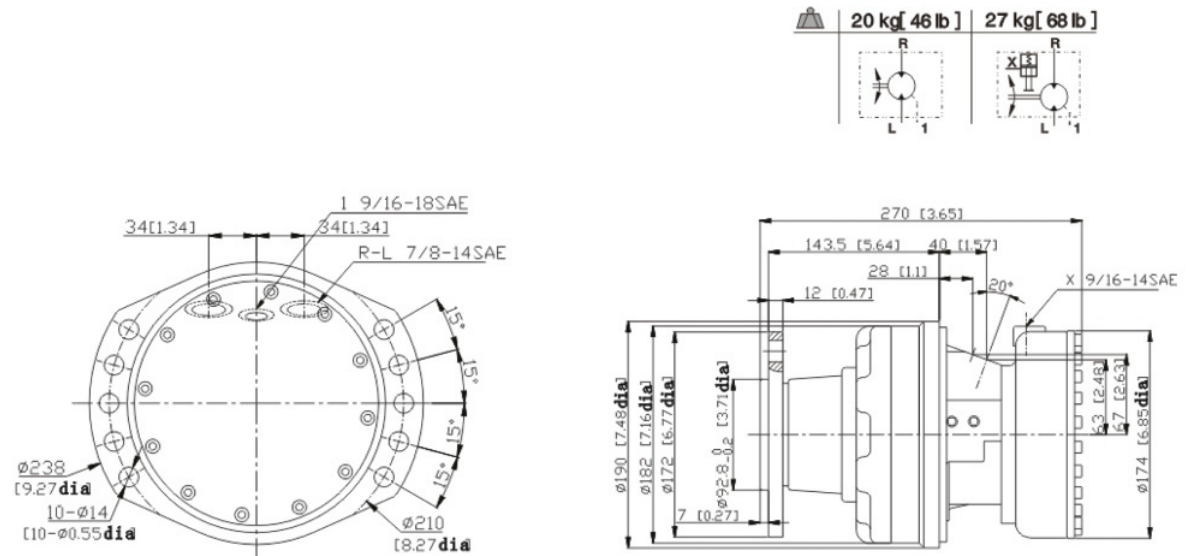
Гидравлический мотор поршеня MCR03
Радиальный тип поршеня,
Примите импортированное уплотнение подшипника и масла, etc,
Rexroth такая же замена мотора серии идеальная,
Конструированный в отсеках управления, комбайн свободно,
Высокая эффективность, высокое давление, малошумное,
Радиальный поршень, малая скорость, высокий вращающий момент.
Этот мотор серии гидравлический один вид мотора поршеня низкоскоростного высокого вращающего момента радиального с предварительным дизайном в подаче распределения диска, структуре поршеня, высокой оценке давления, плавном ходе на очень малых скоростях, доступных с различными клапанами, тормозами.
Оно получает широкое применение в строительной технике (затяжелителе кормила скида, сверле вниз--отверстия, роторном сверле, экскаваторе мини и midi, тележке смесителя, автомате для резки), минируя машинном оборудовании (заголовке дороги, шабере, сверхмощном вручая автомобиле, сверле угольной шахты), морском машинном оборудовании (кране на козлах), etc.
Диаграмма смещения серии MCR03:
| Тип | MCR03-225 | MCR03-255 | MCR03-280 | MCR03-325 | MCR03-365 | MCR03-400 | ||||||
| Смещение (ml/r) | Полный | Semi | Полный | Semi | Полный | Semi | Полный | Semi | Полный | Semi | Полный | Semi |
| 255 | 125 | 255 | 125 | 280 | 140 | 325 | 160 | 365 | 180 | 400 | 200 | |
| Максимальная сила (kw) | 18 | 12 | 18 | 12 | 18 | 12 | 22 | 14 | 22 | 14 | 22 | 14 |
| Вращающий момент несоответствия 10MPa давления | 405 | 202 | 405 | 202 | 445 | 222 | 517 | 258 | 580 | 290 | 636 | 318 |
| Расклассифицированный компрессор (MPa) | 25 | |||||||||||
| Максимальный вращающий момент (N.m) | 1386 | 1570 | 1760 | 1875 | 2105 | 2307 | ||||||
| (Полное смещение) | ||||||||||||
| Максимальное давление (MPa) | 40 | 40 | 40 | 40 | 40 | 40 | ||||||
| Проектная скорость (r/min) | 320 | 280 | 260 | 240 | 240 | 240 | ||||||
| Ряд скорости (r/min) | 10-400 | 10-360 | 10-330 | 10-310 | 10-280 | 10-260 | ||||||



Применения:
Машинное оборудование минирования: Машина угля выигрывая, заголовок дороги, шабер, сверхмощный регулируя автомобиль, сверло угольной шахты
Машинное оборудование инженерства: Затяжелитель кормила скида, сверло Вниз--отверстия, роторные экскаваторы сверла, мини и Midi, тележка смесителя, автомат для резки
Морское машинное оборудование: Кран на козлах


Размер соединения HMCR 03

Комната теста мотора
