Мотор Poclain MS83 0-65 R/Min низкоскоростного высокого вращающего момента тяжелой техники гидравлический для стального прокатного стана
Особенности:
ГИДРАВЛИЧЕСКИЙ МОТОР ПОРШЕНЯ MS83
1)Радиальный тип поршеня, малая скорость, высокий вращающий момент
2)Модульное проектирование, высокая эффективность
3)Высокие давление и плавный ход даже на очень малых скоростях.
4)Допустимое радиальное и аксиальная нагрузка, мотор с тормозом мульти-диска,
5)Проконтролированный смещением мотора, которое разделило одно-смещением и двух-смещением. Одно-смещение полный выход смещения, и двух-смещение контролируемое клапаном для того чтобы унести скорость своими полным смещением или половинным выходом смещения
Диаграмма смещения:
| Группа смещения | 8 | 0 | 2 |
| Смещение (ml/r) | 6679 | 8328 | 10019 |
| Теоретический вращающий момент 10Mpa (N.m) | 10620 | 13242 | 15930 |
| Проектная скорость (r/min) | 63 | 50 | 40 |
| Расклассифицированное давление (Mpa) | 25 | 25 | 25 |
| Вращающий момент тарифа (N.m) | 21700 | 27050 | 32550 |
| Максимальное давление (Mpa) | 31,5 | 31,5 | 31,5 |
| Максимальный вращающий момент (N.m) | 27050 | 33750 | 40600 |
| Ряд скорости (r/min) | 0-65 | 0-52 | 0-43 |
| Максимальная сила (kW) | стандартное смещение 220kw, переменное вращение 135kw приоритета смещения | ||
Применения:
Строительная техника
Машина экрана, манипулятор вковки, машина колеса ведра, оборудование бурения нефтяных скважин
Машинное оборудование минирования
Сверхмощный регулируя автомобиль, сверло угольной шахты
Морское машинное оборудование
Морской палубный судовой кран, оборудование крана на козлах.


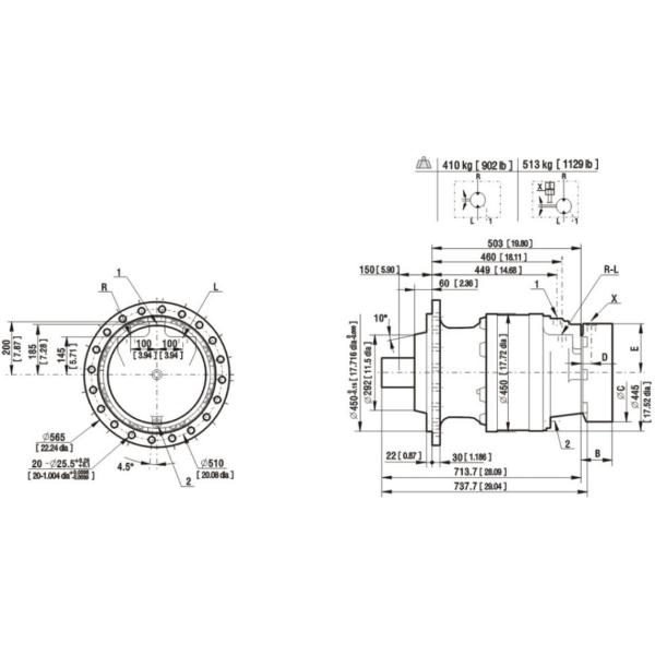
Размер соединения MS83

Взгляд мастерской:


Проверка качества:
