3м полный электрический подъемник для узкого пространства
- Компактный дизайн с средней работоспособностью с грузоподъемностью 110-136 кг, стабильный и экономичный, легко перемещаемый в ограниченных помещениях, таких как розничные магазины, небольшие склады и фабрики.
- ручка, разработанная по эргономическим принципам, легко управляемая с обеих сторон.
- Функция скорости черепахи применяется для медленного перемещения и помогает складывать грузы в узких пространствах.
- двигатель переменного тока, обеспечивающий превосходное ускорение, хорошую степень ускорения, низкую температуру, отсутствие углеродной щетки и отсутствие технического обслуживания.
- С индикатором батареи, переключателем и кнопкой экстренного выключения.
- С батареей без обслуживания 120AH, подходящей для самых требовательных приложений.
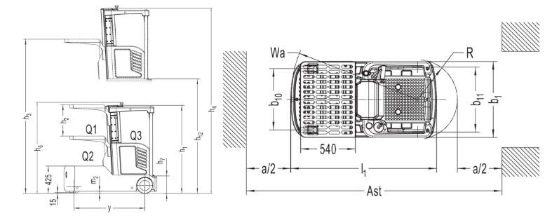
Спецификация:


Применение:
1Место проведения: рабочая мастерская, театр, больница, библиотека, ресторан, выставочный зал отеля и т.д.
2. Заказчик Признак: хранение, сбор
Почему вы выбрали CHENLIFT?
· Высокое качество
· Разумная цена
· Хорошо после обслуживания
· Годовая гарантия
· Более 10 лет опыта