Изображения продукции:
QT500-7 стальной блок клапана с диафрагмой аккумулятор экскаватор пилотный набор для подачи масла
Регулятор давления: Регулятор давления используется для управления и регулирования давления пилотного топлива.Он помогает поддерживать постоянный и желаемый уровень давления для правильной работы управляемых пилотом клапанов или приводов.
Управляющие клапаны: Управляющие клапаны в пилотном наборе питания маслом регулируют поток и направление гидравлического масла.или гидравлически и используются для управления приводом управляемых пилотом клапанов или приводов.
Трубки и фитинги: Комплект пилотного топлива включает в себя необходимые трубки и фитинги для подключения компонентов и направления гидравлического масла к управляемым пилотом клапанам или приводам.





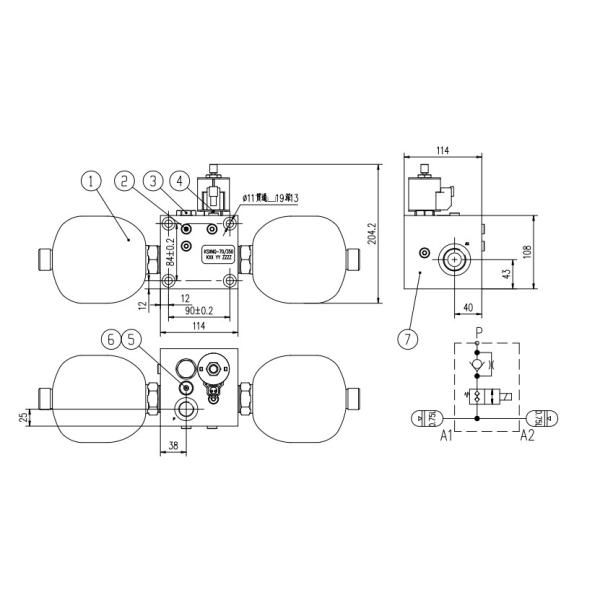
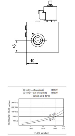
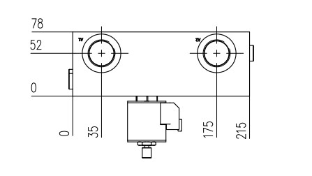
Некоторые ориентировочные чертежи пилотных масляных насосов:
Образец 1



Образец 2



Продукт реальные фотографии:




Выставки компаний:


Наш сертификат:


Процедуры обработки продукции:


Наша новая фабрика и мастерская:




Наш склад:

Перевозка:

Различные серии продуктов, подробнее, пожалуйста, свяжитесь с нами напрямую:
Гидравлические клапаны:
| Тип 1 | соленоидный клапан |
| Тип 2 | ручной клапан картриджа |
| Тип 3 | 2 направления 2 позиции соленоидный клапан |
| Тип 4 | 2 направленный 6-позиционный соленоидный клапан |
| Тип 5 | 2 направления 8 позиции соленоидный клапан |
| Тип 6 | Пилотный клапан с нефтяным ресурсом |
| Тип 7 | взрывозащитный клапан |
| Тип 8 | балансовый клапан |
| Тип 9 | контрольный клапан |
| Тип 10 | Гидравлический замок |
| Тип 11 | Манифесты клапанов |
| Тип 12 | блок клапана |
Добро пожаловать к нам!