Имя: Двухмерный модуль сканирования штрихкода
Модель: BT-321
Введение:
Платформа сканирования штрихкода BT321 штрихкод 1D и 2D продукт чтения кода барда с стандартным углом, высокой интеграцией, быстрой реакцией и высокой стабильностью.
BT321 может прочитать все виды штрихкодов основного направления 1D &2D.
Ультратонкая и компактная структура продукта, полная толщина продукта не превышает 29mm, которое могут значительно приспособиться к весьма требованиям потребителя.
Этот продукт можно приложить к оборудованию самообслуживания, оплате, управлению доступом, и другим полям.
Интерфейс связи:
Интерфейс связи прибора BT321 является следующим: USB HID-KBW, TTL-232, RS232, RS485
1. USB HID-KBW: Основанный на приборе эмулирования клавиатуры USB, его можно сразу соединиться с ПК как прибор подключей и играй. Никакой водитель необходим.
2. TTL-232: BT321 связывает с хозяином через серийный порт (уровень TTL), который приспосабливается к большинств системным архитектурам.
3. RS232: BT321 может связывать с интерфейсом хозяина через кабель (сигнал уровня RS232).
4. RS485: BT321 может связывать с интерфейсом хозяина через линию соединения (сигнал уровня RS485).
Регулирование потока оборудования интерфейса серийной связи не предусмотрено на BT321.
Конфигурация по умолчанию интерфейса серийной связи BT321 115200bps, 8-разрядные бит информации, никакое равенство, и 1 бит стопа.
Описание интерфейса:
Следующую на диаграмму показано линию описание последовательности и описание сигнала контактного разъема BT320 12 и микро- соединителя USB.

соединитель 12-pin (тангаж 1.25mm):
| PIN | Сигнал | I/O | Описание |
| 1 | VCC 1 | - | Потребляемая мощность 3.8V-16V (включая входной сигнал 5V) |
| 2 | VCC2 | - | Потребляемая мощность 3.0V-3.6V (включая входной сигнал 3.3V) |
| 3 | GND | - | Земля силы |
| 4 | D- | I/O | Сигнал данным по D- связи USB |
| 5 | D+ | I/O | Сигнал данным по связи D+ USB |
| 6 | TXD | O | Передача сигнала TTL-232 |
| 7 | RXD | Я | Прием сигнала TTL-232 |
| 8 | RS232-TX | O | Передача сигнала RS-232 |
| 9 | RS232-RX | Я | Прием сигнала RS-232 |
| 10 | 485-A | I/O | RS485 сигнал a |
| 11 | 485-B | I/O | RS485 сигнал b |
| 12 | NTrig | Я | Вызовите сигнал ввода, сдержите низший уровень для больше чем 20ms для того чтобы вызвать чтение |
Стандартный микро- соединитель USB:
| PIN | Сигнал | I/O | Описание |
| 1 | VCC | - | Потребляемая мощность 3.8V-16V |
| 2 | D- | I/O | Сигнал данным по D- связи USB |
| 3 | D+ | I/O | Сигнал данным по связи D+ USB |
| 4 | ID | - | NC |
| 5 | GND | - | Земля силы |
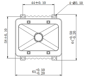
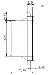
Габаритный чертеж:



Физический параметр:
Том головы развертки (высота ширины x длины x): 64 mm × 65 mm × 29 mm
Вес: 41,4 g
Датчик изображения: 100W пиксел CMOS
Расстояние опознавания развертки: 10-120 см
Режим считывания: пуск оборудования/индукция/непрерывные 3 режима
Свет напоминания: свет напоминания состояния 3-цвета
Тип развертки: тип изображения
Угол области видимости: 36° horizontals, 23° вертикаль, диагональ 55°
Чтение точности: ≥ 15mil кода ≥ 6mil QR кода 1D
(Опознавание штрихкода высокой плотности имеет короткую глубину поля)
Способность расшифровывать: Интерпретируйте стандартный одноразмерный, двухмерный штрихкод
Ввод напряжения: 3,0 ДО 3,6 VDC, 3,8 ДО 1 6 VDC
Работа настоящая: 232 мамы (пик)
Резервная сила: 25mA
Интерфейс ведущей системы: USB, TTL-232, RS232, RS485
Параметры окружающей среды:
Работая температура: -20 ° C | 70 ° C
Температура хранения: -40 ° C | 80 ° C
Влажность: 5%~95%, отсутствие конденсации
Окружающее освещение: 0~100,000