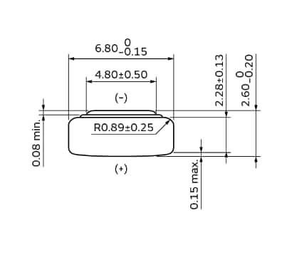
Батареи СТАРШЕГО электроники Murata микро- отличают свободной от ртут серебряной конструкцией окиси и предлагают 28mAh к номинальному ряду емкости 60mAh. Эти батареи имеют герметизируя структуру совмещенную с обработкой запечатывани-материала, обеспечивающ сопротивление утечки. Батареи СТАРШЕГО электроники Murata микро- идеальны для применения и функция медицинских и IoT на -10°C к температурной амплитуде рабочей температуры +60°C.





