ЧИП ИНДУКТОРЫ SMD ТИПА CM322522 CM453232 революционные высоконадежные компоненты с проволочной обмоткой
Краткое введение:
Серии CM322522 и CM453232 — это революционные, высоконадежные проволочные компоненты для связи, оборудования, инструментов, видео и аудио, которые были разработаны в ответ на тенденцию к более плотному монтажу деталей в электрических цепях.
Функции:
Высокая устойчивость к жаре и влажности;
Устойчивость к механическим ударам и давлению;
Точные размеры для автоматического поверхностного монтажа.
Материалы:
CM322522 Электрические характеристики
| ЧАСТЬ № | ИНДУКТИВНОСТЬ (мкгH) |
Q Мин. | ТЕСТ Частота (МГц) |
SRF Мин. (МГц) |
РДЦ Макс. (Ом) |
ИДЦ (мА) |
| СМ322522-Р12М | 0,12 ± 20% | 30 | 25,2 | 500 | 0,22 | 450 |
| СМ322522-Р15М | 0,15 ± 20% | 30 | 25,2 | 450 | 0,25 | 450 |
| СМ322522-Р18М | 0,18 ±20% | 30 | 25,2 | 400 | 0,28 | 450 |
| СМ322522-Р22М | 0,22 ± 20% | 30 | 25,2 | 350 | 0,32 | 450 |
| СМ322522-Р27М | 0,27 ± 20% | 30 | 25,2 | 320 | 0,36 | 450 |
| СМ322522-Р33М | 0,33 ± 20% | 30 | 25,2 | 300 | 0,40 | 450 |
| СМ322522-Р39М | 0,39 ± 20% | 30 | 25,2 | 250 | 0,45 | 450 |
| СМ322522-Р47М | 0,47 ± 20% | 30 | 25,2 | 220 | 0,50 | 450 |
| СМ322522-Р56М | 0,56 ± 20% | 30 | 25,2 | 180 | 0,55 | 450 |
| СМ322522-Р68М | 0,68 ± 20% | 30 | 25,2 | 160 | 0,60 | 450 |
| СМ322522-Р82М | 0,82 ± 20% | 30 | 25,2 | 140 | 0,65 | 450 |
| СМ322522-1Р0М | 1,0 ± 20% | 30 | 7,96 | 120 | 0,70 | 400 |
| СМ322522-1Р2М | 1,2 ± 20% | 30 | 7,96 | 100 | 0,75 | 390 |
| СМ322522-1Р5М | 1,5 ± 20% | 30 | 7,96 | 85 | 0,85 | 370 |
| СМ322522-1Р8М | 1,8 ± 20% | 30 | 7,96 | 80 | 0,90 | 350 |
| СМ322522-2Р2М | 2,2 ± 20% | 30 | 7,96 | 75 | 1,00 | 320 |
| СМ322522-2Р7М | 2,7 ± 20% | 30 | 7,96 | 70 | 1.10 | 290 |
| СМ322522-3Р3К | 3.3.± 10% | 30 | 7,96 | 60 | 1,20 | 260 |
| СМ322522-3Р9К | 3,9 ± 10% | 30 | 7,96 | 55 | 1.30 | 250 |
| СМ322522-4Р7К | 4,7 ± 10% | 30 | 7,96 | 50 | 1,50 | 220 |
| СМ322522-5Р6К | 5,6 ± 10% | 30 | 7,96 | 47 | 1,60 | 200 |
| СМ322522-6Р8К | 6,8 ± 10% | 30 | 7,96 | 43 | 1,80 | 180 |
| СМ322522-8Р2К | 8,2 ± 10% | 30 | 7,96 | 40 | 2.00 | 170 |
| СМ322522-100К | 10,0 ± 10 % | 30 | 2,52 | 36 | 2.10 | 150 |
| СМ322522-120К | 12,0 ± 10% | 30 | 2,52 | 33 | 2,50 | 140 |
| СМ322522-150К | 15,0 ± 10% | 30 | 2,52 | 30 | 2,80 | 130 |
| СМ322522-180К | 18,0 ± 10% | 30 | 2,52 | 27 | 3.30 | 120 |
| СМ322522-220К | 22,0 ± 10% | 30 | 2,52 | 25 | 3,70 | 110 |
| СМ322522-270К | 27,0 ± 10% | 30 | 2,52 | 20 | 5.00 | 80 |
| СМ322522-330К | 33,0 ± 10% | 30 | 2,52 | 17 | 5,60 | 70 |
| СМ322522-390К | 39,0 ± 10% | 30 | 2,52 | 16 | 6.40 | 65 |
| СМ322522-470К | 47,0±10% | 30 | 2,52 | 15 | 7.00 | 60 |
| СМ322522-560К | 56,0 ± 10% | 30 | 2,52 | 13 | 8.00 | 55 |
| СМ322522-680К | 68,0 ± 10% | 30 | 2,52 | 12 | 9.00 | 50 |
| СМ322522-820К | 82,0 ± 10% | 30 | 2,52 | 11 | 10.00 | 45 |
| СМ322522-101К | 100 ± 10% | 20 | 0,796 | 10 | 10.00 | 40 |
| СМ322522-121К | 120 ± 10% | 20 | 0,796 | 10 | 11.00 | 70 |
| СМ322522-151К | 150 ± 10% | 20 | 0,796 | 8 | 15.00 | 65 |
| СМ322522-181К | 180 ± 10% | 20 | 0,796 | 7 | 17.00 | 60 |
| СМ322522-221К | 220 ± 10% | 20 | 0,796 | 7 | 21.00 |
50 |
Идентификаторы продукта:
|
|
1. Тип: 2. Индуктивность: 3. Допуск: |
СМ322522 СМ453232 100 К (10 мкГн) Дж:±5%, К:±10%, М:±20% |
Конфигурация:

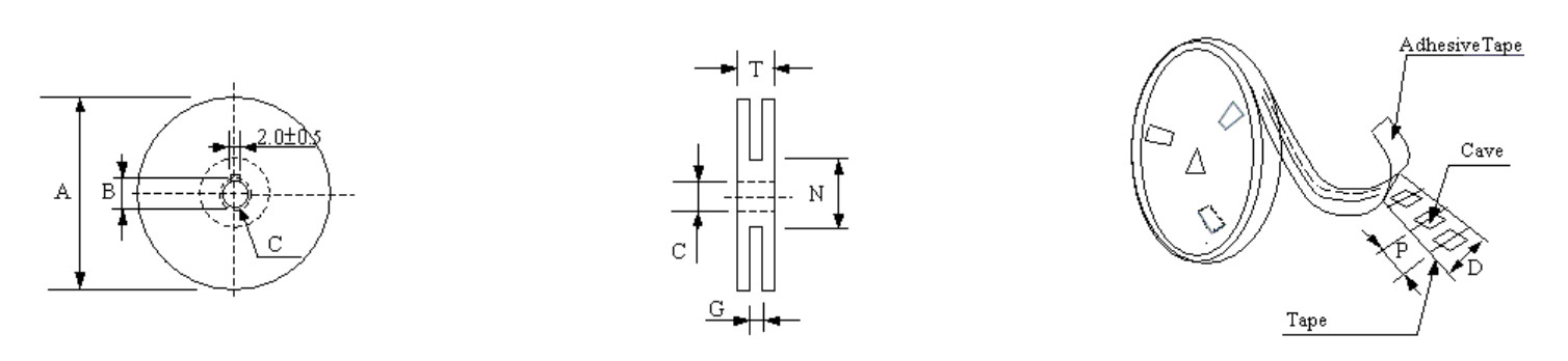
| Размер (мм) | СМ322522 | СМ453232 |
| л | 3,2±0,2 | 4,5±0,3 |
| L1 | 3,0±0,2 | 4,3±0,3 |
| ЧАС | 2,2±0,2 | 3,2±0,3 |
| Д | 2,5±0,2 | 3,2±0,2 |
| А | 0,4 |
0,4 |
| Б | 1,9±0,1 | 2,6±0,1 |
Упаковка

| ТИП | А | Б | С | Д | г | Н | Т |
| 8 мм | 178 | 21,0±0,8 | 13,0±0,5 | 8 | 10 Макс. | 50 мин. | 14,4 Макс. |
| 12мм | 178 | 21,0±0,8 | 13,0±0,5 | 10 | 14 Макс. | 50 мин. | 14,4 Макс. |
Индуктивность против.Характеристики суперпозиции постоянного тока

Q VS.Частотная характеристика

Изменение индуктивности VS.Температура

CM453232 Электрические характеристики
| ЧАСТЬ № | ИНДУКТИВНОСТЬ (мкГн) |
Q (мин) | ТЕСТ Частота (МГц) |
SRF Мин. (МГц) |
РДЦ Макс. (Ом) |
ИДЦ (мА) |
| СМ453232-Р10М | 0,10 ± 20% | 35 | 25,2 | 300 | 0,18 | 800 |
| СМ453232-Р12М | 0,12 ± 20% | 25 | 25,2 | 280 | 0,20 | 770 |
| СМ453232-Р15М | 0,15 ± 20% | 25 | 25,2 | 250 | 0,22 | 730 |
| СМ453232-Р18М | 0,18 ± 20% | 25 | 25,2 | 220 | 0,24 | 700 |
| СМ453232-Р22М | 0,22 ± 20% | 25 | 25,2 | 200 | 0,25 | 665 |
| СМ453232-Р27М | 0,27 ± 20% | 30 | 25,2 | 180 | 0,26 | 635 |
| СМ453232-Р33М | 0,33 ± 20% | 30 | 25,2 | 165 | 0,28 | 605 |
| СМ453232-Р39М | 0,39 ± 20% | 30 | 25,2 | 150 | 0,30 | 575 |
| СМ453232-Р47М | 0,47 ± 20% | 30 | 25,2 | 145 | 0,32 | 545 |
| СМ453232-Р56М | 0,56 ± 20% | 30 | 25,2 | 140 | 0,36 | 520 |
| СМ453232-Р68М | 0,68 ± 20% | 30 | 25,2 | 135 | 0,40 | 500 |
| СМ453232-Р82М | 0,82 ± 20% | 30 | 25,2 | 130 | 0,45 | 475 |
| СМ453232-1Р0К | 1,0 ± 20% | 40 | 7,96 | 100 | 0,50 | 450 |
| СМ453232-1Р2К | 1,2 ± 20% | 40 | 7,96 | 80 | 0,55 | 430 |
| СМ453232-1Р5К | 1,5 ± 20% | 40 | 7,96 | 70 | 0,55 | 410 |
| СМ453232-1Р8К | 1,8 ± 20% | 40 | 7,96 | 60 | 0,65 | 390 |
| СМ453232-2Р2К | 2,2 ± 20% | 40 | 7,96 | 55 | 0,70 | 380 |
| СМ453232-2Р7К | 2,7 ± 20% | 40 | 7,96 | 50 | 0,75 | 370 |
| СМ453232-3Р3К | 3,3 ± 10% | 40 | 7,96 | 45 | 0,80 | 355 |
| СМ453232-3Р9К | 3,9 ± 10% | 40 | 7,96 | 40 | 0,90 | 330 |
| СМ453232-4Р7К | 4,7 ± 10% | 40 | 7,96 | 35 | 1,00 | 315 |
| СМ453232-5Р6К | 5,6 ± 10% | 40 | 7,96 | 33 | 1.10 | 300 |
| СМ453232-6Р8К | 6,8 ± 10% | 40 | 7,96 | 27 | 1,20 | 285 |
| СМ453232-8Р2К | 8,2 ± 10% | 40 | 7,96 | 25 | 1,40 | 270 |
| СМ453232-100К | 10,0 ± 10 % | 40 | 2,52 | 20 | 1,60 | 250 |
| СМ453232-120К | 12,0 ± 10% | 40 | 2,52 | 18 | 2.00 | 225 |
| СМ453232-150К | 15,0 ± 10% | 40 | 2,52 | 17 | 2,50 | 200 |
| СМ453232-180К | 18,0 ± 10% | 40 | 2,52 | 15 | 2,80 | 190 |
| СМ453232-220К | 22,0 ± 10% | 40 | 2,52 | 13 | 3.20 | 180 |
| СМ453232-270К | 27,0 ± 10% | 40 | 2,52 | 12 | 3,60 | 170 |
| СМ453232-330К | 33,0 ± 10% | 40 | 2,52 | 11 | 4.00 | 160 |
| СМ453232-390К | 39,0 ± 10% | 40 | 2,52 | 10 | 4,50 | 150 |
| СМ453232-470К | 47,0±10% | 40 | 2,52 | 10 | 5.00 | 140 |
| СМ453232-560К | 56,0 ± 10% | 40 | 2,52 | 9,0 | 5,50 | 135 |
| СМ453232-680К | 68,0 ± 10% | 40 | 2,52 | 9,0 | 6.00 | 130 |
| СМ453232-820К | 82,0 ± 10% | 40 | 2,52 | 8,0 | 7.00 | 120 |
| СМ453232-101К | 100 ± 10% | 30 | 0,796 | 8,0 | 8.00 | 110 |
| СМ453232-121К | 120 ± 10% | 30 | 0,796 | 6,0 | 8.00 | 110 |
| СМ453232-151К | 150 ± 10% | 30 | 0,796 | 5,0 | 9.00 | 105 |
| СМ453232-181К | 180 ± 10% | 30 | 0,796 | 5,0 | 9.50 | 102 |
| СМ453232-221К | 220 ± 10% | 30 | 0,796 | 4.0 | 10,0 | 100 |
| СМ453232-271К | 270 ± 10% | 30 | 0,796 | 4.0 | 12,0 | 92 |
| СМ453232-331К | 330 ± 10% | 30 | 0,796 | 3,5 | 14,0 | 85 |
| СМ453232-391К | 390 ± 10% | 30 | 0,796 | 3.0 | 18,0 | 80 |
| СМ453232-471К | 470 ± 10% | 30 | 0,796 | 3.0 | 26,0 | 62 |
| СМ453232-561К | 560 ± 10% | 20 | 0,796 | 3.0 | 30,0 | 50 |
| СМ453232-681К | 680 ± 10% | 20 | 0,796 | 3.0 | 30,0 | 50 |
| СМ453232-821К | 820 ± 10% | 20 | 0,796 | 2,5 | 35,0 | 30 |
| СМ453232-102К | 1000 ± 10% | 20 | 0,252 | 2,5 | 40,0 | 30 |
Индуктивность против.Характеристики суперпозиции постоянного тока

Q VS.Частотная характеристика

Изменение индуктивности VS.Температура

Механические характеристики
| ТРЕБОВАНИЯ | ХАРАКТЕРИСТИКИ | МЕТОД ИСПЫТАНИЙ (DIS C 5321) |
| Терминальная сила | Нет признаков повреждения | Клеммы должны выдерживать усилие 0,5 кгс. в горизонтальном направлении |
| Вибрация | Δ L/L должно быть в пределах ±3%. Нет признаков повреждения |
2 часа в каждом направлении X, Y, Z на p-Board в диапазоне частот 10-55-10Гц с амплитудой 1,5мм |
| Отбрасывание | Δ L/L должно быть в пределах ±3%. Нет признаков повреждения |
Падение 1 м над землей из бетона или цемента |
| Стойкость к нагреву при пайке | Нет признаков повреждения Δ L/L должно быть в пределах ±3% |
Погрузить в припой (H63A) при 260±5°C на 10±1 сек, оставить на 2 часа при нормальной температуре |
| паяемость | Более 90% поверхности, подлежащей покрытию новой пайкой | АВ100В 60 СЕК. |
| Диэлектрик со стоячим напряжением | Отсутствие проверки пробивного резистора 1000 МОм и более | DC500V 30 сек. |
| Сопротивление изоляции | Нет признаков пробоя, резистор 1000 МОм и более | 500 В постоянного тока 30 сек. |
| НИЗКАЯ ТЕМП.Характеристики | Отсутствие признаков повреждения, Δ л/л в пределах ±5%,Q/Q в пределах ±30% |
Погрузить в припой (H63A) при 260±5°C на 10±1 сек, оставить на 2 часа при нормальной температуре. |
| ТЕМП.Катание на велосипеде | Нет признаков повреждения, Δ L/L в пределах ±5 | Держите 30 мин.при ТЕМП.от -25°C~+85°C при 5-тактном случае TEMP.изменение от низкого к высокому и VV |
| Температурные характеристики | Δ л/л в пределах ±3% | Δ L/L измеряется при температуре от -25°C до +85°C |
| Характеристики влажностной нагрузки | Отсутствие признаков повреждения, Δ л/л в пределах ±5%,кв/кв в пределах ±30 |
TEMP.40±2°C, влажность 90~95% 96± 2 часа, измерения должны быть выполнены через 1~2 часа при нормальной TEMP.. |
| Высокий темп.Характеристики перегрузки | Отсутствие признаков повреждения, Δ л/л в пределах ±5%,кв/кв в пределах ±30 |
Оставьте на 96 ± 2 часа в ванне с ТЕМПЕРАТУРОЙ 85 ± 2°C, измерения должны быть выполнены через 1-2 часа при нормальной ТЕМПЕРАТУРЕ. |
Информация для заказа продукта:
|
|
1. Тип: 2. Индуктивность: 3. Допуск: |
СМ322522 СМ453232 100 К (10 мкГн) Дж:±5%, К:±10%, М:±20% |