Камера определения температуры воспламенения индекса кислорода ISO4589-1
Стандарт
Оно основано на Пластмасс-определении ISO4589-1 горящего поведения кислородом index-part1: Наведение и Пластмасс-определение ISO4589-1 горящего поведения кислородом index-part1: Тест температуры окружающей среды.
Применение
Прибор соответствующий для теста сгорания индекса кислорода и образец который толщина образца чем 10.5mm может стоять чистосердечным и само-связанным в подаче кислорода и азота смешанной под определенные условия испытаний. Место теста где поддержан минимальный индекс концентрации кислорода необходим для сгорания образца. Он также применим к образцу с материалом насыпной плотности большим чем 100kg/m однородным твердым, прокатанным материалом или материалом пены, и несколькими материалов пены насыпная плотность которых чем 100kg/m в подаче кислорода и азота смешанной под определенные условия испытаний. Полигон где поддержан минимальный индекс концентрации кислорода необходим для сгорания образца.
Параметр
| Температура окружающей среды | 23℃±2℃ |
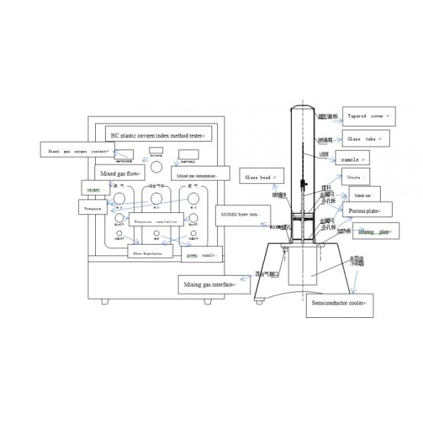
| Цилиндр сгорания | Установленный в загерметизированном танке |
| Высота цилиндра сгорания | 450MM |
| Внутри радиуса | 80M±2M |
| Диаметр конечной крышки отверстия подачи | 40±1MM |
| Расход потока выхлопного газа | 90MM/S. |
| Стеклянные бусины | 3-5 mm |
| Температура подачи смеси азота | 23 ℃ ℃ ±2 |
| Расход потока смешанного газа в цилиндре сгорания | 40 ±2 |
| Температура газа смеси в цилиндре сгорания | 23℃±2℃ |
Установка
1.Users должно прочитать стандарт ISO4589-1 осторожно, знакомо с и управляет требованиями различных индексов теста в стандарте, понимает состав оборудования, и умеет как оборудование соотвествует параметров.
В этом тесте, регулировка метода деятельности оператора и параметры имеют большее влияние на результатах теста. Тестер должен прочитать стандарт осторожно и работать строго согласно требованиям и шагам стандарта сделать тест repeatable.
В этом тесте, регулировка метода деятельности оператора и параметры имеют большее влияние на результатах теста. Тестер должен прочитать стандарт осторожно и работать строго согласно требованиям и шагам стандарта сделать тест repeatable.
распределительный ящик 2.The оборудования образца помещен на соответствующем операционном столе и цилиндр сгорания помещен в загерметизированной коробке с отработанным вентилятором. Connecte цилиндр сгорания и термопара в распределительном ящике и соединение трубки нагрева электрическим током, линии соединения между охладителем полупроводника и распределительным ящиком, соединяет электропитание распределительного ящика 220V.
резиновая трубка 3.A использована для того чтобы соединить сторону низкого давления клапана сброса давления на цилиндре кислорода с интерфейсом на распределительном ящике, и связь между сторона низкого давления клапана сброса давления на цилиндре азота и интерфейсе на распределительном ящике. Пластиковая труба со случайным приложением 8MM использована для того чтобы соединить быстрый интерфейс в распределительном ящике и под цилиндром сгорания.
4.Insert голова датчика температуры термопары (провода около 2MM голубого в диаметре) в небольшое отверстие в алюминиевой плите под цилиндром.
5.When электропитание оборудования повернуто дальше, работа системы датчика температуры, топления и рефрижерации автоматически, и температура цилиндра сгорания достигает 23 ℃ ±2 ℃.It может повернуть кислород на пульте управления и отрегулировать кнопку давления редуктора давления азота, и наблюдает манометром на панели для того чтобы сделать кислород на панели и манометре 0.1MP азота.
случайное приложение 6.The пефорировало плиту и сетка металла установлена в цилиндр сгорания. К человеческим стеклянным бусинам, установите сетку металла плиты верхнего слоя пористую. Согласно образцу, который нужно испытать, выберите соотвествующее приспособление образца быть установленным на штангу поддержки, который нужно использовать.
Определение полного расхода потока смешанных газов
стандарт 7.The определяет что расход потока смешанного газа в цилиндре сгорания 40±2mm/s.
Формула для высчитывать полный расход потока смешанных газов: Q=V.S
В формуле: Q: расход потока v газа смеси: скорость газа s смеси: зона раздела цилиндра сгорания
Диаметр цилиндра сгорания оборудования 80 mm.
Q=0.04 ² xπx0,04x60x1000=12.05±0.6L/MIN
(если диаметру изменений цилиндра, полный расход потока смеси нужно быть рассчитанным заново), то
кислород 8.Adjust регулируя ручку, делает подачу кислорода к 12.05L/MIN под давлением 0.1MP. Показывая значение массового счетчика- расходомера 12,05. Когда температура на термометре стабилизирована на 23 ℃ ℃ ±2, показывая значение метра содержания кислорода должно быть отрегулировано до 99.8-99.9, которое могут быть отрегулированы небольшим переменным сопротивлением на таблице содержания кислорода с небольшим консервооткрывателем случайного приложения.
Путем поворачивать кислород регулируя кнопку и раскрывая азот регулируя ручку, расход потока азота может достигнуть 12,05 Л/МИН под давлением 0.1MP, т.е., показывая значение массового счетчика- расходомера 12,05. Когда температура на термометре стабилизирована на 23 ℃ ℃ ±2, значение метра содержания кислорода должно быть выражано через 0-0.1.
Рассмотрение
1. Подготовьте 15 или больше образцов согласно стандарту.
Подготовка образца
Подготовка Само-связанных образцов материалов
Используя случайный нож гантели придатка отрезать вне материал расчалки собственной личности которому нужно быть испытанным в 15 частей или больше с пробивая машиной или использовать другие методы для того чтобы отрезать вне 15 частей собственной личности поддержали материал или больше, который нужно использовать.
Подготовка не-собственн-связанных образцов материалов
Отрезанные образцы не-собственн-связанных материалов до 15 частей или больше из образца 140x50mm ножницами или другими методами.
2. Выберите соотвествующее приспособление образца согласно стандарту и установите его к рамке поддержки в цилиндре сгорания.
3.Install образец, покрывают стеклянную лампу, и покрывают верхний конец крышки подачи.
4. Согласно тестовой программе, газ смеси с расходом потока 12 Л/МИН, давление кислорода на пульте управления и давление азота 0,1 расхода потока MP.The кислорода и азот определен известным и неизвестным индексом кислорода образца.
Когда индексу кислорода материала знан и нужно быть подтверженным сгоранием а если известный индекс кислорода 25, согласно стандарту, длина пламени распространяя вниз, то записывает секундомером. Если распространяя время нет достаточно или пламя потушено в пути, то кислород должен быть увеличен, и азот должен быть увеличен.
Когда индекс кислорода материала неизвестен, необходимо начать с индексом кислорода 18:
Примите значение содержания кислорода инициала как 18,0, полный расход потока смешанного газа 12,05 Л/МИН. наблюдает температурой регулятора на пульте управления ли если он на 23 ℃ ℃ ±2, то температура газа смеси стабилизирован к 23 ℃ ℃ ±2, и образец воспламенен после 30 S. согласно стандарту, длина пламени распространяя вниз записан секундомером. Если распространяя время нет достаточно или пламя потушено в пути, то кислород должен быть увеличен, и азот должен быть увеличен.
5.It наблюдаемое ли температура индикации термометра на пульте управления на 23 ℃ ±2 ℃.if температура ниже чем 23 ℃ ℃ ±2, нагревая кнопка должно быть раскрыто для того чтобы нагреть газ смеси, так, что газ смеси можно воспламенить на 23 ℃ ±2 ℃.If температура газа смеси 23 ℃ ℃ ±2, образец должен быть воспламенен после 30 S.
6. Сопло инициатора воспламенения withф2mm установлено (танк бутана будет куплен потребителем). Отрегулируйте количество газа в зоне бутана и воспламените пламя сопла так, что длина пламени будет 16 ±4 mm и образец воспламенен согласно методу и времени предписанным стандартом.
7. Если образец нельзя воспламенить, то увеличьте подачу кислорода, или уменьшите подачу азота в то же время. Согласно требованиям стандарта, увеличивая концентрацию кислорода смеси. Добавлен ли кислород или уменьшен, то же самое количество азота должно быть уменьшено или увеличено одновременно для обеспечения что полный расход потока смеси поддержан на 12,05 Л/МИН.
8.Burning: После воспламенять, время сгорания было записано с секундомером и длина сгорания наблюдалась, и представление сгорания однократной выборки было оценено согласно стандарту.
9. Определите рост или уменшение в концентрации кислорода смешанного газа основанного на одиночном тесте, и продолжите со следующим тестом.
10. Согласно требованиям и шагам стандарта, завершите тест остальных образцов, высчитать значение k, и согласно стандартному отклонению образца.
Диаграмма электрической схемы (прикрепленное изображение)
