ISO16750.4 вода дорожных транспортных средств статьи 5,4 брызгает выплеск 3s испытательной системы под 0-4°C к сымитированным окружающим средам
A. введение СИСТЕМЫ:
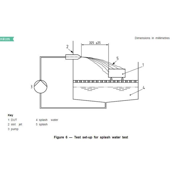
Оно соответствует ISO16750.4clause 5,4: Ударное испытание воды со льдом, он использован для безопасности испытывая для сымитированных окружающих сред электрических и электронных систем которые могут подлежать для того чтобы намочить брызгать на различных дорожных транспортных средствах.

Параметры B. технические:
| Модель | HH0807A |
| Образец теста | Электрическая и электронная система может подлежать намочить брызгать на дорожных транспортных средствах |
| Размер студии | (D×W×H) см 100×105×108 |
| Зона стенда теста | φ60cm |
| Подшипник стенда теста | 50kg |
| Установка высоты стенда теста | 20cm |
| диапазон температур | RT+10℃~150℃ |
| Тариф на отопление | RT+10℃~150℃≤40min |
| Сила | AC230V 50Hz или подгонянный |
| Система управления | Управление PLC Мицубиси электрическое |
| Интерфейс деятельности | деятельность экрана касания цвета 7 дюймов |
| Модель теста | Тест воды выплеска |
| Цикл теста | Дефолт 100 циклов, 0-9999 можно заранее поставить |
| Время выплеска | 3s |
| Жидкость теста | Деионизированный NaCl воды или +5% или пыль +3% Аризона точная |
| Температура воды теста | 0-4°C |
| Охлаждая тариф | 20℃~2℃≤60min |
| Подача воды | 3-4L/3s |
| Расстояние между инжекторной трубкой и образцом теста | 325±25mm |
| Ориентация воды выплеска | Образец помещен на turntable согласно фактической пользе, согласно обстановке на данный момент выбрать располагать (выплеск одно-направления) или режим вращения (мульти-дирекционные брызги) |
| Топление DUT | Система отопления |
Введение к структурному дизайну
Этот продукт сделан из высококачественных материалов, обработанный предварительным обрабатывающим оборудованием, и поверхность наружного кожуха распылена, красива и плоска. Цвет скоординирован, дуга конструирована, и линии ровны и естественны. Вкладыш конструирован для того чтобы быть ограниченным космосом во время работы и сделан из импортированной высококачественной нержавеющей стали. Крытый держатель образца и другие вспомогательные аксессуары сделаны из нержавеющей стали, с разумными дизайном и стойкостью. Под предпосылкой исполнять с национальными стандартами, оборудование практическиее и легко для того чтобы контролировать основанный на стабильности всех аспектов. Кроме того, прибор имеет характеристики легкой установки, простой деятельности, и легкого профилактического обслуживания.
1. Наружный кожух оборудования сделан из высококачественного гальванизированного механического инструмента CNC стальной пластины, и распылена поверхность наружного кожуха, который более ровен и красив.
2. Внутренний танк высококачественная панель зеркала нержавеющей стали SUS316; для того чтобы облегчить повторно использовать средства теста и чистку после Zui, дно студии оборудования конструировано как воронка;
3. Чистка оборудования: Множественные высокотемпературные разбрызгивающие головки чистки анти--корозии внутри студии оборудования. После оборудования программа закончена, клапан соленоида раскрыт, и очищая сопло соединенное с водой из крана мульти-дирекционная моя студия;
4. Прибор сопла двигая: Сопло зафиксировано на верхних и более низких кронштейнах с теплоизоляционным слоем. Когда температура высока, кронштейн двигает из работая камеры и двигает быстро в комнату работы во время распылять;
5. Счетчик- расходомер: Электронный измеритель скорости потока использован для того чтобы измерить подачу подачи воды теста, которая может контролировать, регулировать, показывать и аккумулировать подачу. Сигнал выхода 4~20mADC через конвертер, соединяется с центральным регулятором, был проконтролирован им и дисплеем;
6. Материал изоляции: хлопок стеклоткани высокой плотности для обеспечения проведения изоляции и для поддержания стабилизированной крытой температуры;
7. Дверь обеспечена с прозрачным окном для наблюдать изменением крытого образца. Обзорный иллюминатор сделан из разнослоистого неубедительного закаленного стекла;
8. Смешивая система принимает длинноосный вентиляторный двигатель и турбинку мульти-крыла нержавеющей стали высокой температуры устойчивую для того чтобы достигнуть вертикального цикла вертикальной диффузии конвекции, так, что температура и влажность в лаборатории будут равномерны и стабилизированы;
9. Двухслойная высокотемпературная устойчивая высокопрочная герметизируя прокладка использована между дверью и шкафом для обеспечения запечатывания испытательного участка. Внутренний материал двери двери сделан из нержавеющей стали, и ручка двери сделана без реакции, которая делает деятельность более легкой;
10. Отверстие теста (левую сторону машины) можно использовать для внешних силового кабеля теста или кабеля сигнала (апертуры 50mm);
11. Система насоса и рефрижерации оборудования установлена на дно, и компрессор импортирован от бренда Taikang во Франции для обеспечения охлаждающего действия и надежности.
12. Установите колесо PU высококачественного фиксированн-положения передвижное на дно машины, которая может легко двинуть машину к обозначенному положению и зафиксировать рицинус после Zui;
13. Контрольная часть оборудования конструирована на правильной стороне оборудования. Она распределена с регулятором температуры, командным выключателем, цистерной с водой, etc. легко работать, простой и легкий для поддержания.
Управление и система защиты цепи
С регулятором экрана касания LCD 7 дюймов, управление PLC может контролировать температуру, насос и подачу и время теста соответственно; подача сразу показана на экране касания.
1. Импорт компонентов;
2. Отсутствие переключателя предохранения от взрывателя;
3. Перегрузка, утечка, полностью обшитые терминальные блоки;
4. С автоматическим выключением и другой защитой;
Система охлаждения
1. Компрессор: полностью закрытая Франция Taikang;
2. Метод рефрижерации: механическая рефрижерация;
3. Режим конденсации: принудительное воздушное охлаждение;
4. Хладоагент: R404A (экологически дружелюбное);
5. Весь трубопровод системы испытан для теста вентиляции и утечки давления 48H;
6. Топление и система охлаждения совершенно независимы;
7. Внутренняя спиральная трубка меди хладоагента;
8. Испаритель наклона;
9. Сухой фильтр, окно подачи хладоагента, клапан ремонта, разделитель масла, клапан соленоида и жидкостный бак для хранения все импортированные первоначальные части;
Условия пользы
1. Температура окружающей среды: 5 ° C | +32 ° C
2. Окружающая влажность: ≤85%
3. Требования к электической мощности: Система 5-провода AC380 (±10%) V/50HZ трехфазная
4. Пре-установленная емкость: о 16KW
Изображение для ссылки:


