СИД водителя MP4026GJ-Z IGBT освещая электрические системы водителей монолитовые
1.DESCRIPTION
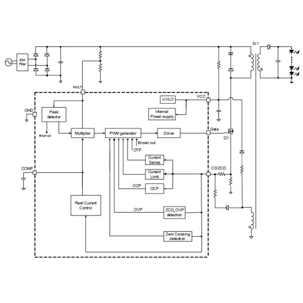
MP4026 контроль над основн сторон, автономный регулятор который достигает высокомощного фактора и точного СИД настоящих для изолированный, применения СИД освещения одно-сил-этапа в крошечном пакете TSOT23-6. Следующее поколени успешного MP4021A. Собственнический метод контроля над реальн настоящ точно контролирует СИД настоящее от данных по основн-стороны с хорошей регулировкой линии и нагрузки. Контроль над основн сторон исключает компоненты обратной связи вторичн-стороны и opto-муфту значительно для того чтобы упростить дизайн Водить-освещени-системы. MP4026 интегрирует коррекцию и работы сил-фактора в режиме переключения долины для уменьшения потерь MOSFET переключая. Особенности предохранения от MP4026 множественные значительно увеличивают надежность и безопасность системы. Эти особенности включают предохранение от перенапряжения, предохранение от короткого замыкания, предохранение от перегрузок по току основн-стороны, коричневую вне защиту, ограничиваться цикл--цикла настоящий, VCC замыкание недонапряжения, и предохранение от сверх-температуры автоматическ-рестарта
2FEATURES
• Реальн-настоящий контроль без цепи Вторичн-обратной связи
• Хорошая регулировка линии/нагрузки
• Фактор наивысшей мощности (≥0.9) над всеобщим вводом напряжения
• Режим переключения долины для улучшенной эффективности
• Предохранение от Брауна-Вне
• Предохранение от перенапряжения
• Предохранение от короткого замыкания
• Предохранение от Сверх-температуры
• Предохранение от перегрузок по току Основн-стороны
• Предел Цикл--цикла настоящий
• Входной сигнал UVLO
• Доступный в TSOT23-6
3.APPLICATIONS
• Промышленное и коммерчески освещение
• Жилое освещение
ЦЕПЬ ПРИМЕНЕНИЯ 4.TYPICAL

ССЫЛКА 5.PACKAGE

ФУНКЦИИ 6.PIN

ДИАГРАММА 7.FUNCTION

8.Why выбирают нас?
100% новое и originao с ценой преимущества
Высокая эффективность
Быстрая доставка
Профессиональное обслуживание команды
10 электронных блоков многолетнего опыта
Агент электронных блоков
Скидка преимущества логистическая
Превосходное послепродажное обслуживание