Переключатель весны фабрики PCB/SMD бинарный закодированный возвращенный вращающийся с управлением цепи
Спецификации
1, допустимая мощность на контактах
Переключение: 5VDC 20mA (MIN. AC/DC 20mA)
Не переключающ: (Максимальное 50VDC 100mA)
2, контактное сопротивление: 100mΩ Макс
3, сопротивление изоляции: 1,000MΩ MIN. на 100VDC
4, диэлектрическая прочность: 250VAC на 1 минута
5, работая сила:
400gf/cm максимальное (стандарт)
200gf/cm максимальное (тип n)
6, жизнь: 20 000 шагов
7, рабочая температура:
-40C~+85C
-40 ' C~+125C (паять Reflow)
7, ature закала хранения: -40C~+85C
8, паять волны: Sec 270C 5. Максимальный.
9, паять Reflow: Sec 260C 10~ 30. Максимальный.
10, паять руки: Sec 350C 3. Макс

| Детали | Стандарт | |
| Температурная амплитуда рабочей температуры | -40 ' O~+85<C | |
| Электрическое представление | Оценка переключателя | 5VDC 100mA |
| Оценка Не-переключателя | 50VDC 100mA | |
| Стойкость | Продолжительность жизни | 10 000 шагов |
| Механическое представление | Работая сила | 2N максимальное. |
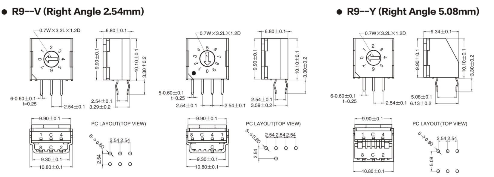
Формат кода
| Положения No.of | (16 положений) | |||||||||||||||||
| (10 положений) | ||||||||||||||||||
| (08 положений | ||||||||||||||||||
| Положение | 0 | 1 | 2 | 3 | 4 | 5 | 6 | 7 | 8 | 9 | B | c | D | E | F | |||
| Код | Реальный код | 8 | • | • | • | • | • | • | • | • | ||||||||
| 4 | • | • | • | • | • | • | • | • | ||||||||||
| 2 | • | • | • | • | • | • | • | • | ||||||||||
| 1 | • | • | • | • | • | • | • | • | ||||||||||
| Код Complem- entary | 8 | • | • | • | • | • | • | • | • | |||||||||
| 4 | • | • | • | • | • | • | • | • | ||||||||||
| 2 | • | • | • | • | • | • | • | • | ||||||||||
| 1 | • | • | • | • | • | • | • | |||||||||||
Пакет
| P/N | Нет. поляка | Количество в трубку | P/N | Нет. поляка | Количество в трубку |
| R92_H/T/S | 08/10/16 | 50 | R9_0/1S-R | 08/10/16 | 600 |
| R92_V/Y | 08/10/16 | 45 | R9_2/3S-R | 08/10/16 | 350 |
| R93_H/T/S | 08/10/16 | 50 | R9_7S-R | 08/10/16 | 200 |
| R93_V/Y | 08/10/16 | 45 | R9_7H/T-R | 08/10/16 | 140 |
| R94_H/T/S | 08/10/16 | 50 | |||
| R94_V | 08/10/16 | 45 | |||
Особенности

вопросы и ответы
Q1.Are вы фабрика или торговая компания?
A1.We изготовитель который специализирует в переключателе.
Q2.How делает вашу фабрику сделать относительно проверки качества?
Отдел контроля качества A2.Our весьма ответственен за качество проверяя от всего сырья к готовым товарам в каждом процессе с профессиональными машинами и тестерами.
Q3.When могу я получить цену?
A3.Usually мы закавычим в течение 24 часов после того как мы получаем ваше дознание.
Q4.Can вы обеспечить некоторые образцы для меня?
A4.We может снабдить свободные образцы вы, но вы себя должны позволять грузя гонорар.
Q5.What цена доставки?
A5. в зависимости от порта доставки, цена меняет.
Q6.Do вы признавать небольшие заказы?
A6. конечно. мы сделаем наше самое лучшее для того чтобы служить вы независимо от того, какой количество.