CANROON было компанией для того чтобы развить инверторы частоты к рынку. Они помогают операторам установки к значительно
уменьшите их расходы установки и обеспечьте разнообразие варианты для конструировать их заводы в модульной системе
без потребности для шкафов контроля. Наше портфолио технологии инвертора также включает приборы для регенеративной силы
поставки которые можно совместить с одними или больше инверторами частоты и инверторами привода.
Ряд силы инвертора: 0.4kW к 500kW
Ввод напряжения: 1 участок 220V, 230V, 240V изменяет тариф 15% плюс-минус
Напряжение тока выхода: 3 участок 0 к расклассифицированному вводу напряжения
контролируемый вектор инвертор частоты
Контролируемый вектор инвертор частоты не контролирует мотор AC используя коэффициент напряжения тока/частоты, а мимо
менять частоту и напряжение тока входного сигнала мотора. Преимущество этого метода оптимальное управление вращающего момента.
контролируемые Вектор инверторы частоты предлагают другие преимущества тоже. Например, трехфазные моторы могут
сделать сразу высокоскоростные начала, и регулировки скоростей может быть более близко контролируем.
Привод инвертора частоты 3 ac инвертора силы воздушного охлаждения участка 380V портативный к конвертеру ac
Преобразователь частоты имеет много функций защиты, как перегрузки по току, перенапряжение, предохранение от перегрузки и так далее.
С непрерывным улучшением промышленной автоматизации, преобразователи частоты также широко были использованы.
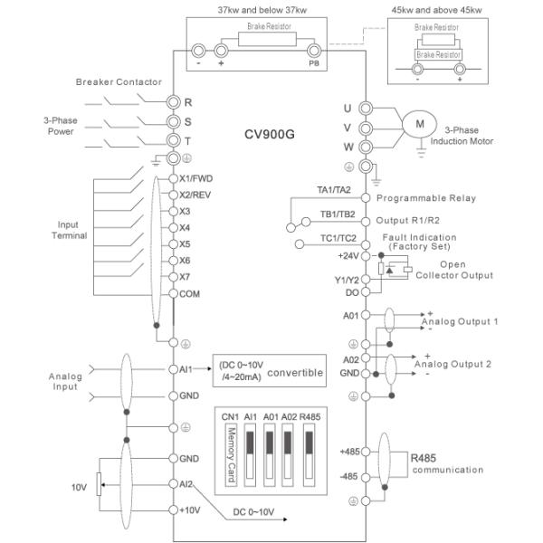
Инвертор частоты серии CV900G включил передовую технологию векторного управления потока. Высокий выход вращающего момента полного
частота, быстрый ответ, идеальная приспособляемостьь нагрузки, высокая точность контроля скорости и хорошая надежность, которая
обеспечьте его для того чтобы соотвествовать высокий различного применения поля.
Привод инвертора частоты 3 ac инвертора силы воздушного охлаждения участка 380V портативный к конвертеру ac
Режим контроля 1,4
2, Ultralow шум
3, высокое идущее Freq.
4, превосходный выход вращающего момента
5, высокая емкость перегрузки
6, предохранение от контроля


| Входной сигнал | Расклассифицированное напряжение тока, частота |
трехфазное (4T#sereis) 380V; 50/60HZ 1-phase (2S#series) 220V; 50/60HZ |
| Позволенный ряд напряжения тока |
трехфазное (4T#series) 320V~460V 1-phase (2S#series) 160V~260V |
|
| Выход | Напряжение тока |
4T#series; 0~460V 2S#series; 0~260V |
| Частота | Низкочастотный режим: 0~300HZ; Высокочастотный режим: 0~3000HZ | |
| Емкость перегрузки |
Тип g: 110% для долгосрочности, 150% на 1 минута, 180% для 5s Тип p: 105% для долгосрочности, 120% на 1 минута, 150% для 1s |
|
| Режим контроля |
Управление V/F, выдвинуло управление V/F, управление разъединения V/F, электрическое настоящее векторное управление |
|


Машина чертежа, ткань, машинное оборудование упаковки, табак, делать бумаги, каменное машинное оборудование, минируя машинное оборудование,
машинное оборудование печатания, еда, химикат, передача, провод и кабель, металлургия, механические инструменты, машинное оборудование древесины,
керамическая промышленность, строительные материалы, и очень больше индустрий.







Наш привод инвертора частоты обслуживаний 3 ac инвертора силы воздушного охлаждения участка 380V портативный к конвертеру ac
1. держите качество сперва и делайте больше продуктов помочь к нашим клиентам потребности
2.about наше обслуживание онлайн/продажи
супер и твердая доставка качества, быстрых и пунктуальных, стандартный пакет экспорта или как потребность клиентов.
обслуживание 3.After-sale
Помощь к вашему проекту, ремонтировать и обслуживание если любая проблема происходит в гарантии, установке и
клерк тренировка, запасная часть и нося части бесплатно или с большой скидкой, любая обратная связь машин можно сказать к
мы, и мы попробуем наше самое лучшее для того чтобы поддержать вас.
Привод инвертора частоты вопросы и ответы 3 ac инвертора силы воздушного охлаждения участка 380V портативный к конвертеру ac
1. Вы торговая компания или изготовитель?
Мы изготовитель расположенный в Шэньчжэне, Китае, специализированном в силе топления индукции в течение многих лет.
2. Ваша компания торговая фирма? или фабрика?
Мы фабрика с многолетним опытом 12 в Китае. Добро пожаловать к нашей фабрике если вы любите.
3. Q: Как ваше качество продукции?
Как изготовитель, мы имеем нашу собственную команду НИОКР. И наша машина хорошо была узнана вокруг наших клиентов в Китае, так же, как теми от за рубежом.
4. Я настолько не знаком с вашей машиной теперь. Я не уверен я могу использовать его хорошо если я покупаю его от вас?
Не потревожьтесь об этом больше. С машиной, мы отправим вами брошюру с подробной информацией с нашей деятельностью машины. Если вам, то видео также доступно.