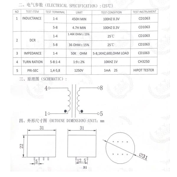
50K:600 Пермалой Аудио Трансформатор - это высокопроизводительный и специализированный компонент в области аудиосистем.магнитный сплав, известный своими исключительными магнитными свойствами, такими как высокая магнитная проницаемость и низкая потеря гистерезаЭтот трансформатор предназначен для обработки аудиосигнала, соотношение 50K: 600 указывает на преобразование импеданса между его первичной и вторичной обмотками.что делает его идеальным для сопоставления импеданса различных аудиоустройствВ аудио приложениях он играет решающую роль в эффективной передаче аудиосигнала при минимизации искажения сигнала и шума.высококачественные аудиоусилители, или другого аудио оборудования, где чистое качество звука имеет первостепенное значение, этот трансформатор гарантирует, что аудиосигналы точно усиливаются и передаются.Конструкция ее постоянного сплава не только улучшает магнитное соединение между обмотками, но и обеспечивает отличную электромагнитную защитуБлагодаря точному сопоставлению импеданс и превосходным магнитным характеристикам, 50K:600 Пермалоевый аудиотрансформер является ключевым элементом в достижении высокопроизводительности аудио воспроизведения и поддержания целостности аудио систем.
| Особенность | Соответствующее применение |
| Отличная магнитная производительность | Из-за его выдающихся магнитных свойств, таких как высокая магнитная проницаемость и низкая гистерическая потеря вечного сплава,применяется в профессиональных студиях звукозаписи для обеспечения эффективной и беспотерийной передачи звукового сигнала с высокой точностью. |
| Точное сопоставление импеданс | С его соотношением импеданса 50K: 600 для точной совместимости импеданса, он используется в высококлассных аудиосистемах для подключения различных устройств, таких как аудиоисточники, усилители и динамики,минимизация отражения сигнала и максимизация передачи мощности для лучшей общей производительности. |
| Низкое искажение | Благодаря хорошей линейности, обеспечиваемой магнитными свойствами пермалоя, что приводит к низкому искажению, он используется в аудиооборудовании аудиофила, чтобы воспроизвести самый аутентичный и чистый звук,предоставление отличного прослушивания для любителей музыки. |
| Сильная электромагнитная защита | Благодаря превосходным электромагнитным защитным характеристикам пермалоя,применяется в сложных электромагнитных средах радиовещательных станций для защиты аудиосигналов от внешних помех и обеспечения чистоты и стабильности аудиовыхода.. |
| Широкий диапазон частотной реакции | С его способностью поддерживать широкий диапазон частотного ответа, он подходит для различных аудио устройств в домашних кинотеатрах,позволяет точно воспроизводить как глубокие басы, так и четкие требла в различных музыкальных стилях для богатого слухового опыта. |
| Прочность и стабильность | Из-за физической и химической устойчивости пермалоя, он используется в долгосрочных работающих аудиосистемах в сценариях публичных выступлений,поддержание постоянной производительности независимо от факторов окружающей среды, таких как изменения температуры и влажности. |
| Заявление на профессиональном уровне | Учитывая его выдающиеся характеристики производительности, он используется в профессиональных аудио областях, таких как высококлассные аудиоусилители в концертных залах,отвечает строгим требованиям к качеству звука и производительности оборудования. |





