Емкостный передатчик 3351 датчика давления, датчик перепада давления
1. Обзор
Емкостный передатчик давления (емкостный тип датчик давления) передатчик давления который использует емкостный чувствительный элемент для того чтобы преобразовать измеренное давление в электрический выход с некоторым отношением. Он охарактеризован низкой энергией входного сигнала, высокой динамической характеристикой, небольшими естественными влияниями, и хорошей экологической приспособляемостьью. Он фильм круга металлопленочный или металл-покрытый как электрод конденсатора. Когда мембрана будет деформирована давлением, емкость сформировала между мембраной и фиксированными заменами электрода. Через измеряя цепь, электрический сигнал с некоторым отношением с напряжением тока может быть выходом. Емкостный датчик давления емкостный датчик с переменным расстоянием поляка. Его можно разделить в одиночный емкостный датчик давления и дифференциальный емкостный датчик давления.
2. Конфигурация
| Тип | Код спецификации | Иллюстрация | |||
| ¨¨¨C ML3 | --------------------------------- | Новый Н тип уровень жидкости, передатчик давления | |||
| Точность | 3-------------------------------- | ±0.5% | |||
| 0-------------------------------- | ±0.075% | ||||
| Выход | 5-------------------------------- | 4-20mA, ХАРТ | |||
| Датчик | 1-------------------------------- | Емкостный датчик | |||
| C-------------------------------- | |||||
| Измеряя ряд | 3-------------------------------- | 0-1.3~7.5KPa (0-127~762mmH2O) | |||
| 4-------------------------------- | 0-6.2~37.4KPa (0-635~3810mmH2O) | ||||
| 5-------------------------------- | 0-31.1~186.8KPa (0-3175~19050mmH2O) | ||||
| 6-------------------------------- | 0-117~690KPa (0-1.2~7Kgf/cm2) | ||||
| 7-------------------------------- | 0-0.345~2.068MPa (0-3.5~21Kgf/cm2) | ||||
| 8-------------------------------- | 0-1.170~6.890MPa (0-12~70Kgf/cm3) | ||||
| Материал части для того чтобы соединить средство | Отростчатое соединение | Сброс/дренажный клапан | Диафрагма изоляции | Заполняя жидкость | |
| 2-------------------------------- | Нержавеющая сталь 316 | Нержавеющая сталь 316 | Нержавеющая сталь 316 | Силиконовое масло | |
| 3-------------------------------- | Hastalloy c | ||||
| 4-------------------------------- | Monel | ||||
| 5-------------------------------- | Тантал | ||||
| 3-------------------------------- | Hastalloy c | Hastalloy c | Hastalloy c | ||
| 5-------------------------------- | Тантал | ||||
| 4-------------------------------- | Monel | Monel | Monel | ||
| Заголовок дисплея | D-------------------------------- | Множественный заголовок дисплея СИД цифров параметров и методов | |||
| N-------------------------------- | Отсутствие заголовка дисплея | ||||
| Соединение трубы | 4-------------------------------- | Гаечная резьба 1/2 NPT | |||
| 7-------------------------------- | Внешняя нарезка 1/2 NPT | ||||
| 8-------------------------------- | Внешняя нарезка G1/2 | ||||
| 9-------------------------------- | Внешняя нарезка M20*1.5 | ||||
| Электрический интерфейс | 5-------------------------------- | Водоустойчивый концентратор M20*1.5 | |||
| Дополнительный тип | - NF1---------------------------- | Бывший-защитное свидетельство безопасности: Exd II CT6 | |||
| - NS1---------------------------- | Внутреннеприсущая сертификация безопасности: Exi II CT4 | ||||
| - Q------------------------------- | Другие конвенции доступны | ||||
| Примечания: | |||||
| например: ML3051C-42D95-NF1 | |||||
| *: Стандарт | |||||
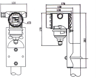
3. Размер


4. Электрическое соединение

