Измеритель прокачки санитарного напитка еды электромагнитный с высокой эффективностью
1. Введение
Счетчик- расходомер MLF электромагнитный работает согласно закону Фарадея электромагнитной индукции, и составлен датчиков и конвертеров. Использованный для того чтобы измерить проводимость жидкостного или твердой. Вообще, своя проводимость должна быть больше чем 5μs/cm (проводимость воды из крана и сырой воды около 100 | 500μs/cm), и ее можно также использовать для того чтобы измерить кислоту, алкали, рассол, пульпу или пульпу и другие средства массовой информации. Однако, эти средства массовой информации не могут содержать большое количество магнитных вещества и пузырей.
Счетчик- расходомер MLF электромагнитный аппаратура для измерять жидкостную текучесть. Широко использованный в металлургии, химической промышленности, делать бумаги, охране окружающей среды, нефти, ткани, еде, городском управлении, водоросли и других индустриях.
2. Быстрые детали
1) оно высокоомно, дизайн быстрой реакции может сделать невозмущенное собрание слабых сигнала и быстрой реакции к изменениям подачи. Свой тариф ряда может достигнуть 100: 1.
2) счетчик- расходомер MLF электромагнитный взрывозащищенный дизайн.
3) низкая функция измерения проводимости.
4) там 9 вариантов языка для того чтобы отвечать потребностямы различных клиентов.
5) оно имеет функцию и само-тест самовыравнивания.
6) различные выходы опционные: Харт, RS485, Profibus, 4-20mA, частота, ИМП ульс.
3. Выбор материала вкладыша
| Материал вкладыша | Основное представление | Применение |
| PTFE |
1 самые стабилизированные химические свойства в пластмассах, устойчивые к кипя хлориду и масляной серной кислоте водопода, азотноводородной кислоте, царской водке, сильным основаниям и различным органическим растворителям, но не устойчивый к корозии трехфтористого хлора, высокотемпературного трифторида азота, жидкостного фтора, жидкого кислорода и озона. Низкое сопротивление носки 2. Низкое сопротивление отрицательного давления 3. |
1. -25~140℃ 2. Сильное средство корозии, как сильные кислота и алкали 3. Средство здравоохранения |
| CR | Доказательство масла, растворяющее сопротивление, сопротивление oxidatite и сопротивление к размыванию общего средства как кислота, алкали, соль, etc. |
1. <80℃ 2. Смогите измерить нечистоты и грязь |
| PU |
1. Очень хорошая износостойкость при работе на истирание, гибкость. 2. Низкое сопротивление кислоты и алкалиа. |
1. <65℃ 2. Нейтральное сильное средство сопротивления ссадины |
| Крепко резиновое |
1. комнатная температура, хлористо-водородная кислота, укусная кислота, щавелевая кислота, амиак, фосфорная кислота и масляная серная кислота 50%, окисоводопод натрия, окисоводопод калия 2. Избегите сильных окисляя агентов |
1. <80℃ 2. Общая кислота, алкали, солянное раствор |
| PFA |
1. Смогите быть использовано для большинств въедливого средства как acides, алкалиы, и сильный оксидант. 2. Высокая материальная прочность, сопротивление к стареть, лучший чем PTFE, EFP в высокой температуре 3. Инжекционный метод литья для более высокого отрицательного давления |
1. 40~180℃ 2. Сильное средство корозии, как сильные кислота и алкали 3. Mdium здравоохранения |
| FEP (F46) |
1. Hydrophobicity и не-вязкостное 2. Коррозионная устойчивость уступает качеству к PFA 3. Отрицательное давление |
1. 40~180℃ 2. Сильное средство корозии, как сильные кислота и алкали 3. Mdium здравоохранения |
4. Выбор материалов электрода
| Материал электрода | Основное представление |
| 316L | Хорошее сопротивление к корозии азотноводородной кислоты, масляной серной кислоты <5% под комнатной температурой, укусной кислоты, алкалической жидкости, сульфита под некоторым давлением, морской воды и scetic кислоты, etc. его можно широко использовать в петрохимической мочевине, vinylon. |
| Hb |
Хорошее сопротивление ко всей концентрации под температурой кипения хлористо-водородной кислоты, но также устойчивый к не-окисляя кислоте, алкалиу, масляной серной кислоте, фосфорной кислоте, плавиковой кислоте, органической кислотной коррозии. |
| Hc | Корозия окисляя кислот, как азотноводородная кислота, смешанные кислоты. Смесь метахромовой кислоты и масляной серной кислоты, окисленных солей, как Fe3, Q3, и некоторые другие оксиданты, как смесь решения и морской воды гипохлорита над нормальной температурой. |
| Ti | Устойчивый к корозии морской воды, различных хлоридов, гипохлорита, окисляя кислот (включая дымящая азотная кислота), органических кислот или оснований, но чистых reductive кислот (например, масляной серной кислоты, хлористо-водородной кислоты) etc. но если кислота содержит оксиданты (как азотноводородная кислота, Fe3, Q3), то коррозионной устойчивости уменьшит. |
| Животики | Хорошая коррозионная устойчивость подобная стеклу. Сопротивление к корозии химического средства (включая хлористо-водородная кислота и fumiing масляная серная кислота), но нельзя использовать для жидкости hydromide натрия. |
| Pt-инфракрасн | Имейте хорошую коррозионную устойчивость всей кислоты, и смогите быть сопротивлением к корозии алкалиа, всему соли за исключением царской водки, предкрылка аммония и немногий другое средство |
| Карбид вольфрама | Для пульпы и нечистот, хорошее сопротивление к твердому взаимодействию частицы. |
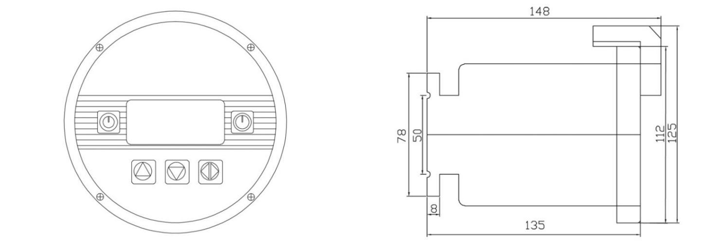
5. Габаритные эскизы
a. Размер конвертера

Разделенный тип

Интегрированный тип

Тип батареи использующий энергию
b. Размер датчика

| Диаметр трубопровода | Размер | ||
| L | W | H | |
| 15 | 160 | 95 | 130 |
| 20 | 160 | 105 | 137 |
| 25 | 160 | 115 | 150 |
| 32 | 160 | 135 | 160 |
| 40 | 200 | 145 | 175 |
| 50 | 200 | 160 | 185 |
| 65 | 200 | 180 | 205 |
| 80 | 200 | 195 | 215 |
| 100 | 250 | 215 | 235 |
| 125 | 250 | 245 | 275 |
| 150 | 300 | 280 | 300 |
| 200 | 350 | 335 | 355 |
| 250 | 400 | 400 | 405 |
| 300 | 500 | 455 | 460 |
| 350 | 500 | 515 | 520 |
| 400 | 600 | 575 | 580 |
| 450 | 600 | 635 | 630 |
| 500 | 600 | 710 | 685 |
| 600 | 600 | 835 | 795 |
| 700 | 700 | 905 | 910 |
| 800 | 800 | 1020 | 1030 |
| 900 | 900 | 1120 | 1120 |
| 1000 | 1000 | 1245 | 1250 |
| 1200 | 1200 | 1465 | 1470 |
6. Испытание & обслуживание аппаратуры
Электромагнитный счетчик- расходомер имеет функцию самодиагностирования. В дополнение к отказам цепи электропитания и оборудования, система также дает сигнал тревоги другим недостаткам вообще использует. Эти сообщения пробуждены в правом нижнем угле экрана.
1 обслуживание и ремонт.
A) место установки датчика должно соотвествовать раздела 4, пожалуйста держит раковину чистый и аккуратный.
B) передатчик должен быть помещен в чистом, провентилированном и сухом месте.
C) для этого нужно быть проверенным каждые 2 лет, и для высокоточных потребителей, аппаратуре нужно быть представленным для обзора.
2 транспорт и хранение.
A) оборудование необходимо упаковать перед транспортом и обращаться осторожно во время нагружать и разгружать.
B) место хранения должно быть сухо и провентилированный для избежания размывания коррозионных газов и температуры окружающей среды не должно быть слишком низки или слишком высоки.
C) продолжительность хранения не должна превысить 3 лет.
3. осмотр Вне---коробки.
A) пакет нельзя раскрыть с тяжелым молотком, быть осторожным не повредить аппаратуру.
B) осторожно проверка содержание согласно пакуя списку.