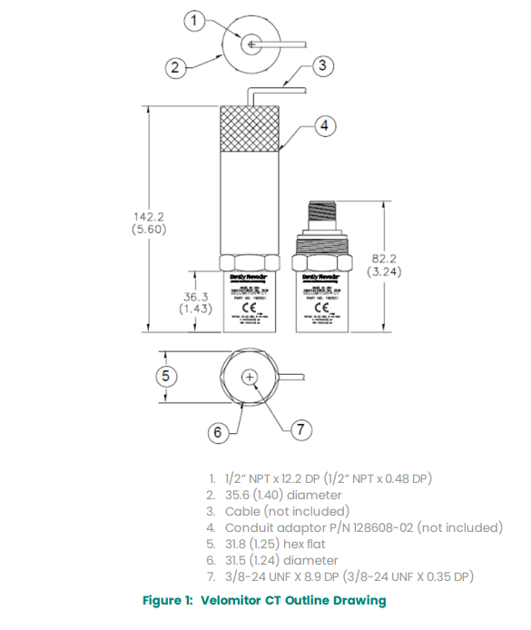
Описание
Переключатель скорости Velomitor CT - это низкочастотная версия нашего стандартного сенсора скорости Velomitor Piezo.Его конструкция специально измеряет скорость вибрации корпуса на охлаждающей башне и воздушно-охлаждаемых вентиляторах теплообменника, которые работают при или выше 90 оборотов в минуту (обычно от 100 до 300 оборотов в минуту).
Передатчик Velomitor CT может измерять амплитуды вибрации на этих частотах, а также частоты вибрации, генерируемые двигателем вентилятора и редуктором скорости.
Кроме того, будьте осторожны, устанавливая преобразователь акселерометра на корпусе подшипника или корпусе машины.Неправильная установка может уменьшить амплитуду и частоту ответа преобразователя и/или генерировать ложные сигналы, которые не представляют собой фактическую вибрациюСм. соответствующие руководства по эксплуатации и примечания к применению.
По запросу Bently Nevada предоставляет инженерные услуги, которые могут определить соответствующие измерения корпуса машины и помощь в установке, если это необходимо.
Информация о заказе
Переключатель скорости Velomitor CT
190501 - AA - BB - CC
|
A: опция установки оборудования |
|
|
00 |
Никакого конька. |
|
01 |
От 3/8 дюйма до 3/8 дюйма |
|
02 |
От 3/8 дюйма 24 до 1/2 дюйма 20 |
|
03 |
Клейка 3/8-in 24 |
|
04 |
Штука M6x1 с адаптером 3/8-дюйма 24 |
|
05 |
Клейка M6x1 с адаптером 3/8-24 |
|
06 |
От 3/8 дюйма до 1/4 дюйма |
|
07 |
Плитка Stud 3/8-в 24 до 3/8-в 24 |
|
08 |
Плитка Stud 3/8 дюйма 24 до 1/2 дюйма 20 |
|
09 |
Плита Stud 3/8-in 24 до 1/4-in NPT |
|
10 |
Плитка Stud M6x1 до M6x1 с 3/8- в 24 адаптером |
|
11 |
Плитка Stud 3/8 дюйма 24 до 1/4 дюйма 28 |
|
12 |
Плитка Stud 3/8-in 24 до M8x1 |
|
13 |
Быстро отсоедините козырь. |
|
14 |
Адаптер, от 3/8 дюйма 24 до 1/4 дюйма 20 |
|
15 |
Адаптер, 3/8-дюйма 24 до 5/16-дюйма 18 |
|
16 |
Адаптер, 3/8-дюйма 24 до 3/8-дюйма 24 |
|
17 |
Адаптер, 3/8 дюйма 24 до 3/8 дюйма 16 |
|
18 |
Адаптер, 3/8 дюйма 24 до 1/2 дюйма 13 |
|
19 |
Адаптер, 3/8 дюйма 24 до 1/4 дюйма 18 НПТ |
|
20 |
Адаптер, от 3/8-дюйма 24 до 3/8-дюйма 18 НПТ |
|
21 |
Адаптер, 3/8-дюймовый 24 до 1/2-дюймовый 14 NPT |
|
22 |
Адаптер, от 3/8 дюйма 24 до 3/4 дюйма 14 НПТ |
|
23 |
Адаптер, 3/8 дюйма 24 до 1,0 дюйма 11,5 НПТ |
|
24 |
Адаптер, 3/8 дюйма 24 до 1,25 дюйма 11,5 NPT |
|
B: Опция подключения |
|
|
00 |
Интерфейс подключения MIL-C-5015 |
|
99 |
Устройство с 32-футовым кабелем |
|
C: вариант одобрения агентством |
|
|
00 |
Нет одобрения |
|
01 - 04 |
CSA/NRTL/C (класс I, раздел 1), ATEX/IECEx/CSA (класс I, зона 0/1) |
Кабель соединения
CB2W100 - AAA
|
А: длина |
|
|
015 |
15 футов (4,57 метра) |
|
032 |
32 фута (9,75 метра) |
|
064 |
64 фута (19,5 метра) |
|
112 |
32 метра |
|
125 |
125 футов (38,1 метра) |
|
150 |
45 м) |
|
200 |
200 футов (61,0 метра) |
|
250 |
250 футов (76,2 метра) |

Соответствующий номер части:
| 16710-30 | 177230-01-01-CN | 991-25-50-01-00 |
| 21000-28-05-00-024-03-02 | 177313-02-02-00 | 330106-05-30-05-02-00 |
| 190501-00-00-CN | 190501-00-00-CN | 330106-05-30-05-02-CN |
| 200200-05-05-CN | 200151-060-03-00 | 330106-05-30-10-02-00 |
| 330101-00-25-05-01-CN | 200152-150-02-10 | 330106-05-30-10-02-CN |
| 330103-00-05-10-01-00 | 200200-05-05-CN | 330130-080-00-00 |
| 330105-02-12-10-02-00 | 330101-00-16-10-02-CN | 330130-040-00-00 |
| 330180-91-КН | 330101-00-25-05-01-CN | 330130-040-00-CN |
| 330190-085-00-00 | 330102-00-17-10-02-CN | 330130-080-01-00 |
| 330195-02-12-05-00 | 330102-02-12-10-02-00 | 330130-045-00-CN |
| 330400-01-CN | 330103-00-05-10-01-00 | 330130-045-01-00 |
| 330400-02-CN | 330103-00-08-05-02-CN | 330130-075-01-CN |
| 330901-00-90-10-02-CN | 330103-00-08-05-02-CN | 330130-085-00-CN |
| 990-04-70-01-00 | 330103-00-12-15-02-CN | 330180-51-00 |
| 990-05-50-01-00 | 330104-00-06-05-01-CN | 330902-02-12-05-02-CN |
| 990-05-70-02-00 | 330104-00-08-05-02-CN | 330907-05-30-10-02-00 |
| 330180-91-00 | 330930-040-00-00 | 330130-045-03-00 |
| 330103-00-05-10-02-00 | 330703-000-050-50-12-00 | 330130-040-01-CN |
| 330101-00-12-10-02-CN | 330101-00-30-50-02-00 | 330703-000-060-10-02-00 |
| 330703-000-050-10-02-00 | 330780-51-00 | 330104-05-18-10-02-00 |
| 177230-02-01-CN | 330910-00-11-10-02-00 | 330930-060-01-00 |
| 990-04-50-02-00 | 330910-00-11-10-02-O0 | 40113-02 |
| 330905-00-11-05-01-00 | 330101-00-20-10-02-00 | 330930-045-00-00 |
| 3500/22-01-01-00 | 3500/92-02-01-00 | 16925-30 |
| 330500-02-00 | 330930-040-01-00 | 178850-CN |
| 330780-91-05 | 330908-00-20-70-02-CN | 330909-00-20-10-02-CN |
| 125680-01 | 3500/05-02-04-00-00-01 | 330905-00-18-05-02-CN |
| 330705-02-18-10-02-CN | 330195-02-12-10-00 | 190501-19-00-CN |
| 3500/04-01-00 | 330980-71-КН | 330103-00-08-10-02-CN |
| 330102-00-24-20-12-CN | 330101-00-40-10-02-CN | 330130-085-03-CN |
| 330103-00-03-15-01-CN | 330103-00-05-10-02-CN | 330103-00-02-10-02-CN |
| 330103-00-07-10-02-CN | 330101-00-25-10-02-CN | 330101-00-50-10-02-CN |
| 330103-00-03-05-01-CN | 330130-040-12-CN | 330101-00-20-10-02-CN |
