Санитарный цикл, подключенный к передатчику давления
BP93420-IQT PрезюмеTвыкупщик
ВведениеДатчик давления диафрагмы:
BP93420-IQTПередатчик давления диафрагмы с зажимным промывкой - это устройство, используемое для измерения и преобразования сигналов давления.который может точно измерять давление различных жидкостей и газов, и имеет высокую точность, стабильность и надежность. Кроме того, он имеет различные диапазоны измерений и типы выходных сигналов на выбор для различных потребностей приложения.оборудование также имеет коррозионную и высокотемпературную стойкость, высокая устойчивость к ударам и устойчивость к воде и пыли, легкая для установки и использования, подходящая для различных промышленных применений для измерения и контроля давления
Характеристики продукта:
| Параметры производительности | |
| Диапазон измерений | 0~35Kpa...~3.5MPa |
| Тип давления | Измерительное давление, абсолютное давление, герметическое давление |
| Перегрузка | ≤10,5-кратный номинальный диапазон |
| Точность @ 25oC | ±00,25% (типичный) ±0,5% (максимальный) |
| Повторяемость | 00,1% ФС |
| Гистерез | 00,1% ФС |
| Долгосрочная стабильность | ±00,1% F.S/Год(Типичный) ±0,2% F.S/Год(максимум) |
| Сдвиг температуры нулевой точки | ±0.02% F.S/oC ((≤ 100KPa) ± 0.01% F.S/oC ((> 100KPa) |
| Полномасштабное изменение температуры | ±0.02% F.S/oC ((≤ 100KPa) ± 0.01% F.S/oC ((> 100KPa) |
| Частота ответа | 2.4 кГц |
| Компенсационная температура | -20-70oC ((≤10mpa, настраиваемая) |
| Операционная температура | -20°C~80°C |
| Температура хранения | -40°C ~ 120°C |
| Вибрация | 10g,55Hz ~ 2kГц |
| Жилой материал | 304, 316L |
| Материал диафрагмы | 316 л |
| Сопротивление изоляции | 100MΩ 100VDC |
| Уровень взрывостойкости | Бывший db II.C T6 Gb |
| Рейтинг защиты | Я...P65 |
| Печать O-Ring | Фторированная резина |
| Вес | ~0.55в кг |
| Выходной сигнал | Напряжение питания | Тип выхода |
| 4 ~ 20 мА | 12 ~ 30VDC | 2/3/4wИре |
| 0~10/20mA | 3 wИре |
|
| 0/1 ~ 5 В | ||
| 0/1~ 10V | ||
| 0.5 ~ 4.5 В | 5VDC | |
| Протокол связи RS485 | 3.6 ~ 30 В / батарея | 4 проволока |

| Примеры отбора |
| Порядок Руководство | ||||||||
| BP93420XX | Передатчик давления | |||||||
| Код | Конструкция | |||||||
| IB | Трансмитер общего давления | IX | Дисплейный передатчик давления | |||||
| IE | Упорный авиационный передатчик давления | IIC/III | Промышленный генеральный/ дисплейный передатчик давления | |||||
| Если | Устойчивый к влаге передатчик давления | IIE/IIIE | Общий/дисплейный передатчик давления | |||||
| IN | Кондиционер специальный передатчик давления | IC | Высокотемпературный передатчик давления | |||||
| IQ/IQT | Большая диафрагма/передатчик высокого давления | |||||||
| Диапазон измерений | - 100 кПа... 0 кПа ~ 35 кПа... 3,5 МПа | |||||||
| (0-X) Kpa или MPa | X: указывает фактический диапазон измерений | |||||||
| Код | Силовое питание | |||||||
| D1 | 24VDC | |||||||
| D2 | 5VDC | |||||||
| D3 | Прочие | |||||||
| Код | Выходной сигнал | |||||||
| S1 | 4 ~ 20mADC | S5 | 0~20mADC | |||||
| S2 | 1 ~ 5VDC | S6 | 0~10VDC | |||||
| S3 | 0 ~ 5VDC | S7 | 00,5-4,5 ВДС | |||||
| S4 | 0~10mADC | |||||||
| Код | Электрическое соединение | |||||||
| В1 | Хиршманн | |||||||
| В2 | PG7 Включатель | |||||||
| В3 | Выход из запечатанного кабеля | |||||||
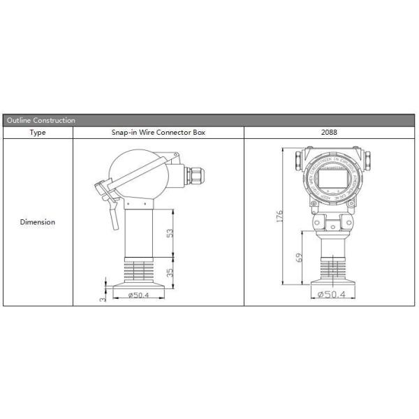
| В4 | 2088 Промышленные корпуса | |||||||
| В5 | 2088 Промышленный корпус с дисплеем | |||||||
| В6 | Прочие | |||||||
| Код | Тип давления | |||||||
| G | Давление измерения | |||||||
| А. | Абсолютное давление | |||||||
| S | Запечатанное эталонное давление | |||||||
| Советы по заказу |