19мм кремниевый пьезорезистивный датчик давления
Введение кремниевого датчика давления:
HT19F функционирует как кремниевый пьезорезистивный датчик давления, с ядром, состоящим из высокостабильного диффузного кремниевого элемента.давление жидкостей и газов путем передачи давления испытываемогосредний к кремниевой диафрагме через изоляционную диафрагму и кремниевое масло.Многофункциональность датчика широко используется в воздушных компрессорах и холодильникахсистемы.
Характеристики продуктаиз кремниевого датчика давления:
1Используя передовые технологии и корпус из нержавеющей стали 316L, наряду с материалы, такие как титан и Hastelloy для диафрагмы2Использование толстопленочных цепей для компенсации температуры и нулевой точки коррекция
3. Оисключительная надежность, повторяемость и стабильность
Заявленияиз кремниевого датчика давления:
1. Подходит для измерения давления не коррозионных газов и жидкостей с 316L совместимость из нержавеющей стали
2Применяется в различных промышленных процессах, включая нефтедобычу, химию, металлургию, энергетику и гидрологию.
3Используется в морской и авиационной промышленности.
4. Подходит для гидравлических и пневматических систем управления
5. Используется в процессах управления
Электрическая производительностьиз кремниевого датчика давления:
1.Силовой источник: ≤2mA DC (типичный 1,5mA DC)
2.Импеданс ввода:3KΩ~6KΩ
3Выходное сопротивление:2.5KΩ~6KΩ
4Электрическое соединение: позолоченные коварные булавки или 100-мм высокотемпературные провода.
| Параметры производительностииз кремниевого датчика давления: | |||||
| Диапазон | Диаметр ((G) | 10KPa, 20KPa, 35KPa, 100KPa, 200KPa, 350KPa, 1000KPa, 2000KPa | |||
| Абсолютное (А) | 100KPaA, 200KPaA, 350KPaA, 700KPaA, 1000KPaA, 2000KPaA | ||||
| Запечатанный (S) | 3500KPaS,7MPaS,10MPaS,20MPaS.40MPaS.60MPaS.100MPaS | ||||
| Тип | Макс | Единица | |||
| Нелинейность | ±0.15 | ±0.3 | % F.S | ||
| Повторяемость | 0.05 | 0.1 | % F.S | ||
| Гистерез | 0.05 | 0.1 | % F.S | ||
| Нулевой выход | 0±1 | 0±2 | mV | ||
| Выход на расстояние | ≤ 20 КПа | 50±10 | 50±30 | mV | |
| ≥ 35 кПа | 100±10 | 100±30 | mV | ||
| Ошибка температуры - нулевая | ≤ 20 КПа | ± 1 | ±2 | % F.S | |
| ≥ 35 кПа | ±0.5 | ± 1 | % F.S | ||
| Время ошибки температуры | ≤ 20 КПа | ± 1 | ±2 | % F.S | |
| ≥ 35 кПа | ±0.5 | ± 1 | % F.S | ||
| Компенсированный временный. | ≤ 20 КПа | 0 ~ 50 | oC | ||
| ≥ 35 кПа | 0 ~ 70 | oC | |||
| Операционная температура | -20~80 | oC | |||
| Температура хранения | -40 ~ 125 | oC | |||
| Допустимая перегрузка | Возьмите меньшее значение между 3 раз полной шкалы или 120MPa | ||||
| Давление взрыва | Пять раз больше, чем в полной шкале. | ||||
| Долгосрочная стабильность | 0.2 % | Ф.С. / Год | |||
| Материал диафрагмы | 316L | ||||
| Сопротивление изоляции | ≥ 200MΩ 100VDC | ||||
| Вибрация | Никаких изменений при условиях 10gRMS, от 20 Hz до 2000 Hz | ||||
| Шок | 100 г, 11 мс. | ||||
| Время ответа | ≤ 1 мс | ||||
| О-кольцо печать | Нитриловое кольцо или фторное кольцо | ||||
| Заполнительная среда | Кремниевое масло | ||||
| Вес | около 28 г. | ||||
| Параметры испытываются в следующих условиях: 1,5mA @ 25°C | |||||
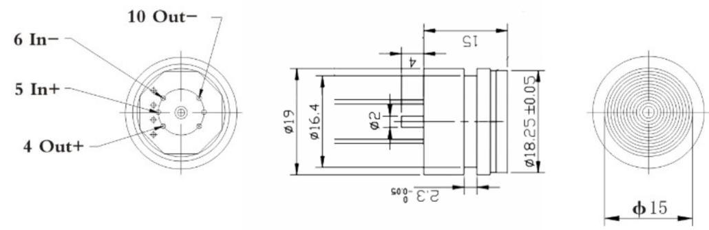
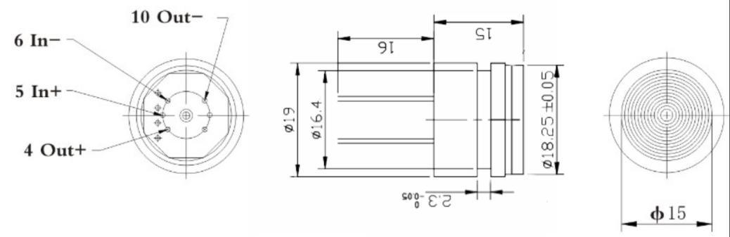
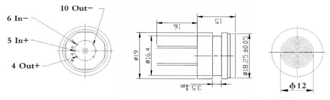
| Конструкция | |
| < 3,5 МПаС | ![]() |
| ≥ 3,5 МПаС < 40 МПаС |
![]() |
| ≥ 40 МПаС | ![]() |
| Электрическое соединение и компенсация |
|
| Примеры отбора |

| Советы по заказу |
| Продукты |



| Вопросы и ответы |
Q1: Есть ли Вы изготовительная компания?
A1:Мы производитель с более чем 22-летним опытом.
Q2:Продукт на заказ
A2:Мы предоставляем услуги OEM и Custom-Design.
Q3:Гарантия качества
A3:Наши продукты имеют ограниченную гарантию от 12 до 18 месяцев с даты отгрузки до первоначального покупателя.Hengtong заменит или восстановит дефектные продукты бесплатно.Эта гарантия не распространяется на любые единицы были изменены, злоупотребляют, пренебрегают.
Q4: Перевозка и упаковка
A4:Продукты обычно отправляются международным экспрессом, включая UPS,FedEx,DHL и INT для заранее оплаченного груза, также можно использовать ваш счет отправки для сбора,стандартная экспортная упаковка,включая сертификацию инспекции.
Q5:Свяжитесь с нами
A5:У нас есть активная и опытная команда продаж, чтобы служить вам по техническому вопросу и деловому вопросу. Просто оставьте нам сообщение или нажмите на онлайн-сервис.