Датчик дифференциального давления BP93420DII
Введение датчика давления:
Трансмитер дифференциального давления BP93420DII использует пиезорезистивный диффузный кремниевый датчик. Трансмитер дифференциального давления низкого диапазона для нефтехимической промышленности.Когда дифференциальное давление измеряемой среды воздействует на волнистые диафрагмы на обоих концах датчика, выходный сигнал от моста Wheatstone на сенсорном чипе имеет хорошую линейную связь с дифференциальным давлением, что позволяет точно измерять дифференциальное давление.Он подходит для различных измерений дифференциального давления газа и жидкости в таких отраслях промышленности, как нефтьМы предлагаем различные материалы, выходы, сенсорные технологии для удовлетворения различных потребностей клиентов для измерения давления жидкости или газа
Характеристики продукта датчика давления:
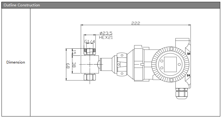
1Передатчик имеет конструкцию из нержавеющей стали, что делает его компактным.и легко устанавливать
2Он подвергается строгой температурной компенсации и скринингу старения, обеспечивая стабильную и надежную производительность
3Электрический интерфейс может быть выбран как опция подключения или прямой проводки.
Применение датчиков давления на трамвайных приборах:
1Подходит для измерения дифференциального давления различных газов или жидкостей в трубопроводах таких отраслей, как нефть, химия, энергетика и гидрология.
2Применяется в промышленных процессах на месте, таких как нефтедобыча, химия, металлургия, производство электроэнергии и гидрология
3Измерение давления для трубопроводов и камер печи
Параметры работы:
| Диапазон измерений | 0-10KPa...~2MPa |
| Тип давления | Дифференциальное давление |
| Односторонняя перегрузка | ≤ 3 раза от номинального диапазона |
| Статическое давление | Минимальное значение в пределах от 5 до 7 МПа |
| Точность @ 25oC | ±0,25% (типичный) ±0,5% (максимальный) |
| Повторяемость | ±0,03% (типичный) ±0,05%FS (максимальный) |
| Гистерез | ±0,03% (типичный) ±0,05%FS (максимальный) |
| Долгосрочная стабильность | ± 0,5% F.S/Year ((≤ 200KPa) ± 0,2% F.S/Year ((> 200KPa) |
| Дрейф при нулевой температуре | ± 0,01% FS/oC ((> 100KPa), ± 0,02% FS/oC (≤ 100Kpa) |
| Движение температуры в расстоянии | ± 0,01% FS/oC ((> 100KPa), ± 0,02% FS/oC (≤ 100Kpa) |
| Компенсационная температура | 0-50oC ((0-10KPa, 0-20KPa), 0-70oC,-10-70oC |
| Операционная температура | -30°C~80°C |
| Температура хранения | -40°С~100°С |
| Вибрация | 10g,55Hz ~ 2kHz |
| Жилой материал | 304, 316L |
| Материал диафрагмы | 316L |
| Сопротивление изоляции | 100MΩ 100VDC |
| Уровень взрывостойкости | Внутренне безопасный и взрывостойкий |
| Рейтинг защиты | IP65 |
| Вес | ~ 0,45 кг |


| Выходной сигнал | Напряжение питания | Тип выхода |
| 4 ~ 20 мА | 12 ~ 30VDC | 2/3/4 проволоки |
| 0~10/20mA | 3 провода |
|
| 0/1 ~ 5 В | ||
| 0.5 ~ 4.5 В | 5VDC |


Вопросы и ответы
1Вопрос: Каковы особенности ваших датчиков давления?
Ответ: высокая точность, долговечность и отличные характеристики.
2. Q: Могу ли я настроить специальные спецификации?
О: Да, наши инженеры могут настроить продукцию на конкретные потребности. Мы предоставляем услуги OEM и ODM
3Вопрос: Какова ваша производственная мощность?
А: Наши производственные мощности могут производить до 30 000 датчиков давления в месяц, поэтому мы полностью способны удовлетворить потребности крупных заказов.рекомендуется связаться с нашей командой по продажам заранее, чтобы обеспечить плавное производство и расписание доставки.
4. Вопрос: Каков типичный срок доставки?
Ответ: 5-8 рабочих дней для стандартных моделей.
5. Вопрос: Как цены на продукты? Есть скидки?
A: Конкурентоспособные цены с скидками для оптовых заказов или долгосрочных партнеров.
6Вопрос: Какова гарантия на ваши продукты? И послепродажное обслуживание?
A: Наше гарантийное время составляет 24 месяца после отгрузки, и наши послепродажи будут отвечать на ваши вопросы в течение 24 часов, удаленное обучение по сети ПКВсегда доступны.