Электрическая производительность датчика дифференциального давления для испытаний воздуха
BP101 Кремниевый пиезорезистивный датчик давления
Введение дифференциального передатчика давления:
Кремниевый пьезорезистивный датчик дифференциального давления BP101 представляет собой диффузный кремниевый элемент с высокой стабильностью.Это компактный датчик дифференциального давления, специально разработанный для небольшого диапазона дифференциального давленияОн известен своей превосходной надежностью, повторяемостью и стабильностью, что делает его идеальным для точного измерения давления газа.

Характеристики продукта дифференциального передатчика давления:
Применение дифференциального передатчика давления:
Электрические характеристики дифференциального передатчика давления:
| Параметры производительности | |
| Диапазон измерений | 0-10KPa,0~~~200KPa |
| Тип давления | Дифференциальное давление |
| Статическое давление | 2 раза от номинального диапазона |
| Перегрузка | ≤ 1,5-кратный номинальный диапазон |
| Точность @ 25°C | ±0,5% (типичный), ±1% (максимальный) |
| Дрейф при нулевой температуре | ±2,5% F.S/°C (типичный) ±3% F.S/°C (максимальный) |
| Движение температуры в расстоянии | ±2,5% F.S/°C (типичный) ±3% F.S/°C (максимальный) |
| Компенсационная температура | 0-50°C |
| Операционная температура | -20°C~80°C |
| Температура хранения | -40°C~100°C |
| Жилой материал | Из пластика |
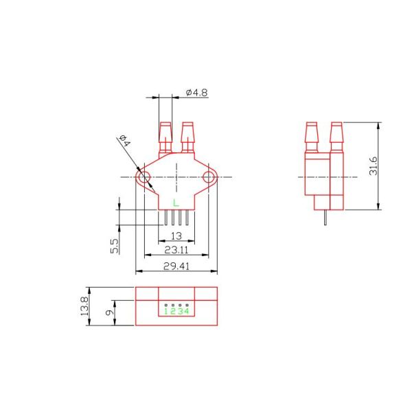
| Подключение под давлением | φ5 воздушная сосна или настраиваемая |
| Рейтинг защиты | IP65 |



Направления заказов дифференциального передатчика давления
1. Обратите внимание на соответствие между размером ядра и корпуса передатчика во время сборки для достижения требуемой герметичности
2Во время сборки корпуса убедитесь, что он выровнен вертикально и применяйте равномерное давление, чтобы избежать заторможения или повреждения компенсационной пластины.
3Если измеряемая среда не совместима с диафрагмой ядра и корпусным материалом (316L), при заказе следует предоставить специальные инструкции.
4Избегайте нажимания на диафрагму датчика руками или острыми предметами, чтобы предотвратить повреждение ядра из-за деформации диафрагмы или прокола.



