Инвертор 3PH 400V частоты Mitsubishi Electric FR-D740-2.2K-CHT переменный
Sepecifications
| Модель: | FR-D740-2.2K-CHT |
| Входной сигнал: | 8.4A 3PH AC380-480V 50/60Hz |
| Выход: | 5.0A 3PH AC380-480Vmax 0.2-400Hz |
| Бренд | Mitsubishi Electric |
| Изменение: | D |
Детали продукта инвертора FR-D700 частоты
Низкая цена микро- VFD с качеством Mitsubishi Electric.
Серия инвертора FR-D700 частоты
| Оценка (CT & VT) | Открытое шасси IP20 | Размеры в дюймах (mm) | Вес lbs (kg) | Запасенный деталь | |||
| HP | Расклассифицированные Amps | Номер модели | Высота | Ширина | Глубина | ||
| входной сигнал 1-Phase 100~120VAC/трехфазный выход 200~240VAC | |||||||
| 1/8 | 0,8 | FR-D710W-008-NA | 5,0 (128) | 2,7 (68) | 3,2 (80,5) | 1,1 (0,5) | S |
| 1/4 | 1,4 | FR-D710W-014-NA | 5,0 (128) | 2,7 (68) | 4,4 (110,5) | 1,3 (0,6) | S |
| 1/2 | 2,5 | FR-D710W-025-NA | 5,0 (128) | 2,7 (68) | 5,6 (142,5) | 2,0 (0,9) | S |
| 1 | 4,2 | FR-D710W-042-NA | 5,0 (128) | 4,3 (108) | 5,9 (149,5) | 3,1 (1.4) | S |
| входной сигнал 1-Phase 200~240VAC/трехфазный выход 200~240VAC | |||||||
| 1/8 | 0,8 | FR-D720S-008-NA | 5,0 (128) | 2,7 (68) | 3,2 (80,5) | 1,1 (0,5) | S |
| 1/4 | 1,4 | FR-D720S-014-NA | 5,0 (128) | 2,7 (68) | 3,2 (80,5) | 1,3 (0,6) | S |
| 1/2 | 2,5 | FR-D720S-025-NA | 5,0 (128) | 2,7 (68) | 5,6 (142,5) | 2,0 (0,9) | S |
| 1 | 4,2 | FR-D720S-042-NA | 5,0 (128) | 2,7 (68) | 6,5 (162,5) | 2,5 (1.1) | S |
| 2 | 7 | FR-D720S-070-NA | 5,0 (128) | 4,3 (108) | 6,2 (155,5) | 3,3 (1.5) | S |
| 3 | 10 | FR-D720S-100-NA | 5,9 (150) | 5,5 (140) | 5,7 (145) | 4,4 (2,0) | S |
| трехфазные входной сигнал 200~240VAC & выход | |||||||
| 1/8 | 0,8 | FR-D720-008-NA | 5,0 (128) | 2,7 (68) | 3,2 (80,5) | 1,1 (0,5) | S |
| 1/4 | 1,4 | FR-D720-014-NA | 5,0 (128) | 2,7 (68) | 3,2 (80,5) | 1,1 (0,5) | S |
| 1/2 | 2,5 | FR-D720-025-NA | 5,0 (128) | 2,7 (68) | 4,5 (112,5) | 1,8 (0,8) | S |
| 1 | 4,2 | FR-D720-042-NA | 5,0 (128) | 2,7 (68) | 5,3 (132,5) | 2,2 (1,0) | S |
| 2 | 7 | FR-D720-070-NA | 5,0 (128) | 4,3 (108) | 5,4 (135,5) | 3,1 (1.4) | S |
| 3 | 10 | FR-D720-100-NA | 5,0 (128) | 4,3 (108) | 5,4 (135,5) | 3,1 (1.4) | S |
| 5 | 16,5 | FR-D720-165-NA | 5,0 (128) | 6,7 (170) | 5,6 (142,5) | 4,0 (1.8) | S |
| 7 1/2 | 23,8 | FR-D720-238-NA | 5,9 (150) | 8,7 (220) | 6,1 (155) | 8,0 (3,6) | S |
| 10 | 31,8 | FR-D720-318-NA | 5,9 (150) | 8,7 (220) | 6,1 (155) | 8,0 (3,6) | S |
| трехфазные входной сигнал 380~480VAC & выход | |||||||
| 1/2 | 1,2 | FR-D740-012-NA | 5,0 (128) | 4,3 (108) | 5,1 (129,5) | 2,9 (1.3) | S |
| 1 | 2,2 | FR-D740-022-NA | 5,0 (128) | 4,3 (108) | 5,1 (129,5) | 2,9 (1.3) | S |
| 2 | 3,6 | FR-D740-036-NA | 5,0 (128) | 4,3 (108) | 5,4 (135,5) | 3,1 (1.4) | S |
| 3 | 5 | FR-D740-050-NA | 5,0 (128) | 4,3 (108) | 6,2 (155,5) | 3,3 (1.5) | S |
| 5 | 8 | FR-D740-080-NA | 5,0 (128) | 4,3 (108) | 6,6 (165,5) | 3,3 (1.5) | S |
| 7 1/2 | 12 | FR-D740-120-NA | 5,9 (150) | 8,7 (220) | 6,1 (155) | 7,3 (3,3) | S |
| 10 | 16 | FR-D740-160-NA | 5,9 (150) | 8,7 (220) | 6,1 (155) | 7,3 (3,3) | S |
Другие подобные модели:
FR-D740-0.4K-CHT
FR-D740-0.75K-CHT
FR-D740-2.2K-CHT
FR-D740-1.5K-CHT
FR-D740-3.7K-CHT
FR-D740-5.5K-CHT
FR-D740-7.5K-CHT
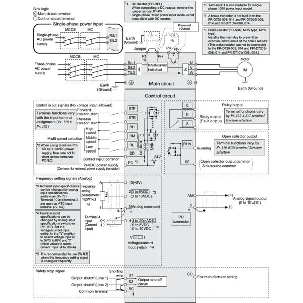
Схема коммутаций серии FR-D700 терминальная

Динамический тормозя резистор 240VAC на 100% тормозя вращающих моментах
| Номер модели набора резистора | Вес kg (lbs) | Сопротивление (омы) | Непрерывная допустимая сила (w) | Мотор (лошадиные силы) | Модель привода | Запасенный деталь | |
| D710W andD720 | % ED | ||||||
| FR-ABR-0.4K | 0,2 (0,5) | 200 | 60 | 1/2 | 025 | 10% | S |
| FR-ABR-0.75K | 0,4 (0,9) | 100 | 80 | 1 | 042 | 10% | S |
| FR-ABR-2.2K | 0,5 (1.1) | 60 | 120 | 2 и 3 | 070 / 100 | 10% | S |
| FR-ABR-3.7K | 0,8 (1.8) | 40 | 155 | 5 | 165 | 10% | S |
| FR-ABR-5.5K | 1,3 (2,9) | 25 | 185 | 7 1/2 | 238 | 10% | S |
| FR-ABR-7.5K | 2,2 (4,9) | 20 | 340 | 10 | 318 | 10% | S |
Динамический тормозя резистор 480VAC на 100% тормозя вращающих моментах
| Номер модели набора резистора | Вес kg (lbs) | Сопротивление (омы) | Непрерывная допустимая сила (w) | Мотор (лошадиные силы) | Модель привода | Запасенный деталь | |
| D740 | % ED | ||||||
| FR-ABR-H0.4K | 0,2 (0,5) | 1200 | 45 | 1/2 | 012 | 10% | S |
| FR-ABR-H0.75K | 0,2 (0,5) | 700 | 75 | 1 | 022 | 10% | S |
| FR-ABR-H1.5K | 0,4 (0,9) | 350 | 115 | 2 | 036 | 10% | S |
| FR-ABR-H2.2K | 0,5 (1.1) | 250 | 120 | 3 | 050 | 10% | S |
| FR-ABR-H3.7K | 0,8 (1.8) | 150 | 155 | 5 | 080 | 10% | S |
| FR-ABR-H5.5K | 1,3 (2,9) | 110 | 185 | 7 1/2 | 120 | 10% | S |
| FR-ABR-H7.5K | 2,2 (4,9) | 75 | 340 | 10 | 160 | 10% | S |
Пассив:
WTL не подлежаще для любых личной травмы или повреждения свойства следующ из польза этого оборудования. Оно
ответственность покупателя о безопасных регуляции & деятельности этого оборудования и проверить оборудование
соответствие к их машинному оборудованию.
Контакт:
Удачливый
fazhutian@163.com
Мобильный телефон: +86-13066855883
SKYPE: wisdomlong-Amily
Адрес: 23A BlockB, здание Lushan, дорога Chunfeng, район Luohu, Шэньчжэнь, 518001, Китай
Наши бренды:
![]() | ![]() | ![]() | ![]() | ![]() | |
![]() | ![]() | ![]() |
| ![]() | ![]() |