Schneider смешал дискретный модуль 140DAM59000 I/O для платформы автоматизации Modicon Кванта
Продукт необходимо размещать на рынках Европейского союза следовать специфическим сбором отходов и никогда не закончиться вверх в ящиках хлама.
ПРЕДУПРЕЖДЕНИЕ: Этот продукт может подвергнуть вы действию химикатов включая: Руководство и привести смеси, которое знаны, что к государству Калифорния причиняет рак и врожденные пороки или другой воспроизводственный вред. Для больше информации пойдите к www.P65Warnings.ca.gov
Спецификации:
| 140DAM59000 | |
| ассортимент товаров | Платформа автоматизации Modicon Кванта |
| тип | Смешанный дискретный модуль I/O |
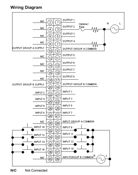
| дискретный номер I/O | 24 |
| дискретный номер входного сигнала | 16 2 групп в составе 8 |
| требование к автобуса настоящее | 250 мам |
| чистый вес | 0,45 kg |
| Размер | 15*30*40cm |
| минимальная нагрузка | 5 мам |
Родственные продукты:
| 140DDI35300 | 140DDO35300 |
| 140DDI36400 | 140DAO84210 |
| 140DAI55300 | 140DDO15310 |
| 140DRA84000 | 140DDI84100 |
| 140DAI54300 | 140DAI35300 |
| 140DAI45300 | 140DAI54000 |

1, во-первых, отправляет нами бренд, модельный код/изображение nameplate и количество для дознания. После этого мы отправим цитату в вас. после подтверждать модель и количество, тогда нас будьте PI к вам.
2, вы можете перенести соединением Paypal/западным/торговым обеспечением T/T. Когда мы получили оплату, тогда мы начнем подготовить заказ для вас как можно скорее.
