Описание продукта
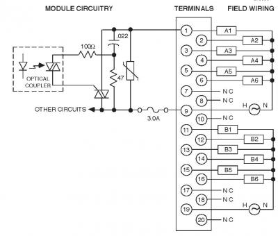
IC693MDL310 представляет собой 120-вольтовый модуль выхода переменного тока мощностью 0,5 ампера, который предлагает 12 выходной точек в двух отдельных классах.Каждый класс имеет изолированный общий, который не связан вместе в модуле.Это важно, поскольку позволяет каждому классу использоваться на разных этапах переменного тока.РС snubber предлагается на каждый выход для защиты от преходящего электрического шума, поступающего от линий электропередачи. IC693MDL310 обеспечивает высокую степень входящего тока, который повышает способность выхода контролировать многие индуктивные и накаливаемые нагрузки.Мощность переменного тока для выполнения операций, связанных с выходом, должна поступать от пользователя.
В верхней части модуля расположены светодиодные индикаторы, которые указывают на состояние включения/выключения каждой точки.Модуль использует первые 6 светодиодов, перечисленных как B1 до 6 в нижнем ряду для состояния выводаIC693MDL310 также рассматривается как 16-точечный выход для выхода 1-6 и 9-14. Модуль состоит из вставки между внутренней и внешней поверхностью дверной петли.Модуль имеет диапазон выходного напряжения от 85 до 132 напряжений ACЕго выходный ток составляет 0,5 ампера в точке. Поток наименьшей нагрузки при входе составляет 5 ампера для одного цикла. Модуль также имеет выходный ток утечки максимум 3 мА при 120 вольтах переменного тока.Энергия, потребляемая модулем, составляет 210 мА от 5-вольтовой шины на заднем планеКроме того, он имеет изоляцию 500 вольт между каждым классом.
Модуль GE Fanuc IC693MDL310 представляет собой выходный модуль с 12 выходными точками, сгруппированными в 2 группы по 6 точек каждая.Этот модуль изготавливается как часть линейки продуктов GE Fanuc серии 90-30 PLC с номинальным рабочим напряжением 120 вольт AC и номинальным током 0Каждая из двух групп имеет изолированный общий, который закреплен внутри модуля. Это позволяет каждому типу использоваться на разных этапах работы источника питания.Модуль IC693MDL310 поставляется с предохранителем с номинальной мощностью 3 ампера, который защищает каждую группу. Каждый выход поставляется с RC снубером, чтобы обеспечить защиту от преходящего электрического шума от линии электропередачи.Он предлагает высокий уровень вспышного тока, который увеличивает способность выхода контролировать различные ламповые и индуктивные нагрузки.
Пользователи выходного модуля IC693MDL310 должны обеспечивать переменное питание для выполнения операций, связанных с выходами.Другие особенности модуля IC693MDL310 включают светодиодные индикаторы, которые находятся на верхней стороне модуля и показывают состояние "Включенный" и "Выключенный" каждой выходной точки.Он использует первые 6 светодиодов, помеченных B1 до B6 на нижнем ряду для состояния вывода.Этот модуль имеет выходное напряжение от 85 до 132 вольт, с номинальным током 0,5 ампера в точку. Он также имеет всплеск нагрузки 5 ампера в один цикл.Он также поставляется с модулем и имеет выходной токовой утечки 3 миллиампер при максимальной 120 вольт AC.
| Номинальное напряжение: | 120 вольт переменного тока |
| # ввода: | 12 |
| Частота: | 50/60 Гц |
| Выходной ток: | 0.5 А за балл |
| Диапазон выходного напряжения: | 85 - 132 вольт переменного тока |
| Прямое питание: | Нет, нет. |
|
Номинальное напряжение |
120 вольт переменного тока |
| Диапазон выходного напряжения | от 85 до 132 вольт переменного тока, 50/60 Hz |
| Выводы на модуль | 12 (две группы по шесть выходов каждая) |
| Изоляция | 1500 вольт между стороной поля и стороной логики |
| Выходной токt |
500 вольт между каждой группой 0Максимально 5 ампер в точке Максимально 1 ампер на группу при 60°C (140°F) |
| Максимально 2 ампера на группу при 50°C (122°F) | |
| Характеристики выпуска | |
| Входящий ток | 5 ампер максимум за один цикл |
| Минимальный ток нагрузки | 50 мА |
| Снижение выходной напряженности | 1Максимально 5 вольт |
| Выходной ток утечки | Максимально 3 мА при 120 вольтах переменного тока |
| Время ответа | Максимально 1 мс |
| Время отключения | Максимально 1/2 цикла |
| Потребление энергии | 210 мА (все выходы включены) от 5-вольтовой шины на заднем плане |


