IC693ALG392 сетноой-аналогов модуль выхода течения/напряжения тока для PACSystems RX3i и серии 90-30. Модуль имеет 8 одно-закончил каналы выхода с выходами напряжения тока и/или выходами текущего цикла основанными на установке потребителем. Каждый канал можно произвести программному обеспечению конфигурации для последующих объемов (0 до +10 вольт) как униполярные, (- 10 до +10 вольт) двухполярные, 0 до 20 milliamps, или 4 до 20 milliamps. Каждый из каналов может перевести 15 до 16 битов. Это уверено на ряде который предпочтен потребителем. Все 8 каналов возобновлены каждые 8 миллисекунд.
Модуль IC693ALG392 сообщает недостаток открытого провода к C.P.U. для каждого канала когда в настоящих режимах. Модуль может пойти к известному последнему государству когда сила системы нарушена. Если внешняя сила непрерывно приложена к модулю, то каждый выход будет держать свои последние значение или возврат до нул как установлено. Установка в любой слот I/O системы RX3i или серии 90-30 возможна.
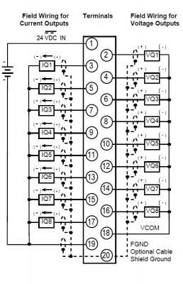
Этот модуль должен приобрести свой 24 VDC силы от внешнего источника который соединен с терминальным блоком в сразу образе. Каждый канал выхода одно-закончен и фабрика отрегулировала до .625 μA. Это может изменить основанный на напряжении тока. Потребитель должен заметить что в присутствии к жесткому взаимодействию RF, точность модуля может быть уменьшена к +/--1% FS для текущих объемов производства и +/- 3% FS для выходов напряжения тока. Одно должно также заметить что этот модуль необходимо зафиксировать в приложении металла для правильный действовать.
| Но. каналов: | 8 |
| Ряд VoltageOutput: | 0 к +10V (униполярному) или -10 к +10V (двухполярному) |
| Ряд текущего объема производства: | 0 до 20 мам или 4 до 20 мамы |
| Тариф обновления: | 8 msec (все каналы) |
| Нагрузка максимальныйа выпуск продукции: | 5 мам |
| Расход энергии: | 110mA от +5 автобусов v или 315 мам от поставки потребителя +24 v |
| Количество каналов выхода | 1 до 8 дискретные, одно-законченный |
| Ряд течения выхода | 4 до 20 мамы и 0 до 20 мам |
| Ряд напряжения тока выхода | 0 до 10 v и – 10 v до +10 v |
| Тарировка | Фабрика откалибрировала до .625 μA для 0 до 20 мам; 0,5 μA для 4 до 20 мам; и .3125 mV для напряжения тока (в отсчет) |
| Подача напряжения потребителя (номинальная) | +24 VDC, от потребителя блк напряжения источник |
| Внешний ряд подачи напряжения | 20 VDC к 30 VDC |
| Течение коэффициента сброса электропитания (PSRR) Напряжение тока |
5 μA/V (типичных), 10 μA/V (максимум) 25 mV/V (типичных), 50 mV/V (максимум) |
| Внешняя пульсация напряжения тока электропитания | 10% (максимум) |
| Внутренняя подача напряжения | +5 VDC от backplane PLC |
| Тариф обновления | 8 миллисекунд (приблизительных, все 8 каналов) определенных к время развертки I/O, иждивенец применения. |
| Разрешение: | 4 к 20mA: 0,5 μA (1 LSB = 0,5 μA) |
| 0 к 20mA: 0,625 μA (1 LSB = 0,625 μA) | |
| 0 к 10V: 0,3125 mV (1 LSB = 0,3125 mV) | |
| -10 к +10V: 0,3125 mV (1 LSB = 0,3125 mV) | |
| Абсолютная точность: 1 | |
| Настоящий режим | +/--0,1% в натуральную величину @ 25°C (77°F), типичный +/--0,25% в натуральную величину @ 25°C (77°F), максимума +/--0,5% в натуральную величину над температурной амплитудой рабочей температуры (максимум) |
| Режим напряжения тока | +/--0,25% в натуральную величину @ 25°C (77°F), типичный +/--0,5% в натуральную величину @ 25°C (77°F), максимума +/--1,0% в натуральную величину над температурной амплитудой рабочей температуры (максимум) |
| Максимальное напряжение тока соответствия | VUSER – 3 v (минимум) к VUSER (максимум) |
| Нагрузка потребителя (настоящий режим) | 0 до 850 Ω (минимум на VUSER = 20 v, максимум 1350 Ω на VUSER = 30 v) (нагрузите меньше чем 800 Ω зависит температуры.) |
| Емкость нагрузки выхода (настоящий режим) | 2000 pF (максимум) |
| Индуктивность нагрузки выхода (настоящий режим) | 1 h |
| Емкость нагрузки выхода загрузки выхода (режима напряжения тока) | 5 мам (сопротивление) 2 омов k минимальное (1 емкость μF максимальная) |
| Изоляция, поле к Backplane (оптически) и к земле рамки | 250 ВПТ непрерывный; 1500 VDC на 1 минута |
| Расход энергии | 110 мам от +5 PLC VDC поставки backplane |
| 315 мам от +24 VDC поставки потребителя |


