Programmable модуль сопроцессора IC693PCM300 изготовлен GE Fanuc и расклассифицирован как высокопроизводительный сопроцессор для 90-30 модульных C.P.U. Заметьте что этот тип модуля не работает с 311, 313, или 323 моделями C.P.U. Он поддерживает программирование c и языки программирования MegaBasic. Свободная программа для этого модуля доступна и может быть загружена на месте GE Fanuc. Этот PCM IC693PCM300 доступен в 3 версиях: IC693PCM300, IC693PCM301 и IC693PCM302. Модули конструированы для того чтобы связывать с читателями штрихкода, принтерами, масштабами, CRTs, программируя терминалами и приборами RTU мастерскими, который нужно упомянуть как раз но несколько.
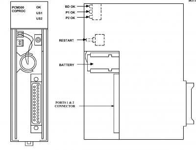
Во время установки, PCM только installable в базовой платине C.P.U. с исключением слота 1 которое должно содержать модуль C.P.U. Как заявленное предыдущее, этот PCM не совместим с врезанными версиями C.P.U. 311. 131 или 323. Остается, что дальше показывают индикаторы СИД нормально что модуль работает как и ожидалось. Проблескивают, что связывает СИД US1 деятельность в порте 1 и проблескивают, что показывает СИД US2 также деятельность на гаван 2. Когда никакая работа на всех, и СИД остается. Важно упомянуть что потребители могут продвинуть таможню для того чтобы установить функцию СИД для того чтобы одеть их потребности. Для подпорки оперативная память, батарея лития установлена на внутренность планшайбы PCM. Для целей пересылки, батарея отключена и должна быть соединена перед установкой модуля. Когда PCM, который хранят на длительное время продолжительность, он осторожен отключить батарею если вы не будете хотеть сохранять программу сохраненную в RAM.
Автоматизация GE Fanuc изготовляет модуль IC693PCM300 как Programmable модуль сопроцессора (PCM). Полупроводниковый блок микрокомпьютера который конструирован для пользы как сопроцессор в серии 90-30 PLCs GE Fanuc. Основанный на применениях обращанных PLC, этот PCM может служить как модуль ASCII/BASIC (ABM) или как модуль сопроцессора связей (CCM). Этот блок отличает 2 серийными портами которые использованы как места включения для функции CCM или для бега применений MegaBasic. Он прост и прямодушен для установки модуля сопроцессора GE Fanuc IC693PCM300 Programmable потому что он занимает только один слот в опорном плити серии 90-30. Однако, необходимо принять меру предосторожности потому что она не поддерживает замену.
Приборы как отростчатые регуляторы, промышленные компьютеры, и периферийные мониторы связывают с PLC серии 90-30 GE Fanuc через Programmable модуль сопроцессора IC693PCM300, который действует как ворот или интерфейс связи. Различные функциональности интерфейса оператора MegaBasic как прием данных, возвращения и хранения данных, и вычислять в реальное временя можно установить, отредактировать, и приспособиться для контролировать так же, как для контроля различных систем и обработок заявки машинного оборудования через Programmable модуль сопроцессора IC693PCM300. После каждого перерыва в снабжении электроэнергией, память потребителя поддержана до внутренняя батарея лития которая приходит с модулем. Она имеет 3 индикатора СИД состояния, включая СИД «ОК» для указания состояния модуля наряду с 2 потребител-конфигурируемыми индикаторами СИД обозначенными «потребитель 1" и «потребитель 2." СИД «ОК» поворачивают на когда модуль работает нормально, оно поворачивают когда он не работает, и он проблескивает во время диагноза включения питания.


