3000RPM высокоскоростные скользкие кольца с проходным отверстием ID20mm для промышленной системы
ECN020-16P1-GS - это новое функциональное скользящее кольцо CENO с высокой скоростью 3000 оборотов в минуту для автоматического оборудования.Контакты из волоконной щетки обеспечивают длительный срок службы и работу до 1000 оборотов в минуту без необходимости охлаждения оборудования- высокоскоростное скользящее кольцо, подходящее для промышленных применений, таких как инструментация и испытания общего назначения.Прочный дизайн скользящего кольца CENO делает его оптимальным выбором для неблагоприятных условий трудаБольше информации, пожалуйста, свяжитесь с нами.
Особенности
Заявления
Необязательно
Спецификация
|
ECN020-16P1-GS |
Спецификация |
| Ток и схемы | 16 схем * 2А |
| Номинальное напряжение | 0-24VAC/VDC |
| Диэлектрическая прочность | ≥ 500VAC@50Hz |
| Сопротивление изоляции | ≥ 500MΩ@500VDC |
| Контактное сопротивление | 30 мΩ (50 оборотов в минуту) |
| Контактный материал | Драгоценный металл |
| Материал для жилья | Сплав алюминия |
| Рабочая температура | -20°C~+60°C |
| Рабочая влажность | 60 % RH |
| Степень защиты ИС | IP51 |
| Операционная скорость | 0 ~ 3000 оборотов в минуту |
| Размер свинцового провода | AWG 24# Тефлоновая проволока® UL |
| Длина свинцового провода | Ротор: 300 мм; Статор: 300 мм |
| Путь вращения | Поправить сторону статора с стороной против вращения |
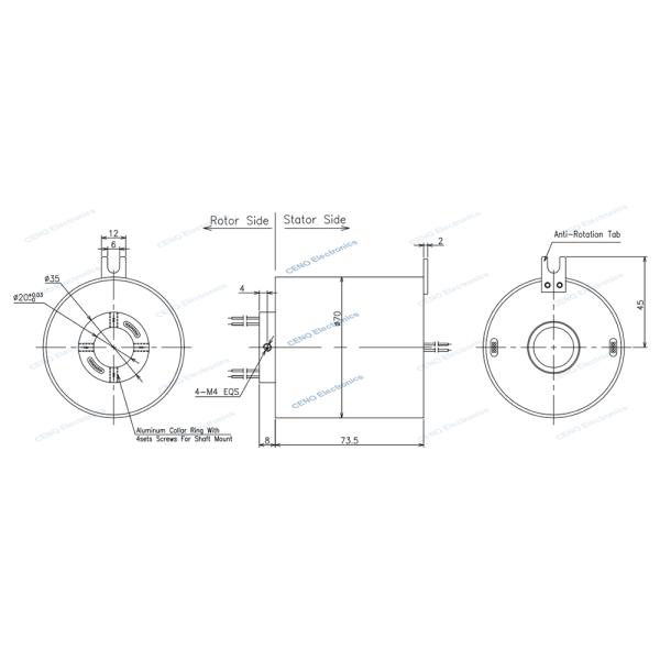
Очертание контуры

Смилярные приложения
Детектор дефектов используется для проверки точки дефекта в некоторых трубках.Как указать место дефекта, это трудно.Рентген используется для съемки шва.Некоторые детекторы используют микрокамеры для фотографирования.На фотографиях можно увидеть, есть ли какие-либо дефекты сварки в сварном шве.

Спецификация скользящего кольца для детектора неисправностей
- Через отверстие: 38,1 мм
- Круговая линия: 6
- частота сигнала: 500 кГц ~ 1 МГц
- Ток и напряжение: 220VAC
- Скорость вращения: 1500 оборотов в минуту
- Жизнь: 100 миллионов оборотов
CENO Electronics Technology Co., Ltd. является технической компанией. Manufacture and Sales in the slip ring field since 2009 and has accumulated abundant experiences and continued to offer high-quality slip rings & professional solutions to many industries and global customers.
Фабрика CENO занимает 3000 квадратных метров, а регистрационный капитал составляет 5 миллионов CNY. Все члены нашей технической команды - старшие инженеры,когда-либо работал в местном научно-исследовательском учреждении и многонациональном предприятии в области скользящих колец более 10 летВ этой области мы стремились предложить нашим клиентам полные решения, начиная от проектирования, производства и заканчивая продажами, поскольку мы полностью понимаем высококачественный спрос и применение.Для предоставления профессиональных услуг для удовлетворения требований рынков высокого класса в соответствующих областях, таких как морское судоходствоДля удовлетворения диверсифицированных технологических потребностейCENO ввела комплексную систему менеджмента качества с 2015 года, чтобы строго контролировать каждый процесс от исследований и разработок, производства, испытаний и послепродажного отслеживания.также используют высокие технологии для улучшения производительности продукции и используют точные инструменты для обеспечения качества продукции.
CENO electronics стремится стать ведущим производителем профессиональных скользких колец в мире.RoHS и некоторые патенты на передовые технологииПродажи продукции охватывают более 30 провинций и районов внутри страны и широко продаются за рубежом, таких как США, Германия, Италия, Швейцария, Великобритания, Франция, Сингапур, Япония, Корея, Индонезия и так далее.Мы предоставляем услуги OEM & ODM для многих известных компаний в мире.
Электронная почта:sales@ceno360.com
Скайп:Слипринг360
Телефон:+86 ((755) 2342 0945
Факс:+86 ((755) 2342 0749
Веб-сайт:www.ceno360.com
Добавьте:Здание B, Технологический промышленный парк Синьцзяньсин, улица Фэньсинь, новый район Гуанмин, Шэньчжэнь, Китай.