Военное кольцо выскальзывания блинчика оборудования 12VAC IP40 8mm
Кольцо выскальзывания блинчика как другая форма хотя кольца выскальзывания отверстия. Кольца выскальзывания блинчика CENO конструированы для нескольк оборудования которое вертикальному космосу ограничивают пока горизонтальный космос более менее рестриктивн. Этот тип кольцо выскальзывания обеспечивает ультратонкую толщину для особенного ограниченного космоса установки. Толщина смогла быть до 4mm. Этот добросердечный дизайн кольца выскальзывания блинчика со сквозным отверстием или никакое отверстие не опционные.
Спецификация
| PCN030-05 | |
| Кольца | 5*0.2A |
| Напряжение тока | 0~12VAC/VDC |
| Электрический шум | ≤70mΩ (50rpm) |
| Диэлектрическая прочность | ≥ 300V@50Hz |
| Сопротивление изоляции | ≥100MΩ@100VDC |
| Скорость обработки | 0-60 rpm |
| Материал контакта | Золото к золоту |
| Расквартировывать материал | Алюминиевый сплав |
| Ранг предохранения от IP | IP40 |
| Через размер отверстия | 30 mm |
Особенности
Применения
Опционный
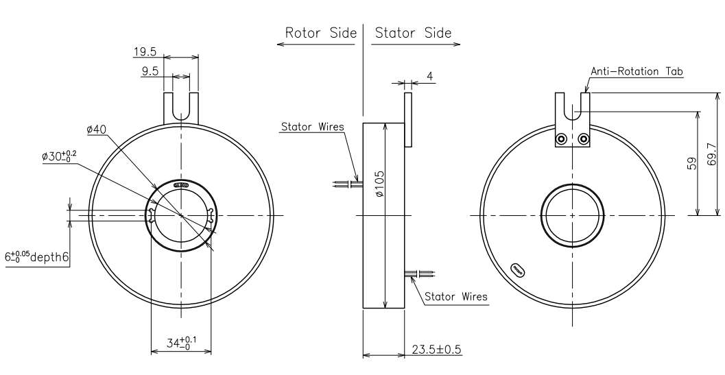
Чертеж плана

Почему с CENO
CENO одна технологически компания в поле кольца выскальзывания которое включает научные исследования и разработки, производство и продажи. Мы выдвигали аппаратуры оборудования и теста высокой точности для обеспечения качеств продукции и надежного характеристики рабочого. Зона объекта покрывает 3000 квадратных метров и обнаруженная местонахождение в Шэньчжэне Китае.

Аттестация
ISO9001, CE, RoHS, UL, взрывозащищенный

Преимущество CENO
Член в проектировать команду имеет больше многолетний опыт чем 10 в поле кольца выскальзывания. Операторы работают на критической процедуре всем квалифицированы внутренней тренировкой.
Обслуживание CENO обеспечивает
24 часа, обслуживание консультанта 7days.
Массовая и подгонянная продукция.
Решение offerring для системы вращения 360°.
Добро пожаловать, который нужно посоветовать с нами с вашими запросами для любой системы вращения 360°. Мы снабдим одно обслуживание стопа вы своевременные отвечаем ваши дознания.