Анти- сжимая кольцо выскальзывания полого вала 150rpm 380VDC 38.1mm
Кольцо выскальзывания полого вала со снабжением жилищем алюминиевого сплава, внутренним диаметром 38,1 mm
До отверстие кольца выскальзывания также вызваны как размер отверстия кольца выскальзывания полого вала выскальзывания rings.CENO полого вала от 3mm до 5000mm опционные. Продукт назвал ECN038-24P3-12S со сквозным размером скважины 38.1mm.CENO может конструировать этот тип с размером отверстия от 3mm до 5000mm опционный. Различный сигнал как локальные сети, USB, HDMI, SDI, profibus Canbus и сила способны быть интегрированным в кольца одного выскальзывания.
Особенность сквозного кольца выскальзывания отверстия
Передайте силу и сигнал
Сила и сигнал смешаны переданный, и категории сигнала следующим образом:
Локальные сети: Тариф (10Mbps/100Mbps/1000Mbps)
Промышленные локальные сети: Локальные сети, EtherCAT, ProfiNet, Powerlink, SercosIII/IP, etc.
Видео HD: SDI, LVDS, etc.
Серийное сообщение: RS232, RS485, RS422, etc.
Универсальная последовательная шина: USB2.0
Промышленное Fieldbus: CANBus, ProfiBus, InterBus, CC-связь, DeviceNet, etc.
Сигнал датчика: термальное сопротивление, термопара, тензометрический датчик, etc.
Длинный срок службы, не требующий ухода
Легкий для установки
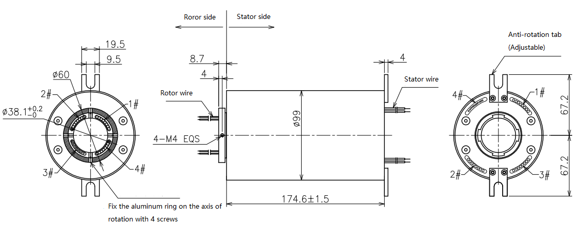
Спецификация ECN038-24P3-12S
| Цепи | 24*15A, 12*signal | 
| Напряжение тока | 0~380VAC/VDC | 
| Электрический шум | ≤30mΩ (50rpm) | 
| Диэлектрическая прочность | ≥ 1000V@50Hz (сила) ≥ 300V@50Hz (сигнал) | 
| Сопротивление изоляции | ≥500MΩ@500VDC (сила) ≥100MΩ@100VDC (сигнал) | 
| Скорость обработки | 0-150 rpm | 
| Материал контакта | Драгоценный металл | 
| Расквартировывать материал | Окись алюминиевого сплава sandblasted черная | 
| Ранг предохранения от IP | IP54 | 
| Через размер отверстия | 38,1 mm | 
Преимущества
Применения
Опционный
Наше обслуживание
1. Дознание ответа в 24 часах.
2. Пожалуйста добросердечно сообщить нас которые детали вы заинтересованы & умеренная цена будет обеспечена вам на получении вашего нового дознания КАК МОЖНО СКОРЕЕ.
3. Ответите ваш детализированный вопрос.
4. Разрешил проблему с вами во время использования наших продуктов.
5. Образцы будут предложены к вам для нашего будущего сотрудничества.
Чертеж плана

Почему с CENO
  
CENO одна технологически компания в поле кольца выскальзывания которое включает научные исследования и разработки, производство и продажи. Мы выдвигали аппаратуры оборудования и теста высокой точности для обеспечения качеств продукции и надежного характеристики рабочого. Зона объекта покрывает 3000 квадратных метров и обнаруженная местонахождение в Шэньчжэне Китае.

Аттестация
ISO9001, CE, RoHS, UL, взрывозащищенный

Преимущество CENO
Член в проектировать команду имеет больше многолетний опыт чем 10 в поле кольца выскальзывания. Операторы работают на критической процедуре всем квалифицированы внутренней тренировкой.
Обслуживание CENO обеспечивает
24 часа, обслуживание консультанта 7days.
Массовая и подгонянная продукция.
Решение offerring для системы вращения 360°.
Добро пожаловать, который нужно посоветовать с нами с вашими запросами для любой системы вращения 360°. Мы снабдим одно обслуживание стопа вы своевременные отвечаем ваши дознания.