Роторная капсула кольца выскальзывания 400VAC с материалом соединителя DP алюминиевым расквартировывая
ACN022-01S кольцо выскальзывания капсулы с соединителем DP, оно использовало для порта дисплея, такого же как HD-SDI, USB, серии HDMI.ACN имеют компактную внутреннюю структуру и стабилизированную передачу.
Кольца этого выскальзывания серии можно использовать в любой электро-механической системе которая требует безудержного, непрерывного вращения пока переносящ силу или данные от неподвижного к вращая структуре. Она также вызвана роторным электрическим интерфейсом, коммутантом, сборником, шарнирное соединение или электрическое роторное joint.ACN022-01S кольцо выскальзывания капсулы с соединителем DP, оно использовало для порта дисплея, такого же как HD-SDI, USB, серии HDMI.ACN имеют компактную внутреннюю структуру и стабилизированную передачу. Номер кольца ряд от 2 колец до 100 колец. Сила и сигнал легко быть интегрированным в кольца одного выскальзывания под нашими летами доказанного метода. Типичный внешний диаметр 5.5mm, 12.4mm, 22mm в этих сериях.
Спецификация
| ACN022-01S | Спецификация |
| Цепи & течение | Кабель 1*DP |
| Напряжение тока | 0~400VAC/VDC |
| Диэлектрическая прочность | ≥ 100V@50Hz (сигнал) |
| Сопротивление изоляции | ≥10MΩ@100VDC (сигнал) |
| Скорость обработки | 0-100 rpm |
| Материал контакта | Драгоценный металл |
| Расквартировывать материал | Пластмассы инженерства |
| Соединитель | Разъем-розетка DP |
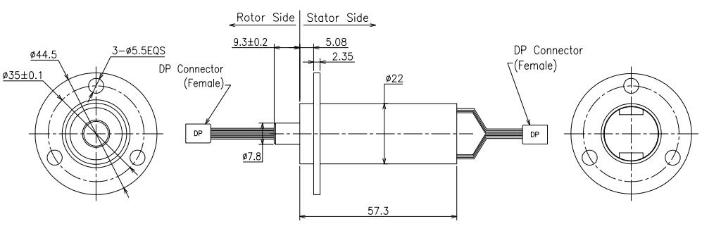
| Вне диаметр | 22 mm |
| Работая температура | -20°C | +60°C |
Особенности
Применения
Опционный
Чертеж плана

Наше обслуживание
1. Дознание ответа в 24 часах.
2. Пожалуйста добросердечно сообщить нас которые детали вы заинтересованы & умеренная цена будет обеспечена вам на получении вашего нового дознания КАК МОЖНО СКОРЕЕ.
3. Ответите ваш детализированный вопрос.
4. Разрешил проблему с вами во время использования наших продуктов.
5. Образцы будут предложены к вам для нашего будущего сотрудничества.
вопросы и ответы
1. Чего мы делаем?
Мы фокусируем на превращаться, sliprings конструировать, изготовлять высококачественные, и предлагаем различные решения для вращая систем.
2. Сколько времени мы в деле?
CENO установило дело колец выскальзывания с 2009. Мы имеем тысячи клиентов признавали наши продукты или обслуживания.
3. Что кольцо выскальзывания?
Кольцо выскальзывания электро-механический прибор который позволяет передаче силы и электрических сигналов от неподвижного к вращая структуре. Кольцо выскальзывания можно использовать в любой электро-механической системе которая требует вращения пока передающ силу или сигналы. Оно может улучшить механическое представление, упростить работу энергетической системы и исключить повреждени-прональные провода качая от передвижных соединений.
4. Как я выбираю кольцо выскальзывания?
Свойственный выбор решения кольца выскальзывания требует деталей о параметрах вашего применения работая включая полные цепи, напряжение тока и amps в цепь, скорость обработки, и тип установки. Прекрасное место для начала вашего поиска с нашими стандартными кольцами выскальзывания. Если вы уверены, то что изготовленному на заказ/доработанному решению наиболее вероятно необходимо или нужна помощь в вашем выборе, свяжитесь мы для того чтобы получить начатым.
5. Вы предлагаете изготовленные на заказ кольца выскальзывания?
Да, если вы уверены, то что изготовленному на заказ/доработанному решению наиболее вероятно необходимо или нужна помощь в вашем выборе, свяжитесь мы для того чтобы получить начатый. Наши инженеры придут вверх с идеальным решением для ваших потребностей.
Почему с CENO
CENO одна технологически компания в поле кольца выскальзывания которое включает научные исследования и разработки, производство и продажи. Мы выдвигали аппаратуры оборудования и теста высокой точности для обеспечения качеств продукции и надежного характеристики рабочого. Зона объекта покрывает 3000 квадратных метров и обнаруженная местонахождение в Шэньчжэне Китае.
Аттестация
ISO9001, CE, RoHS, UL, взрывозащищенный
Преимущество CENO
Член в проектировать команду имеет больше многолетний опыт чем 10 в поле кольца выскальзывания. Операторы работают на критической процедуре всем квалифицированы внутренней тренировкой.
Обслуживание CENO обеспечивает
24 часа, обслуживание консультанта 7days.
Массовая и подгонянная продукция.
Решение offerring для системы вращения 360°.
Добро пожаловать, который нужно посоветовать с нами с вашими запросами для любой системы вращения 360°. Мы снабдим одно обслуживание стопа вы своевременные отвечаем ваши дознания.