38.1mm внутреннее бурят кольцо выскальзывания полого вала интегрируют сигнал USB2.0, RS232 & 1000M Etherenet, работая скорость 0~ 300 rpm
Кольцо выскальзывания USB разрешить проблему передачи сигнала данным по большой емкости между элементами системы поворачивая соединение, и обеспечивает самое лучшее техническое solutions.CENO может интегрировать различное сигналов и различной настоящей оценки в одном кольце выскальзывания. ECN038-27P-15S-08EG. - 02U2A одно интегрирует настоящее, RS232, сигнал локальных сетей 1000M, USB2.0. Также смогите обеспечить такой вид сквозной скважины кольцо выскальзывания с внутренней скважиной от 3mm к сигналу 980mm.USB обеспечивает удобный взаимодействующий порт для всех видов оборудования связи, поэтому проводное кольцо выскальзывания USB2.0 широко было использовано во всех видах систем коммуникаций. Пожалуйста контактируйте с CENO если вы имеете любые особенные требования о кольце выскальзывания.
Особенности
Применения
Опционный
Спецификация
| ECN038-27P-15S-08EG. - 02U2 | Спецификация |
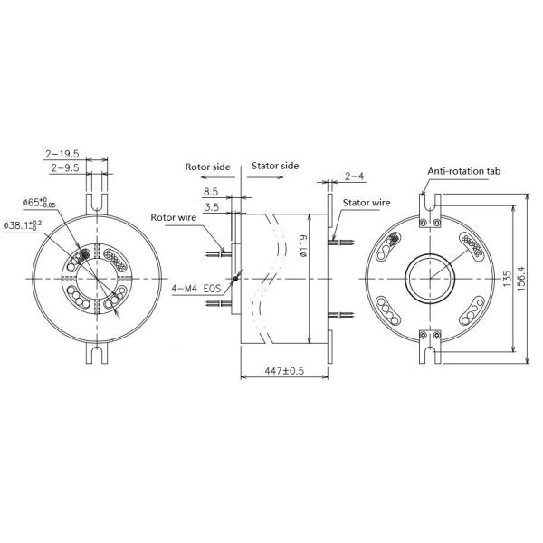
| Цепи & течение | 16*10A, 3*2A, 2*1A, 6*5A, 11*signal, локальные сети 1*RS232,8*1000M, 2*USB2.0 |
| Напряжение тока | 0~220VAC/VDC |
| Диэлектрическая прочность | ≥ 1000V@50Hz (сила) ≥ 300V@50Hz (сигнал) |
| Сопротивление изоляции | ≥500MΩ@500VDC (сила) ≥100MΩ@100VDC (сигнал) |
| Электрический шум | ≤30mΩ (50 rpm) |
| Скорость обработки | 0-300 rpm |
| Материал контакта | Драгоценный металл |
| Расквартировывать материал | Алюминиевый сплав |
| Ранг IP | IP54 |
| Внутренний размер отверстия | 38.1mm |
Чертеж плана

Почему с CENO
CENO одна технологически компания в поле кольца выскальзывания которое включает научные исследования и разработки, производство и продажи. Мы выдвигали аппаратуры оборудования и теста высокой точности для обеспечения качеств продукции и надежного характеристики рабочого. Зона объекта покрывает 3000 квадратных метров и обнаруженная местонахождение в Шэньчжэне Китае.

Аттестация
ISO9001, CE, RoHS, UL, взрывозащищенный

Преимущество CENO
Член в проектировать команду имеет больше многолетний опыт чем 10 в поле кольца выскальзывания. Операторы работают на критической процедуре всем квалифицированы внутренней тренировкой.

Обслуживание CENO обеспечивает
24 часа, обслуживание консультанта 7days.
Массовая и подгонянная продукция.
Решение offerring для системы вращения 360°.
Добро пожаловать, который нужно посоветовать с нами с вашими запросами для любой системы вращения 360°. Мы снабдим одно обслуживание стопа вы своевременные отвечаем ваши дознания.