Пищевая промышленность IP65 делает шторки водостойким 20A через кольцо выскальзывания скважины
Водоустойчивое кольцо выскальзывания IP65 с силой 20A, алюминиевое снабжение жилищем, используемое для оффшорного оборудования, пищевая промышленность, нефтяная скважина.
Серия ECN семья крепких сквозных колец выскальзывания скважины, с центральным отверстием до 980 mm. Кольца выскальзывания это серия имеют характеристики контакта драгоценного металла и длинного срока службы до 230 миллионов повороты. Furthermore, они водоустойчива, давлени-защитна, и вибрации устойчива. Ориентированные на заказчика подводящие провода и соединители поддерживают вс вставляемые включая руководство летая. Кольцо выскальзывания CENO водоустойчивое может достигнуть к IP65, IP67, IP68, оно может работать под применением воды 1000M.Typical как оборудование корабля оффшорное, бурение нефтяных скважин и запросы еды processing.any особенные угождают контакту с нами.
Особенность
Применение
Опционный
Спецификация
| ECN000-05P | Спецификация |
| Цепи & течение | 2*20A, 1*PE, 2*1A |
| Напряжение тока | 120VAC/24VDC |
| Электрический шум | Макс 10mΩ (50rpm) |
| Диэлектрическая прочность |
≥ 1000V@50Hz ≥ 500V@50Hz (сигнал) |
| Сопротивление изоляции |
500MΩ@500VDC 100MΩ@300VDC (сигнал) |
| Скорость обработки | 0-10 rpm |
| Материал контакта | Драгоценный металл |
| Расквартировывать материал | Алюминиевое снабжение жилищем |
| Ранг предохранения от IP | IP65 |
| Через размер отверстия | Никакие |
| Работая температура | -20C°~ +60C° |
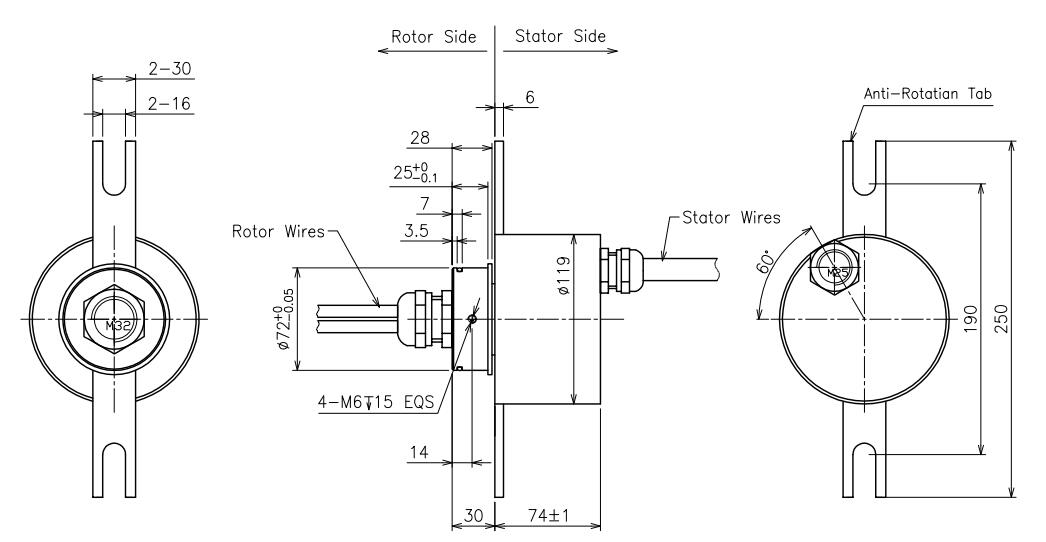
Чертеж плана

Наше обслуживание
1. Дознание ответа в 24 часах.
2. Пожалуйста добросердечно сообщить нас которые детали вы заинтересованы & умеренная цена будет обеспечена вам на получении вашего нового дознания КАК МОЖНО СКОРЕЕ.
3. Ответите ваш детализированный вопрос.
4. Разрешил проблему с вами во время использования наших продуктов.
5. Образцы будут предложены к вам для нашего будущего сотрудничества.
вопросы и ответы
1. Чего мы делаем?
Мы фокусируем на превращаться, sliprings конструировать, изготовлять высококачественные, и предлагаем различные решения для вращая систем.
2. Сколько времени мы в деле?
CENO установило дело колец выскальзывания с 2009. Мы имеем тысячи клиентов признавали наши продукты или обслуживания.
3. Что кольцо выскальзывания?
Кольцо выскальзывания электро-механический прибор который позволяет передаче силы и электрических сигналов от неподвижного к вращая структуре. Кольцо выскальзывания можно использовать в любой электро-механической системе которая требует вращения пока передающ силу или сигналы. Оно может улучшить механическое представление, упростить работу энергетической системы и исключить повреждени-прональные провода качая от передвижных соединений.
4. Как я выбираю кольцо выскальзывания?
Свойственный выбор решения кольца выскальзывания требует деталей о параметрах вашего применения работая включая полные цепи, напряжение тока и amps в цепь, скорость обработки, и тип установки. Прекрасное место для начала вашего поиска с нашими стандартными кольцами выскальзывания. Если вы уверены, то что изготовленному на заказ/доработанному решению наиболее вероятно необходимо или нужна помощь в вашем выборе, свяжитесь мы для того чтобы получить начатым.
5. Вы предлагаете изготовленные на заказ кольца выскальзывания?
Да, если вы уверены, то что изготовленному на заказ/доработанному решению наиболее вероятно необходимо или нужна помощь в вашем выборе, свяжитесь мы для того чтобы получить начатый. Наши инженеры придут вверх с идеальным решением для ваших потребностей.
CENO одна технологически компания в поле кольца выскальзывания которое включает научные исследования и разработки, производство и продажи. Мы выдвигали аппаратуры оборудования и теста высокой точности для обеспечения качеств продукции и надежного характеристики рабочого. Зона объекта покрывает 3000 квадратных метров и обнаруженная местонахождение в Шэньчжэне Китае.
Почему с CENO

Аттестация
ISO9001, CE, RoHS, UL, взрывозащищенный

Преимущество CENO
Член в проектировать команду имеет больше многолетний опыт чем 10 в поле кольца выскальзывания. Операторы работают на критической процедуре всем квалифицированы внутренней тренировкой.

Обслуживание CENO обеспечивает
24 часа, обслуживание консультанта 7days.
Массовая и подгонянная продукция.
Решение offerring для системы вращения 360°.
Добро пожаловать, который нужно посоветовать с нами с вашими запросами для любой системы вращения 360°. Мы снабдим одно обслуживание стопа вы своевременные отвечаем ваши дознания.