SM MM интегрировал оптическое волокно 50rpm IP66 роторное соединяет
Интегрированное кольцо выскальзывания с силой, сигналом и 2 каналами оптического волокна .used для оборудования энергии ветра, испытательного оборудования
Интегрированное кольцо выскальзывания с силой/сигналом и 2 каналами оптического волокна.
Интегрированное кольцо выскальзывания CENO нештатное series.POWER/SIGNAL + дизайн ОПТИЧЕСКОГО ВОЛОКНА РОТОРНЫЙ СОВМЕСТНЫЙ согласно особенному применению, к интегрирует течение, цепи сигнала и соединение стекловолокна. Свое течение смогло до нескольк 100 амперов и свой сигнал смог покрыть весь вид типа основания сигнала на уместном применении. Соединение стекловолокна включают sigell-режим и мультимодные с diverious каналом от канала сигнала к множества канал. Этот вид интегрированного slipring получает хорошее представление и различную функцию, тогда он широко использован в кране варианта электрическом.
Соединение оптического волокна роторное обеспечивает самое лучшее решение для данных передавая для роторных систем соединений. Соответствующее для применения которому нужно передать большие данные или сигналы от статического прибора роторному положению когда непрерывный или прерывистый вращать. Полагающся на способности НИОКР CENO сильной и опытной команде инженерства, больше и больше модель оптического волокна роторная совместная приходит вне.

Спецификация ECN000-02P-04S-02F-IP66
| Кольца | 2*2A, 2*20mA (сигнал) |
| Напряжение тока | 0-200VAC/VDC |
| Электрический шум | ≤30mΩ (50rpm) |
| Скорость обработки | 0-50 rpm |
| Материал контакта | Драгоценный металл |
| Расквартировывать материал | Сталь алюминиевого сплава +stainless |
| Ранг предохранения от IP | IP66 |
| Канал волокна | 2 канала |
| Режим волокна | SM & MM |
| Длина волны |
1310/1550nm (SM) 850/1310nm (MM) |
| Тип соединителя | SC |
Преимущества
Применения
Опционный
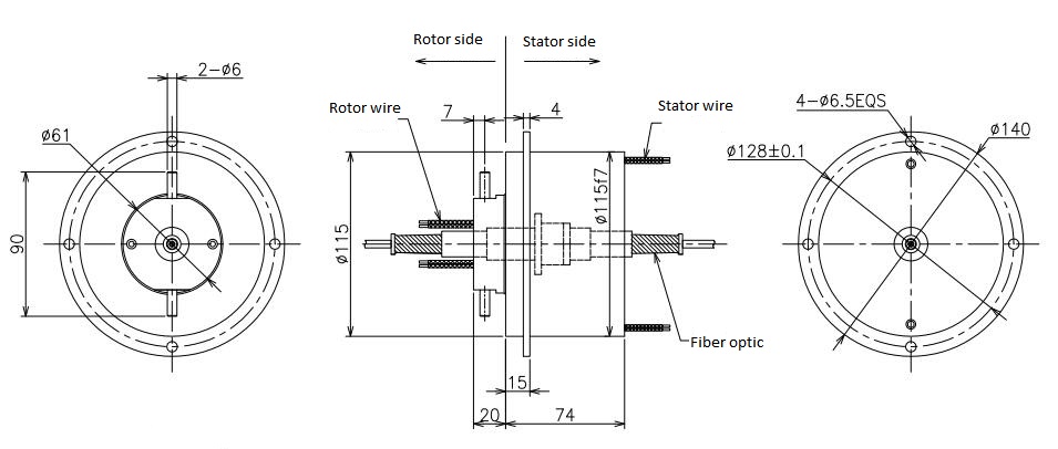
Чертеж плана

Наше обслуживание
1. Дознание ответа в 24 часах.
2. Пожалуйста добросердечно сообщить нас которые детали вы заинтересованы & умеренная цена будет обеспечена вам на получении вашего нового дознания КАК МОЖНО СКОРЕЕ.
3. Ответите ваш детализированный вопрос.
4. Разрешил проблему с вами во время использования наших продуктов.
5. Образцы будут предложены к вам для нашего будущего сотрудничества.
Почему с CENO
CENO одна технологически компания в поле кольца выскальзывания которое включает научные исследования и разработки, производство и продажи. Мы выдвигали аппаратуры оборудования и теста высокой точности для обеспечения качеств продукции и надежного характеристики рабочого. Зона объекта покрывает 3000 квадратных метров и обнаруженная местонахождение в Шэньчжэне Китае.

Аттестация
ISO9001, CE, RoHS, UL, взрывозащищенный

Преимущество CENO
Член в проектировать команду имеет больше многолетний опыт чем 10 в поле кольца выскальзывания. Операторы работают на критической процедуре всем квалифицированы внутренней тренировкой.
Обслуживание CENO обеспечивает
24 часа, обслуживание консультанта 7days.
Массовая и подгонянная продукция.
Решение offerring для системы вращения 360°.
Добро пожаловать, который нужно посоветовать с нами с вашими запросами для любой системы вращения 360°. Мы снабдим одно обслуживание стопа вы своевременные отвечаем ваши дознания.