Снабжение жилищем 150rpm 200rpm алюминиевого сплава через кольцо выскальзывания отверстия
Через соединение скважины роторное с ID 50mm, используемым для направлять гидравлические пневматические проходы, 10*10A, 14*signal, алюминиевое снабжение жилищем
CENO было посвящено к обеспечивать высококачественные решения и блоки для различных полей умной автоматизации. ECN050-10P2-14S экономическое сквозное кольцо выскальзывания скважины для разнообразие сигналов и настоящей смешанной передачи. Сквозную скважину можно использовать для того чтобы установить кольцо выскальзывания на кронштейне или использовать для направлять гидравлические пневматические проходы по мере того как она может интегрировать пневматические гидравлические роторные соединения, высокочастотные роторные соединения и соединения оптического волокна роторные для того чтобы соотвествовать более технические.
Спецификация
| ECN050-10P2-14S | Спецификация | 
| Цепи | 10*10A, 14*signal | 
| Напряжение тока | 0~380VAC/VDC | 
| Электрический шум | ≤70mΩ (50rpm) | 
| Диэлектрическая прочность | ≥ 1000V@50Hz (сила & сигнал) | 
| Сопротивление изоляции | ≥500MΩ@500VDC (сила) ≥300MΩ@100VDC (сигнал) | 
| Скорость обработки | 0-100 rpm | 
| Расквартировывать материал | Алюминиевый сплав | 
| Материал контакта | Драгоценный металл | 
| Ранг предохранения от IP | IP54 | 
| Через размер отверстия | 50 mm | 
| Длина кабеля | 300 mm на обеих сторонах | 
Особенности
Сила и сигнал смешанные
Стабилизированная передача
Длинный срок службы
Включите кабели FLRY-B
До отверстие 50 mm
Алюминиевое снабжение жилищем
Применения
Система радиолокатора
Военное оборудование
Медицинское оборудование
Turntable
Машина упаковки
Опционный
Через размер отверстия
Настоящие оценка & номера
Тип сигнала
Ранг предохранения от IP
Длина кабеля
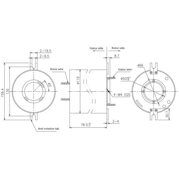
Чертеж плана

Наше обслуживание
1. Дознание ответа в 24 часах.
2. Пожалуйста добросердечно сообщить нас которые детали вы заинтересованы & умеренная цена будет обеспечена вам на получении вашего нового дознания КАК МОЖНО СКОРЕЕ.
3. Ответите ваш детализированный вопрос.
4. Разрешил проблему с вами во время использования наших продуктов.
5. Образцы будут предложены к вам для нашего будущего сотрудничества.
вопросы и ответы
1. Чего мы делаем?
Мы фокусируем на превращаться, sliprings конструировать, изготовлять высококачественные, и предлагаем различные решения для вращая систем.
2. Сколько времени мы в деле?
CENO установило дело колец выскальзывания с 2009. Мы имеем тысячи клиентов признавали наши продукты или обслуживания.
3. Что кольцо выскальзывания?
Кольцо выскальзывания электро-механический прибор который позволяет передаче силы и электрических сигналов от неподвижного к вращая структуре. Кольцо выскальзывания можно использовать в любой электро-механической системе которая требует вращения пока передающ силу или сигналы. Оно может улучшить механическое представление, упростить работу энергетической системы и исключить повреждени-прональные провода качая от передвижных соединений.
4. Как я выбираю кольцо выскальзывания?
Свойственный выбор решения кольца выскальзывания требует деталей о параметрах вашего применения работая включая полные цепи, напряжение тока и amps в цепь, скорость обработки, и тип установки. Прекрасное место для начала вашего поиска с нашими стандартными кольцами выскальзывания. Если вы уверены, то что изготовленному на заказ/доработанному решению наиболее вероятно необходимо или нужна помощь в вашем выборе, свяжитесь мы для того чтобы получить начатым.
5. Вы предлагаете изготовленные на заказ кольца выскальзывания?
Да, если вы уверены, то что изготовленному на заказ/доработанному решению наиболее вероятно необходимо или нужна помощь в вашем выборе, свяжитесь мы для того чтобы получить начатый. Наши инженеры придут вверх с идеальным решением для ваших потребностей.
Почему с CENO
  
CENO одна технологически компания в поле кольца выскальзывания которое включает научные исследования и разработки, производство и продажи. Мы выдвигали аппаратуры оборудования и теста высокой точности для обеспечения качеств продукции и надежного характеристики рабочого. Зона объекта покрывает 3000 квадратных метров и обнаруженная местонахождение в Шэньчжэне Китае.

Аттестация
ISO9001, CE, RoHS, UL, взрывозащищенный

Преимущество CENO
Член в проектировать команду имеет больше многолетний опыт чем 10 в поле кольца выскальзывания. Операторы работают на критической процедуре всем квалифицированы внутренней тренировкой.
Обслуживание CENO обеспечивает
24 часа, обслуживание консультанта 7days.
Массовая и подгонянная продукция.
Решение offerring для системы вращения 360°.
Добро пожаловать, который нужно посоветовать с нами с вашими запросами для любой системы вращения 360°. Мы снабдим одно обслуживание стопа вы своевременные отвечаем ваши дознания.