Высокие кольца выскальзывания сопротивления изоляции гибридные передают силу и сигнал
Промышленные стойка колец выскальзывания для надежной передачи электропитания, сетноая-аналогов, или цифровых сигналов, так же, как для передачи автобусов поля и промышленных локальных сетей. они широко использованы в оборудовании судостроения или другом промышленном. свое хорошее сопротивление изоляции и высоковольтное сопротивление, и держать стабилизированное представление.
Особенности
Применения
Опционный
Спецификация
| ECN000-02P3-10S Спецификация | Изображение | |
| Настоящий | 2*15A, 10*signal | ![]() |
| Напряжение тока | 0-380VAC/VDC | |
| Электрический шум | ≤70mΩ (50rpm) | |
| Диэлектрическая прочность | ≥ 1000V@50Hz (сила) ≥ 300V@50Hz (сигнал) | |
| Сопротивление изоляции | ≥500MΩ@500VDC (сила) ≥300MΩ@100VDC (сигнал) | |
| Скорость обработки | 0-300 rpm | |
| Материал контакта | Драгоценные металлы | |
| Рабочая температура | -20~+60℃ | |
| Ранг предохранения от IP | IP54 | |
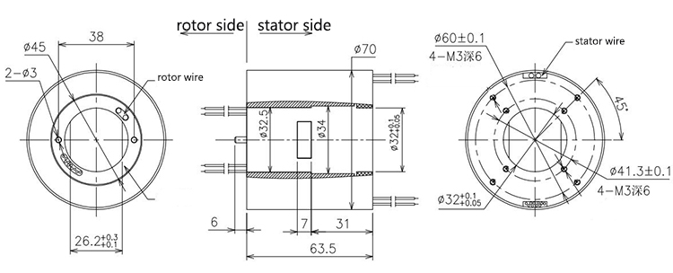
Чертеж плана

Почему с CENO
CENO одна технологически компания в поле кольца выскальзывания которое включает научные исследования и разработки, производство и продажи. Мы выдвигали аппаратуры оборудования и теста высокой точности для обеспечения качеств продукции и надежного характеристики рабочого. Зона объекта покрывает 3000 квадратных метров и обнаруженная местонахождение в Шэньчжэне Китае.

Аттестация
ISO9001, CE, RoHS, UL, взрывозащищенный

Преимущество CENO
Член в проектировать команду имеет больше многолетний опыт чем 10 в поле кольца выскальзывания. Операторы работают на критической процедуре всем квалифицированы внутренней тренировкой.

Обслуживание CENO обеспечивает
24 часа, обслуживание консультанта 7days.
Массовая и подгонянная продукция.
Решение offerring для системы вращения 360°.
Добро пожаловать, который нужно посоветовать с нами с вашими запросами для любой системы вращения 360°. Мы снабдим одно обслуживание стопа вы своевременные отвечаем ваши дознания.