Мини кольцо выскальзывания 300Rpm капсулы 25mm 2A 360Rotation AWG28 с серебряной покрытой медью
Мини кольцо выскальзывания капсулы с очень небольшим наружным диаметром 5.5mm-15.5mm. Мы также вызываем их кольцами выскальзывания капсулы.
Главным образом использованный к сигналу перехода слабому и слабому течению в небольшой средней системе. Как видео- воспринимая локальные сети и электропитание с низким вращающим моментом, плавный ход, низкий электрический шум, малопотертый эти важные особенности.
Наша компания может подгонять все виды миниатюрного кольца выскальзывания, супер миниатюрного кольца выскальзывания и много других колец выскальзывания.
Добро пожаловать, который нужно навестить мы через WWW.360.com для больше информации.
Особенности
Применения
Опционный
Спецификация
| Спецификация ACN25 | Изображение | |
| Настоящий | 2A/circuit | ![]() |
| Цепь | 30,36,46,56 | |
| Напряжение тока | 240VAC/DC | |
| Электрический шум | <10m Ω | |
| Скорость обработки | 0-300 rpm | |
| Материал контакта | Драгоценные металлы | |
| Рабочая температура | -20~+80℃ | |
| Ранг защиты | IP54 | |
| OD | 25mm | |
| Размер подводящего провода | AWG26#, серебряная покрытая медь 28# | |
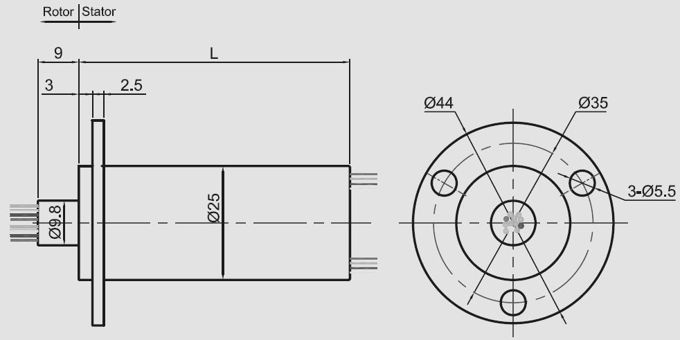
Чертеж плана

Длина
| Модель | Номер цепи | L (mm) |
| ACN25-30 | 30 | 51,7 |
| ACN25-36 | 36 | 59,5 |
| ACN25-46 | 46 | 72,5 |
| ACN25-56 | 56 | 85,5 |
Аттестация
ISO9001, CE, RoHS, UL, взрывозащищенный
Преимущество CENO
Член в проектировать команду имеет больше многолетний опыт чем 10 в поле кольца выскальзывания. Операторы работают на критической процедуре всем квалифицированы внутренней тренировкой.
Добро пожаловать, который нужно посоветовать с нами с вашими запросами для любой системы вращения 360°. Мы снабдим одно обслуживание стопа вы своевременные отвечаем ваши дознания.