Multi кольцо выскальзывания капсулы каналов для имитатора движения
Это кольцо выскальзывания выглядит как кольцо выскальзывания капсулы, но свои особенности multi каналы, 64 цепи полной, большинств провода переплетенный защищаемый провод, наружный диаметр 40mm, компактный размер, работая скорость 200rpm, внутри материала контакта золото к золоту, расквартировывая материал алюминиевый сплав, вид кольца выскальзывания использованы для имитатора движения.
Особенности
Применения
Опционный
Спецификация
| Спецификация ECN000-64P | Изображение | |
| Цепь &Current | 36*1A, 20*2A, 8*3A | ![]() |
| Напряжение тока | 0- 240 VAC/VDC | |
| Электрический шум | 10m Ω максимальные | |
| Диэлектрическая прочность | ≥ 1000V@50Hz (сила) ≥ 300V@50Hz (сигнал) | |
| Сопротивление изоляции | ≥300MΩ@500VDC (сила) ≥100MΩ@100VDC (сигнал) | |
| Скорость обработки | 0-200 rpm | |
| Материал контакта | золото к золоту | |
| Расквартировывать материал | алюминиевый сплав | |
| OD | Φ40mm | |
| Рабочая температура | -20~+60℃ | |
| Ранг предохранения от IP | IP54 | |
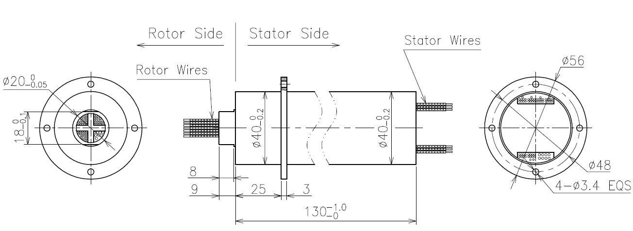
Чертеж плана

Почему с CENO
CENO одна технологически компания в поле кольца выскальзывания которое включает научные исследования и разработки, производство и продажи. Мы выдвигали аппаратуры оборудования и теста высокой точности для обеспечения качеств продукции и надежного характеристики рабочого. Зона объекта покрывает 3000 квадратных метров и обнаруженная местонахождение в Шэньчжэне Китае.
Аттестация
ISO9001, CE, RoHS, UL, взрывозащищенный
Преимущество CENO
Член в проектировать команду имеет больше многолетний опыт чем 10 в поле кольца выскальзывания. Операторы работают на критической процедуре всем квалифицированы внутренней тренировкой.
Обслуживание CENO обеспечивает
24 часа, обслуживание консультанта 7days.
Массовая и подгонянная продукция.
Решение offerring для системы вращения 360°.
Добро пожаловать, который нужно посоветовать с нами с вашими запросами для любой системы вращения 360°. Мы снабдим одно обслуживание стопа вы своевременные отвечаем ваши дознания.