Сила кольца выскальзывания USB размера капсулы передавая и не просигнализировать никакую потерю пакета отсутствие перекрестных помех
Кольцо выскальзывания USB разрешает проблему передачи сигнала данным по большой емкости между элементами системы поворачивая соединение, и обеспечивает самые лучшие технические решения.
Кольцо выскальзывания USB специально конструировало передать сигналы USB1.0/USB2.0 с преимуществом надежный передавать, никакая потеря пакета, никакой код строки, низкая возвращенная потеря, низкая вносимая потеря.
Если вы имеете специфическое подгонянное требование, то пожалуйста чувствуйте что свободный для того чтобы связаться мы так, что наши инженер по сбыту смогл порекомендовать самый соответствующий продукт к вам для вашей ссылки.
Применения
Особенности
Опционный
Спецификация
| ACN-02P-01UB Спецификация | Изображение | |
| Настоящий | 2*2A; 1*USB2.0 | ![]() |
| Работая температура | -20℃~+60℃ | |
| Ранг защиты | IP54 | |
| Работая скорость | 0~10rpm | |
| Материал контакта | Драгоценный металл | |
| Классифицируя напряжение тока | 0-220V AC/DC | |
| Размер подводящего провода | AWG28#; Провод USB2.0 | |
| Электрический шум | <15m Ω | |
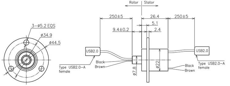
Чертеж плана

Почему с CENO
CENO одна технологически компания в поле кольца выскальзывания которое включает научные исследования и разработки, производство и продажи. Мы выдвигали аппаратуры оборудования и теста высокой точности для обеспечения качеств продукции и надежного характеристики рабочого. Зона объекта покрывает 3000 квадратных метров и обнаруженная местонахождение в Шэньчжэне Китае.
Аттестация
ISO9001, CE, RoHS, UL, взрывозащищенный
Преимущество CENO
Член в проектировать команду имеет больше многолетний опыт чем 10 в поле кольца выскальзывания. Операторы работают на критической процедуре всем квалифицированы внутренней тренировкой.
Обслуживание CENO обеспечивает
24 часа, обслуживание консультанта 7days.
Массовая и подгонянная продукция.
Решение offerring для системы вращения 360°.
Добро пожаловать, который нужно посоветовать с нами с вашими запросами для любой системы вращения 360°. Мы снабдим одно обслуживание стопа вы своевременные отвечаем ваши дознания.