Среднее кольцо выскальзывания USB размера передавая сигнал USB2.0 с женщиной и разъем-вилкой USB
Кольцо выскальзывания USB CENO specailly конструировало передать сигналы USB1.0/USB2.0/USB3.0, его можно приложить к любому прибору которому нужно передать проводную силу и один или больше сигнал USB канала во время вращать 360 градусов. С преимуществами надежный передавать, отсутствие потери пакета, отсутствие кода строки, низкой возвращенной потери, низкой вносимой потери. Модуль Equip усиливаясь, как ЭПИЦЕНТР ДЕЯТЕЛЬНОСТИ для увеличения дальности передачи, женщина USB и разъем-вилка доступен.
Любое требование, пожалуйста чувствует свободным связаться мы, и мы порекомендует самый соответствующий продукт к вам.
Особенности
Применения
Опционный
Спецификация
| Спецификация ECN018-04P-02U2 | Изображение | |
| Настоящий | 4 *5A; 1*earth; 2group USB2.0 | ![]() |
| Работая температура | -20℃~+60℃ | |
| Ранг защиты | IP54 | |
| Работая скорость | 0~300rpm | |
| Материал контакта | Драгоценный металл | |
| Классифицируя напряжение тока | 24VAC | |
| Размер подводящего провода | Сила DC wire/USB2.0 wire/AWG22# | |
| Через размер отверстия | Ø18mm | |
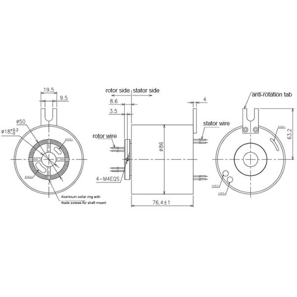
Чертеж плана

Почему с CENO
CENO одна технологически компания в поле кольца выскальзывания которое включает научные исследования и разработки, производство и продажи. Мы выдвигали аппаратуры оборудования и теста высокой точности для обеспечения качеств продукции и надежного характеристики рабочого. Зона объекта покрывает 3000 квадратных метров и обнаруженная местонахождение в Шэньчжэне Китае.

Аттестация
ISO9001, CE, RoHS, UL, взрывозащищенный

Преимущество CENO
Член в проектировать команду имеет больше многолетний опыт чем 10 в поле кольца выскальзывания. Операторы работают на критической процедуре всем квалифицированы внутренней тренировкой.

Обслуживание CENO обеспечивает
24 часа, обслуживание консультанта 7days.
Массовая и подгонянная продукция.
Решение offerring для системы вращения 360°.
Добро пожаловать, который нужно посоветовать с нами с вашими запросами для любой системы вращения 360°. Мы снабдим одно обслуживание стопа вы своевременные отвечаем ваши дознания.