Соединение блинчика компактного размера роторное с контактом Метериал драгоценного металла для станции итога 3Д
Кольцо выскальзывания блинчика КЭНО также вызвано кольцом выскальзывания диска из-за своего плана. Весьма тонка особенность этого кольца выскальзывания серии. Она очень приветствована теми применениями которые космосу установки ограничивают в высоте. Кольцо выскальзывания диска распределяет кольца в радиальном направлении для сохранения осевого космоса. Для получения более подробной информации, пожалуйста см. в в в.сено360.ком
Особенности
◆ весьма тонкое, космос спасения
Установка ◆ гибкая
Ротор и статор ◆ отдельные
Размер ◆ компактный
Толщина ◆ тонкая
Материал ПКБ ◆
Типичное применение
Освещение лампы ◆
Этап ◆ роторный
Оборудование войск ◆
Яхта ◆
Спецификация
| Спецификация ПКН022-06П | Изображение | |
| Настоящий | 6*1А | ![]() |
| Через размер скважины | Ø22мм | |
| Ранг защиты | ИП00 | |
| Работая скорость | 0~100рпм | |
| Материал контакта | Драгоценный металл | |
| Напряжение тока оценки | 380ВАК | |
| Материал снабжения жилищем | ПКБ (ФР-4) | |
| Работая влажность | Под 60%РХ | |
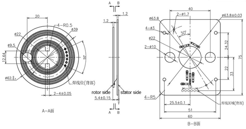
Чертеж плана

Почему с КЭНО
КЭНО одна технологически компания в поле кольца выскальзывания которое включает научные исследования и разработки, производство и продажи. Мы выдвигали аппаратуры оборудования и теста высокой точности для обеспечения качества продукции и надежного характеристики рабочого. Зона объекта покрывает 3000 квадратных метров и обнаруженная местонахождение в Шэньчжэне Китае.
Аттестация
ИСО9001, КЭ, РоХС, УЛ, взрывозащищенный
Преимущество КЭНО
Член в команде инженерства имеет больше многолетний опыт чем 10 в поле кольца выскальзывания. Операторы работают на критической процедуре всем квалифицированы внутренней тренировкой.
Обслуживание КЭНО обеспечивает
24 часа, обслуживание консультанта 7дайс.
Массовая и подгонянная продукция.
Решение офферринг для системы вращения 360°.
Добро пожаловать, который нужно посоветовать с нами с вашими запросами для любой системы вращения 360°. Мы снабдим одно обслуживание стопа вы своевременные отвечаем ваши дознания.