Кольцо выскальзывания низкой длинной жизни пыли большое настоящее для вьюрка и движения вперед кабеля
Кольцо выскальзывания CENO сильнотоковое, включает 50A, 100A, 250A, 500A, 1500A, 3000A и другие спецификации,
различные настоящие спецификации применимы к разнообразие различным размерам и силе покрывая оборудование,
с легкой установкой, подача легковеса и большой нагрузки. Соответствующий для покрывая и другие индустрий. Поддержка
сигнал аналогового сигнала и данных смешал передачу, материал контакта для приложения импортированного медного графита, надежного
представление, низкая пыль, длинная жизнь.
Типичные пользы
◆Индексируйте таблицу
◆Машина ткани
◆Ролик топления
◆Машина упаковки
Характеристики продукта
◆Отсутствие внутренности ртути
◆Плоский штырь заменить подводящий провод
◆Очень низкий электрический шум
◆Безуходная и лучшая установка чем традиционные кольца выскальзывания
◆Соответствующий для переноса сигнала и силы вращая приборов или аппаратуры
◆Компактный размер
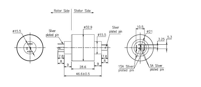
Спецификация
| Спецификация HCN04
| Изображение | |
| OD | 32.9mm |
|
| Номер штыря | 4 | |
| Скорость обработки | 300rpm | |
| Настоящая оценка | 2x5Amp, 2x14Amp | |
| Напряжение тока | 380VAC/DC | |
| Электрический шум | 10 миллиом максимальный. | |
| Диэлектрическая прочность | ≥500 ВПТ @50Hz, между каждой цепью | |
| Рабочая температура | -20~+60℃ | |
| Ранг защиты | IP54 | |
| Материал контакта | Драгоценный металл | |
| Расквартировывать материал | Пластмасса инженерства | |
| Вариант | Расквартировывать материал | |
Чертеж плана

Изображения применения



Почему с CENO
CENO одна технологически компания в поле кольца выскальзывания которое включает научные исследования и разработки, производство и продажи. Мы выдвигали аппаратуры оборудования и теста высокой точности для обеспечения качеств продукции и надежного характеристики рабочого. Зона объекта покрывает 3000 квадратных метров и обнаруженная местонахождение в Шэньчжэне Китае.
Аттестация
ISO9001, CE, RoHS, UL, взрывозащищенный
Преимущество CENO
Член в проектировать команду имеет больше многолетний опыт чем 10 в поле кольца выскальзывания. Операторы работают на критической процедуре всем квалифицированы внутренней тренировкой.
Обслуживание CENO обеспечивает
24 часа, обслуживание консультанта 7days.
Массовая и подгонянная продукция.
Решение offerring для системы вращения 360°.
Добро пожаловать, который нужно посоветовать с нами с вашими запросами для любой системы вращения 360°. Мы снабдим одно обслуживание стопа вы своевременные отвечаем ваши дознания.