размера шума 22mm OD кольца выскальзывания капсулы 0.1m Ω рука электрического небольшого автоматическая
Кольца выскальзывания размера CENO небольшие включают ACN, BCN, серию CCN. Они имеют гибкие варианты спецификаций для того чтобы выполнить различное и сложное требование систем. Мы также вызываем их кольцами выскальзывания капсулы. Номер кольца ряд от 2 колец до 100 колец. Сила и сигнал легко быть интегрированным в кольца одного выскальзывания под нашими летами доказанного метода. Выдающие типы сигнала локальные сети, canbus, profibus, RS, HDMI,
HD-SDI, USB и так далее. Типичный внешний диаметр 5.5mm, 12.4mm, 22mm в этих сериях.
Если вы имеете любой вопрос, то pls чувствуют свободными связаться мы.
Типичные применения
◆Постамент CCTV
◆Автоматическая рука
◆Медицинские оборудования
◆Роторная таблица индекса
◆Производственная линия, оборудования индустрии отростчатые
Преимущество
◆Непрерывная передача сигнала и/или данных под безудержным вращением 360°
◆Без шума, длинная жизнь
◆Низкий вращающий момент, ровное вращение
◆Электрический шум<0>
Спецификация
| Модель: ACN22B | Изображение | |
| Скорость обработки | 0-300 rpm |
|
| Количество цепей | 6,12,18,24, | |
| Настоящая оценка | 2A/circuit | |
| Напряжение тока | 240 VAC/DC | |
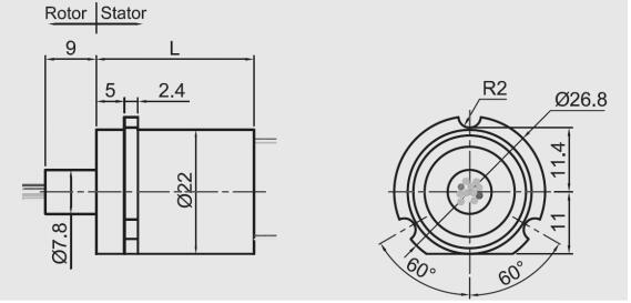
| Размер |
Φ22 mm |
|
| Работая влажность | 60%RH или высокая | |
| Электрический шум | <10m> | |
| Рабочая температура | -20~+80℃ | |
| Ранг защиты | IP54 | |
| Расквартировывать материал | Пластмассы инженерства | |
| Материал контакта | Драгоценные металлы | |
| Размер подводящего провода | серебряная покрытая медь 28# | |
| Вариант |
• Длина подводящего провода • Ранг IP • Скорость обработки |
|
Чертеж плана

Аттестация
ISO9001, CE, RoHS, UL, взрывозащищенный
Преимущество CENO
Член в проектировать команду имеет больше многолетний опыт чем 10 в поле кольца выскальзывания. Операторы работают на критической процедуре всем квалифицированы внутренней тренировкой.
Добро пожаловать, который нужно посоветовать с нами с вашими запросами для любой системы вращения 360°. Мы снабдим одно обслуживание стопа вы своевременные отвечаем ваши дознания.