Сигнал кодировщика локальных сетей соединения защищаемого хорошего провода водителя-Cliq и противоинтерференционного воздуха роторный
Соединение воздуха CENO роторное может пройти воздух обжатия, азот и поэтому соединение on.the роторное содержит 2 точное
подшипники, они делят ровный и длительный высокоскоростной ход с твердостью и гибкостью. С много
длинная жизнь преимуществ, быстрая доставка, локальная сеть transmit100M/1000M, интегрирует различный сигнал, противоинтерференционный.
Особенности
Применения
Опционный
Спецификация
| QCN0201-85-08P-04S-02EG. Спецификация | Изображение | |
| Настоящий | 8*30A; 4*2A; сигнал кодировщика 2 локальных сетей водителя-cliq группы | ![]() |
| Работая температура | -20℃~+60℃ | |
| Ранг защиты | IP54 | |
| Работая скорость | 0~150rpm | |
| Материал контакта | Драгоценный металл | |
| Классифицируя напряжение тока | 380VAC/VDC | |
| Размер подводящего провода | Провода водителя-cliq Сименс, AWG22# | |
| Работая влажность | Под 60%RH | |
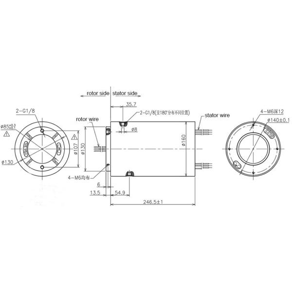
Чертеж плана

Почему с CENO
CENO одна технологически компания в поле кольца выскальзывания которое включает научные исследования и разработки, производство и продажи. Мы выдвигали аппаратуры оборудования и теста высокой точности для обеспечения качеств продукции и надежного характеристики рабочого. Зона объекта покрывает 3000 квадратных метров и обнаруженная местонахождение в Шэньчжэне Китае.

Аттестация
ISO9001, CE, RoHS, UL, взрывозащищенный

Преимущество CENO
Член в проектировать команду имеет больше многолетний опыт чем 10 в поле кольца выскальзывания. Операторы работают на критической процедуре всем квалифицированы внутренней тренировкой.
Обслуживание CENO обеспечивает
24 часа, обслуживание консультанта 7days.
Массовая и подгонянная продукция.
Решение offerring для системы вращения 360°.
Добро пожаловать, который нужно посоветовать с нами с вашими запросами для любой системы вращения 360°. Мы снабдим одно обслуживание стопа вы своевременные отвечаем ваши дознания.