Не требующие ухода небольшие провода кольца выскальзывания 18 размера с сигналом силы передают установку фланца
Кольцо выскальзывания размера CENO небольшое также вызвано как кольцо выскальзывания капсулы. Компактный размер плана популярен в камере и индустрии робототехники. Очень гибкую установку должную к своему приложению можно подвергнуть механической обработке согласно применению клиента реальному. Материал приложения может проектировать пластиковый, алюминиевый сплав или нержавеющую сталь. Внутри, структура кольца тип goove v, который нужно обеспечить что контакт надежен и никакой потребности добавить смазку.
Жизнь кольца выскальзывания зависит от реальных условий труда, как скорость вращения, температура и постоянное время деятельности. Добро пожаловать, который нужно связаться мы с вашими особенными требованиями.
Особенность
Типичное применение
Спецификация
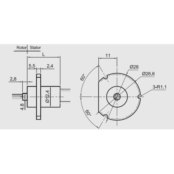
| BCN12-18 Спецификация | Изображение | |
| Цепь | 18 | ![]() |
| Напряжение тока | 240VAC/DC | |
| Электрический шум | <10m Ω | |
| Диэлектрическая прочность | ≥ 1000V@50Hz | |
| Сопротивление изоляции | 500MΩ@500VDC | |
| Скорость обработки | 0-300 rpm | |
| Материал контакта | Драгоценные металлы | |
| Рабочая температура | -20~+80℃ | |
| Размер | 12.4mm | |
| Ранг предохранения от IP | IP54 | |
Чертеж плана

Шоу применения


Почему с CENO
CENO одна технологически компания в поле кольца выскальзывания которое включает научные исследования и разработки, производство и продажи. Мы выдвигали аппаратуры оборудования и теста высокой точности для обеспечения качеств продукции и надежного характеристики рабочого. Зона объекта покрывает 3000 квадратных метров и обнаруженная местонахождение в Шэньчжэне Китае.
Аттестация
ISO9001, CE, RoHS, UL, взрывозащищенный
Преимущество CENO
Член в проектировать команду имеет больше многолетний опыт чем 10 в поле кольца выскальзывания. Операторы работают на критической процедуре всем квалифицированы внутренней тренировкой.
Обслуживание CENO обеспечивает
24 часа, обслуживание консультанта 7days.
Массовая и подгонянная продукция.
Решение offerring для системы вращения 360°.
Добро пожаловать, который нужно посоветовать с нами с вашими запросами для любой системы вращения 360°. Мы снабдим одно обслуживание стопа вы своевременные отвечаем ваши дознания.