Соединение сигнала локальных сетей роторное с кабельным соединением соединителя РДЖ45 и кота
2 типа кольца выскальзывания локальных сетей, намелы локальной сети капсулы и через локальные сети отверстия, которые имеют характеристики стабилизированной передачи, никакой потери пакета, никакого серийного номера, меньше потери, меньше вносимой потери и длинного срока службы.
Кабель етернет обеспечивает 2 режима соединения с кабелем соединителя РДЖ45 и кота для легкого соединения.
Спецификация
|
ЭКН025-20П2-38С |
Изображение | |
| Настоящий | 20*10А, 3* сигнал связи, локальные сети 32*1000М, 3*синьял | ![]() |
| Напряжение тока | 380ВАК/24ВДК | |
| Электрический шум | ≤70мΩ (50рпм) | |
| Диэлектрическая прочность |
≥ 1000V@50Hz (сила) ≥ 300V@50Hz (сигнал) |
|
| Сопротивление изоляции | 500МΩ@500ВДК | |
| Скорость обработки | 0-300 рпм | |
| Материал контакта | драгоценные металлы | |
| Рабочая температура | -20~+60℃ | |
| Через размер скважины | 25.4мм | |
| Ранг предохранения от ИП | ИП54 | |
Применения
Особенности
Опционный
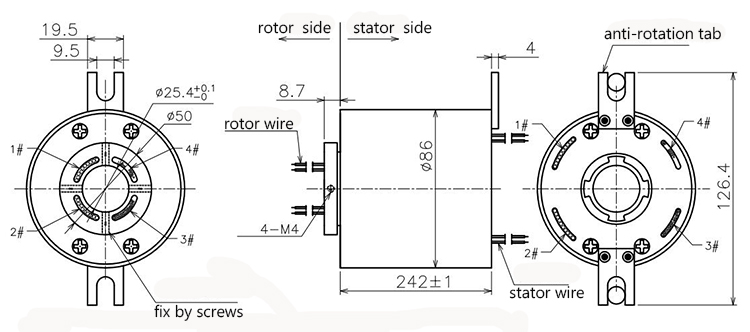
Чертеж плана

Почему с КЭНО
КЭНО одна технологически компания в поле кольца выскальзывания которое включает научные исследования и разработки, производство и продажи. Мы выдвигали аппаратуры оборудования и теста высокой точности для обеспечения качества продукции и надежного характеристики рабочого. Зона объекта покрывает 3000 квадратных метров и обнаруженная местонахождение в Шэньчжэне Китае.

Аттестация
ИСО9001, КЭ, РоХС, УЛ, взрывозащищенный

Преимущество КЭНО
Член в команде инженерства имеет больше многолетний опыт чем 10 в поле кольца выскальзывания. Операторы работают на критической процедуре всем квалифицированы внутренней тренировкой.
Обслуживание КЭНО обеспечивает
24 часа, обслуживание консультанта 7дайс.
Массовая и подгонянная продукция.
Решение офферринг для системы вращения 360°.
Добро пожаловать, который нужно посоветовать с нами с вашими запросами для любой системы вращения 360°. Мы снабдим одно обслуживание стопа вы своевременные отвечаем ваши дознания.