Высокий сигнал ширины полосы частот кольца выскальзывания определения передавая
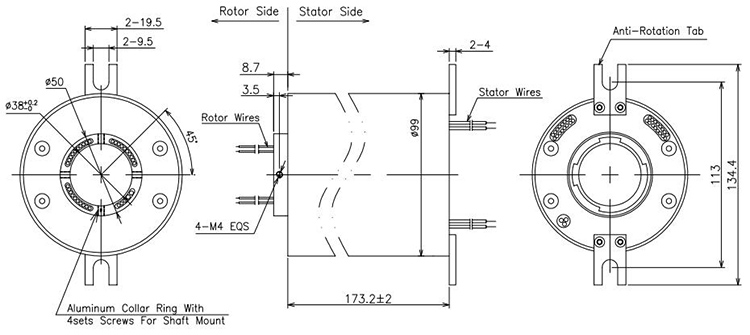
Это высокое кольцо выскальзывания определения для роторной таблицы, до размер скважины 38мм, подытоживает 35 подводящих проводов, мульти-каналы совмещая силу и различный сигнал, оно имеет каналы экстренныйого выпуска 3 для сигнала ширины полосы частот, расквартировывающ материал алюминиевый сплав, работая скорость 250рпм максимальная, ровное вращение. золото- точка соприкосновения золота для того чтобы гарантировать удлиняя работая продолжительность жизни.
Спецификация
| ЭКН038-32С-03ХД | |
| Настоящий | 32*1А, 3*Бандвидтх |
| Напряжение тока | 0~150 ВАК/ВДК |
| Электрический шум | ≤10мΩ (50рпм) |
| Диэлектрическая прочность | ≥ 1000V@50Hz |
| Сопротивление изоляции | 500МΩ@500ВДК |
| Скорость обработки | 0-250 рпм |
| Материал контакта | золото к золоту |
| Рабочая температура | -30~+40℃ |
| Через размер скважины | 38мм |
| Ранг предохранения от ИП | ИП44 |
Особенности
Применения
Опционный
Чертеж плана

Почему с КЭНО
КЭНО одна технологически компания в поле кольца выскальзывания которое включает научные исследования и разработки, производство и продажи. Мы выдвигали аппаратуры оборудования и теста высокой точности для обеспечения качества продукции и надежного характеристики рабочого. Зона объекта покрывает 3000 квадратных метров и обнаруженная местонахождение в Шэньчжэне Китае.

Аттестация
ИСО9001, КЭ, РоХС, УЛ, взрывозащищенный

Преимущество КЭНО
Член в команде инженерства имеет больше многолетний опыт чем 10 в поле кольца выскальзывания. Операторы работают на критической процедуре всем квалифицированы внутренней тренировкой.
Обслуживание КЭНО обеспечивает
24 часа, обслуживание консультанта 7дайс.
Массовая и подгонянная продукция.
Решение офферринг для системы вращения 360°.
Добро пожаловать, который нужно посоветовать с нами с вашими запросами для любой системы вращения 360°. Мы снабдим одно обслуживание стопа вы своевременные отвечаем ваши дознания.