кольцо выскальзывания полого вала 12.7mm отдельное с 4circuits 2Amp & 300rpm малошумными
Это одно из отдельного кольца выскальзывания от компании CENO имеет до отверстие 12.7mm. Оно отличает традиционное кольцо выскальзывания полого вала серии ECN. Никакая расквартировывая защита и часть статора отделена от всего кольца выскальзывания. Ясно увидеть щетки и кольца от возникновения. Конфигурация легка для того чтобы наблюдаться нося состоянию на каждом кольце и щетках. Она делает обслуживание будет удобной.
Спецификация
|
SCN012-04P |
|
| Цепи & течение | 4x 2Amp |
| Напряжение тока | 0~10VAC |
| Электрический шум | Макс 10mΩ |
| Диэлектрическая прочность | ≥ 500V@50Hz |
| Сопротивление изоляции | ≥ 100MΩ@500VDC |
| Скорость обработки | 0-300 rpm |
| Материал контакта | Драгоценный металл/серебр |
| Расквартировывать материал | N/A |
| Работая температура | -20℃~+60℃ |
| Ранг предохранения от IP | IP00 |
| Через размер отверстия | 12.7mm |
| Срок пригодности | 10 миллионов вращение |
Особенности
• Установка свободно
• Серия ECN подобная
• Отдельные статор и ротор
Применения
• Испытывая аппаратура
• Система автоматизации
• Робототехника
Опционный
• Наружная форма
• Материал контакта
• Через размер отверстия
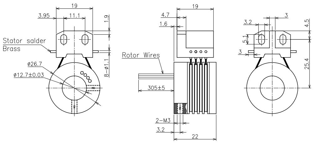
Чертеж плана

Почему с CENO
CENO одна технологически компания в поле кольца выскальзывания которое включает научные исследования и разработки, производство и продажи. Мы выдвигали аппаратуры оборудования и теста высокой точности для обеспечения качеств продукции и надежного характеристики рабочого. Зона объекта покрывает 3000 квадратных метров и обнаруженная местонахождение в Шэньчжэне Китае.

Аттестация
ISO9001, CE, RoHS, UL, взрывозащищенный

Преимущество CENO
Член в проектировать команду имеет больше многолетний опыт чем 10 в поле кольца выскальзывания. Операторы работают на критической процедуре всем квалифицированы внутренней тренировкой.
Обслуживание CENO обеспечивает
24 часа, обслуживание консультанта 7days.
Массовая и подгонянная продукция.
Решение offerring для системы вращения 360°.
Добро пожаловать, который нужно посоветовать с нами с вашими запросами для любой системы вращения 360°. Мы снабдим одно обслуживание стопа вы своевременные отвечаем ваши дознания.