4 группы скважины E типа вращающееся контактное устройство сигнала термопары внутренней 38mm & 300rpm
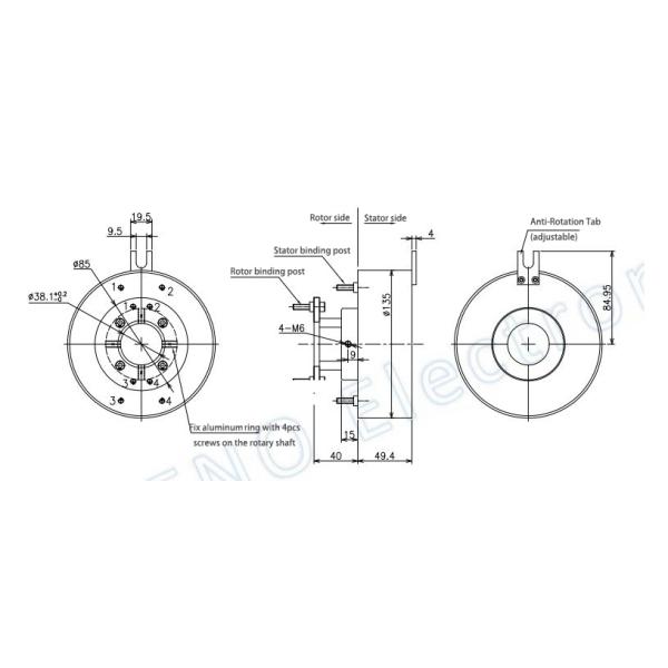
ECN038-02P5-02S термальное кольцо выскальзывания пар как модель CENO новая начатая, 2 группы * 4pcs терминальных столбов соответственно в стороне статора и роторной сторона в этом кольце выскальзывания термопары. В CENO, термальное кольцо выскальзывания пар обычно быть приложенным на оборудовании автоматизации, mounter обломока и blender в химическом машиностроении. Оно имеет особенности с широким рядом измерения температуры от -20℃ к +60℃, и ряд измерения может быть -270℃ к +2800℃, простому собранию, легкой замене, высокой точности измерения и термальный тип пар опционный. Внутренние бурят размер могут быть выбрать от 3mm до 980mm. CENO может обеспечить различные дизайны как потребности клиента.
Спецификация
| ECN038-02P5-02S |
|
|
Течение & цепи |
2 цепи * 30A (первоначальный сигнал) 2 цепи * тип сигнал e термопары |
|
Классифицируя напряжение тока |
0~220 VAC/VDC |
|
Диэлектрическая прочность |
1000VAC@50Hz (сила) 300VAC@50Hz (сигнал) |
|
Сопротивление изоляции |
500MΩ@500VDC (сила) 100MΩ@100VDC (сигнал) |
|
Длина подводящего провода |
Ротор: 300mm Статор: 300mm |
|
Значение зыбкости контактного сопротивления |
≤30mΩ (50rpm) |
|
Работая скорость |
0~300 rpm |
|
Материал контакта |
Драгоценный металл |
|
Расквартировывать материал |
Алюминиевый сплав + пластмасса инженера |
|
Работая температура |
-20℃~+60℃ |
|
Работая влажность |
60% |
|
Защитите ранг |
IP54 |
|
Путь установки |
Конец ротора зафиксированный на главном вале с 4 винтами |
|
Через размер отверстия |
Ø38.1mm |
Особенности
• Стабилизированная передача данных,
• Широкий ряд измерения температуры от -20℃ к +60℃
• Простое собрание и легкая замена
Применения
• Mounter обломока
• Blender в химическом машиностроении
• Промышленная автоматизация
Опционный
• Ряд измерения температуры
• Номер цепи & оценка Curren
• Тип соединителя
• Ранг предохранения от IP
Чертеж плана

Наше обслуживание
1. Дознание ответа в 24 часах.
2. Пожалуйста добросердечно сообщить нас которые детали вы заинтересованы & умеренная цена будет обеспечена вам на получении вашего нового дознания КАК МОЖНО СКОРЕЕ.
3. Ответите ваш детализированный вопрос.
4. Разрешил проблему с вами во время использования наших продуктов.
5. Образцы будут предложены к вам для нашего будущего сотрудничества.
вопросы и ответы
1. Чего мы делаем?
Мы фокусируем на превращаться, sliprings конструировать, изготовлять высококачественные, и предлагаем различные решения для вращая систем.
2. Сколько времени мы в деле?
CENO установило дело колец выскальзывания с 2009. Мы имеем тысячи клиентов признавали наши продукты или обслуживания.
3. Что кольцо выскальзывания?
Кольцо выскальзывания электро-механический прибор который позволяет передаче силы и электрических сигналов от неподвижного к вращая структуре. Кольцо выскальзывания можно использовать в любой электро-механической системе которая требует вращения пока передающ силу или сигналы. Оно может улучшить механическое представление, упростить работу энергетической системы и исключить повреждени-прональные провода качая от передвижных соединений.
4. Как я выбираю кольцо выскальзывания?
Свойственный выбор решения кольца выскальзывания требует деталей о параметрах вашего применения работая включая полные цепи, напряжение тока и amps в цепь, скорость обработки, и тип установки. Прекрасное место для начала вашего поиска с нашими стандартными кольцами выскальзывания. Если вы уверены, то что изготовленному на заказ/доработанному решению наиболее вероятно необходимо или нужна помощь в вашем выборе, свяжитесь мы для того чтобы получить начатым.
5. Вы предлагаете изготовленные на заказ кольца выскальзывания?
Да, если вы уверены, то что изготовленному на заказ/доработанному решению наиболее вероятно необходимо или нужна помощь в вашем выборе, свяжитесь мы для того чтобы получить начатый. Наши инженеры придут вверх с идеальным решением для ваших потребностей.
Почему с CENO
CENO одна технологически компания в поле кольца выскальзывания которое включает научные исследования и разработки, производство и продажи. Мы выдвигали аппаратуры оборудования и теста высокой точности для обеспечения качеств продукции и надежного характеристики рабочого. Зона объекта покрывает 3000 квадратных метров и обнаруженная местонахождение в Шэньчжэне Китае.

Аттестация
ISO9001, CE, RoHS, UL, взрывозащищенный

Преимущество CENO
Член в проектировать команду имеет больше многолетний опыт чем 10 в поле кольца выскальзывания. Операторы работают на критической процедуре всем квалифицированы внутренней тренировкой.
Обслуживание CENO обеспечивает
24 часа, обслуживание консультанта 7days.
Массовая и подгонянная продукция.
Решение offerring для системы вращения 360°.
Добро пожаловать, который нужно посоветовать с нами с вашими запросами для любой системы вращения 360°. Мы снабдим одно обслуживание стопа вы своевременные отвечаем ваши дознания.